К.ф.-м.н.
Кравченко Ю.С., проф. Осадчук В.С., студ. Яремішена Н.А.
Вінницький
національний технічний університет, Україна
Електронний
пристрій для контролю витрат рідини в трубопроводі
Дуже велике економічне значення у
багатьох галузях промисловості має вимір кількості рідини, що транспортується
по трубопроводах. Значення цих вимірів найближчими роками зростає ще більше [1].
Основні витратоміри класифікують:
- за принципом реєстрації:
змінного перепаду тиску, швидкісні, обємні, масові;
- за принципом дії:
гідрогазодинамічні, електромагнітні, теплові, ультразвукові, оптичні [2].
Було запропоновано [3] спосіб для
вимірювання витрат рідини в трубопроводі, який включає в себе тепловий
витратомір із зовнішнім нагрівачем (рис.1).

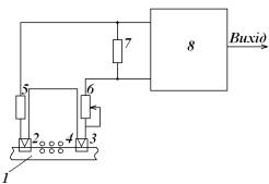
Рисунок 1 – Електронний
пристрій для контролю витрат
рідини в трубопроводі
Спосіб здійснюється наступним чином.
Рідина в трубопроводі 1 попередньо нагрівається спеціальним нагрівачем 4,
вимірюється значення температури Т1
першим термоперетворювачем 2, а значення температури Т2 – другим термоперетворювачем 3, тобто вимірюється
різниця температур
рідини у виглядні аналового сигналу, що
виділяється на опорі 7 і ця різниця температур є пропорційною величині витрат
даної рідини в трубопроводі. Аналоговий сигнал подається на вхід частотного
перетворювача 8, де перетворюється в частотний інформаційний сигнал, який
реєструється на виході даної схеми.
Для передачі даних необхідний частотний
перетворювач, тому основною нашою задачею було визначитися із структурою
частотного перетворювача і перевірити його здатність нормально працювати.
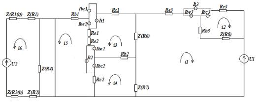
На рис. 2 наведена електрична схема частотного перетворювача.

Рисунок
2 – Електрична схема частотного перетворювача
Для визначення вольт-амперної характеристики
частотного перетворювача використаємо спрощену еквівалентну схему нашого
частотного перетворювача по постійному струму (рис. 3).

Рисунок
3
– Еквівалентна схема частотного перетворювача по постійному струму
Вольт-амперна
характеристика, як залежність струму від прикладеної напруги,
наведена на рис.4.

Рисунок
4 –
Вольт-амперна характеристика частотного перетворювача
В діапазоні напруги 3÷5В є ділянка від’ємного опору, яка дає
можливість розробляти сам перетворювач, визначати робочу точку в межах спадання
ВАХ.
Запропонована нами схема є високоефективна, наприклад, в далеко віддаленій
місцевості, при чому характеристики початкової схеми залишаються незмінними,
також покращена завадостійкості при підключені частотного перетворювача.
Література
1.
Кремлевский
П.П. Расходомеры и счетчики количества веществ/П.П.Кремлевский, - М.:
Машиностроение, 2009. – 502 с.
2.
Хансуваров
К.И. Расходомеры веществ/К.И. Хансуваров, - М.: Энергия, 1972. – 526 с.
3.
Пат. 71949 Україна, МПК G01F1/66. Спосіб вимірювання витрат рідини в трубопроводі /
Ю. С Кравченко, В. С. Осадчук, Н. А. Яремішена. - №03215; Заявл. 19.03.2012; Опубл. 25.07.2012.