Agriculture 4. Technologies of storage and
processing of agricultural products
Doc. Tech. Sc. V. Yu. Ovsyannikov
Voronezh State University of
Engineering Technologies, Russia
Way of
management of a two-level freeze of moisture
The annual increase in
consumption of energy around the world causes the urgent necessity of essential
reduction of power consumption on a unit of production, at creation of power
effective technologies.
We developed the scheme
of management of two-level process of freeze concentration which provides
repeated use of energy potential of by-products and waste of technological
process (Fig.).

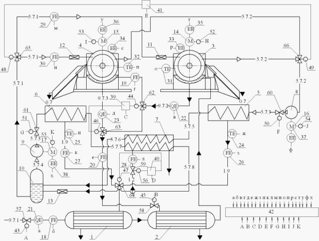
Fig. Scheme of
management two-level freeze moisture
The
scheme contains the two-level freezing installation consisting of the following
elements: the recuperations heat exchanger 1, the recuperations refrigerator 2,
the first 3 and the second 4 drum crystallizers, the first 5 and the second 6
melter, the additional condenser 7, compressors of the first 8 and the second 9
steps of compression of a coolant, an intermediate vessel 10 for a coolant,
temperature-controlled gates 11, 12, 13, adjustable drives 14 and 15 of the
first 3 and the second 4 drum crystallizers respectively, adjustable drives of
compressors of the first 16 and the second 17 steps of compression, the line:
9.7.1 supply of an initial product, 9.7.2 branches of the product concentrated
in the first crystallizer 3, 9.7.3 branches of a product concentrated in the
second crystallizer 4, 0.7 branches of the frozen ice from crystallizers and
its giving in melter 5 and 6 respectively, 1.9 removal of the fresh water which
is forming at melting of frozen ice in the melter 5 and 6, 1.2 water supply in
the additional condenser 7, 5.7.1 of giving of a liquid coolant in vaporizing
space of crystallizers 3 and 4, 5.7.2 removals of vapors of a coolant from
vaporizing space of crystallizers 3 and 4 in the compressor 8, 5.7.3 of supply
of vapors of a coolant in a melter 5 and 6, 5.7.5 giving of a liquid coolant in
the additional condenser 7, 5.7.6 of giving of a liquid coolant in an
intermediate vessel 10, 5.7.3 giving of a vaporous coolant from the compressor
9 in a melter 6, 5.7.4 giving of a vaporous coolant from an intermediate vessel
10 in the compressor 9, 5.7.7 of giving of a liquid coolant from melter 5 and 6
in the additional condenser 7, 5.7.8 of giving of a liquid coolant from the
additional condenser in an intermediate vessel 10, sensors 18, 19, and the 20th
giving of the initial product, the concentrated product leaving the first
crystallizer 3, and a product concentrated in the second crystallizer 4,
respectively, 21, 22, and 23 - sensors of concentration of solids in the
initial product leaving the first crystallizer 3, and a product concentrated in
the second crystallizer 4, respectively, 24, 25 – sensors of temperature of the
fresh water which is taken away from first by 5 and the second 6 melter
respectively, 26, 27 - sensors of a consumption of the fresh water which is
taken away from first by 5 and the second 6 melter respectively and the sensor
28 of a consumption of water, pumped in the additional condenser 7, sensors 29,
30 of an expense of the liquid coolant given in first 3 and second 4th
crystallizers respectively, sensors 31, 32 of temperature of boiling of a
coolant in vaporizing space of the first 3 and the second 4 crystallizers
respectively, sensors 33, 34 of electric resistance of the ice layer frozen
from the first and second crystallizer respectively, sensors 35, 36 of power
consumption of adjustable drives of the first and second crystallizers
respectively, sensors 37, 38 of power consumption of adjustable drives of
compressors of the first and second step of compression of a coolant
respectively, blocks of switching 39-41, the microprocessor 42, executive
mechanisms 43-56, locking gates 57-61, three-running valves 62-66 (à, á, â, ã, ä, å, æ, ç, è, ê, ë, ì, í, î, ï, ð, ñ, ò, ó, ô, õ –
entrance control paths, A, B, C, D, E, F, G – output control paths).
The essence of the offered way is reduced to implementation of process
of concoction at change of temperature and a coolant expense in crystallizers
of installation, an expense, temperature and time of stay of an initial product
in crystallizers, a consumption of cooling water, power of adjustable drives of
compressors of the refrigerator and drives of drums of crystallizers with
impact on the frequency of rotation of a drum and on expenses of the coolant,
cooling water, an initial product and the water received at melting of frozen ice.
Thus an initial product previously give on
cooling to the recuperations heat exchanger washed by fresh water, being formed
when melting the frozen ice, and then to the recuperations refrigerator washed
by the concentrated product, measure an expense and the content of solids in an
initial product on an entrance to the first crystallizer, the current value of
an expense and contents of solids in the concentrated product at the exit from
each crystallizer, time of stay of a product in each crystallizer, and
according to these data correct temperature of boiling of a coolant in an
internal cavity of a drum of a crystallizer and the frequency of its rotation
by change of capacities of adjustable drives of compressors and drives of drums
of crystallizers depending on conductivity of the frozen ice.
Bibliography
list:
Sergey T. Antipov Heat and mass transfer while concentrating liquid media by freeze drying [Text]/ S.T. Antipov, V.Å. Dobromirov, V.Yu. Ovsyannikov; Voronezh state technology academy. Voronezh, 2004. – 208 p.