Технические науки/3. Отраслевое машиностроение
Главчев М.Д., Зайцева А.А
Владимирского государственного
университета имени
А. Г. и Н. Г. Столетовых, Россия
Электромагнитный измеритель линейной
скорости
В учебном процессе используется установка «Ременная передача», при этом заменяется датчик и электронный блок.
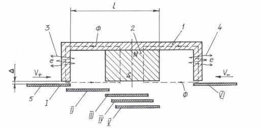
Основу датчика составляет магнитная цепь из П-образного
магнитопровода 1 и постоянного магнита 2. На крайних участках магнитопровода
размещены две одинаковые электрические катушки 3 и 4. На подвижном элементе
исследуемого устройства закрепляют магнитопроводную полоску 5. Обычно полоску 5
выполняют гибкой и крепят на подвижном элементе исследуемого устройства с
помощью клея. Для эффективной работы датчика длина полоски должна превышать расстояние
между крайними участками магнитопровода и постоянного магнита.
Рассмотрим движение полоски слева направо по стрелке V+. В исходном положении выделим два участка распространения магнитного потока Φ - участок магнитопровода длиной lm и участок зазора длиной l3. Магнитные сопротивления этих участков
Rм=
и
R3=
,
(1)
где Sm, S3 – сечения участков;
µa=µ0µ;
µ - относительная магнитная
проницаемость материала
магнитопровода
µ0 – магнитная проницаемость вакуума. Это значение принимают для воздуха.
Учитывая,
что µ>>µ0 можно
пренебречь магнитным сопротивлением магнитопровода, тогда магнитный поток,
пронизывающий катушку составит
,
(2)
где Br
- индукция остаточного намагничивания постоянного магнита 2.

Рис.1. Принцип работы датчика
Начиная с положения I полоски начинает уменьшаться l3, что приводит к росту магнитного потока Φ. В положении II l3=2Δ. Следует обратить внимание, что полоска движется по прямой линии, сохраняя исходную настройку Δ, а на рис. 4.31 для наглядности отдельные положения смещены. После прохождения положения II l3 будет увеличиваться, что обеспечит уменьшение магнитного потока Φ. В положении III он примет исходное значение. Таким образом, за время движения полоски от положения I до положения III в обмотке катушки 3 индуцируется импульсная ЭДС
(3)
Начиная с положения III полоски до положения V оба магнитных
потока системы равны исходным значениям. Далее процесс повторяется на втором
зазоре – положения V и VI, где снова, теперь уже на катушке 4 индуцируется
импульсная ЭДС. Следовательно при прохождении полоской от положения I до
положения VI будет наведено два разнесенных по времени импульса ЭДС – сначала
на катушке 3 затем на катушке 4.

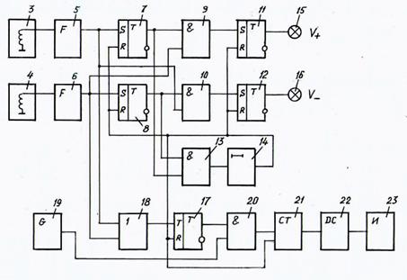
Рис.2. Функциональная схема электронного блока
Обратимся к устройству электронного блока – рис.2. Крутизна фронтов импульсной ЭДС невелика (определяется скоростью изменения l3), поэтому предварительно необходимо формирователями 6, 7 привести форму импульсов к типовой, то есть прямоугольной. Схемотехнически формирователи могут быть построены по схеме усилителя-ограничителя или схеме триггера Шмидта. Задачей электронного блока является получение цифрового и аналогового значений скорости, а также направления (знака) движения измеряемого элемента объекта исследований.

Рис.3. Эпюры напряжений на элементах функциональной схемы
Рассмотрим сначала цепь формирования знака скорости. Имеются
два RS-триггера 7, 8, которые устанавливаются в единичное состояние импульсами
формирователей 5, 6. Выделение импульса знака скорости осуществляется
конъюнкторами 9, 10, а длительность свечения индикаторов знака (светодиодов) –
RS-триггерами 11, 12. Импульс сброса триггеров формируется из выходных
потенциалов триггеров 7, 8 конъюнктором 13 и сдвигается во времени линией
задержки 14. Работу этой цепи удобно проследить по эпюрам напряжений рис. 3.
Если полоска 5 (см. рис.1) движется со скоростью V+ то формирователи
дают эпюру UF. Импульс формирователя 5 (значит импульс катушки 3)
устанавливает в единичное состояние триггер 7, соответственно импульс F6
– триггер 8. Эпюры напряжений на выходе триггеров 7, 8 ̶
U7, U8. Импульс F6 появится на выходе
конъюнктора 9 тогда, когда предварительно сработает триггер 7 от импульса F5,
лишь потом появится импульс от F6. Импульс на выходе конъюнктора 9
опрокинет триггер 11, который обеспечит время свечения индикатора V+.
При скорости V- ситуация будет обратная – сначала сработает
конъюнктор 10 и триггер 12. В процессе измерения будет наблюдаться мерцание
соответствующего индикатора 15 или 16 знака скорости.
Цепь измерения величины скорости цифровая. Измерение скорости основано на измерении времени движения полоски на фиксированной датчиком базовой длине l, равной расстоянию между положениями I и V полоски, т.е.
,
(4)
где tl – время движения полоски на базовой длине.
Заметим, что время tl соответствует временному расстоянию между передними фронтами импульсов формирователей 6, 7. Это значит, что длина полоски не влияет на формирование измеряемого интервала tl. Этот интервал формируется счетным триггером 17, а управление триггером осуществляется через дизъюнктор 18 импульсами формирователей 6, 7. Необходимо подчеркнуть, что очередность поступления управляющих импульсов не имеет значения, следовательно не имеет значения и знак скорости (V+ или V-). Длительность временного интервала tl на выходе счетного триггера 17 измеряется с помощью импульсов генератора опорной частоты 19, которые за интервал tl через конъюнктор 20 заполняют счетчик 21. Записанное в счетчик количество импульсов переводится в десятичный код дешифратором 22 и отражается на индикаторе 23. Состояние счетчика 21 обнуляется по обшей шине сброса.
Таким образом в предлагаемом измерители скорости датчик имеет предельно простую конструкцию, электронный блок построен на типовых элементах электроники, что позволяет минимизировать себестоимость изделия.
Литература:
1. Датчик измерения скорости. Патент RU28255U1, МПК G01P 3\50. Опубл.10.04.2003
2. Датчик измерения скорости. Патент RU25601U1, МПК G01P 3\48. Опубл.10.10.2002
3. Датчик
скорости. Патент RU10262U1, МПК G01F 3\44. Опубл.16.06.1999
4. Датчик скорости. Заявка на изобретение RU2001104617A, МПК G01P 3\50. Опубл.10.04.2003
5. Соломатин В.И. Бесконтактные измерители линейных и угловых скоростей. М.: энергия, 1974. -530 с.