Іващенко
І.І., Штіфзон О.Й.
Національний
технічний університет України «Київський політехнічний інститут імені Ігоря
Сікорського»
Підвищення енергоефективності роботи енергоблоку
ТЕЦ шляхом утилізації тепла відхідних газів
Стала тенденція зростання цін на енергоносії при існуючій
значній енергоємності виробництв в Україні негативно впливає на конкурентоспроможність
вітчизняної продукції. Таким чином, підвищення енергоефективності існуючих
підприємств, модернізація та реконструкція вже існуючого устаткування є одним
із важливих напрямків розвитку економіки України. Розглянемо це питання на
прикладі роботи теплоенергетичної галузі.
Показником, що об’єктивно характеризує роботу
теплоенергетичної галузі, є її здатність надійного і безперебійного виробітку
електричної і теплової енергії в необхідних об’ємах і відповідної якості [2].
Однак, стан теплоенергетики України на сучасному етапі розвитку являється
критичним з наступних причин:
-
фізична зношеність основного і допоміжного
технологічного обладнання ТЕС, що призводить до зниження показників надійності
і економічної ефективності та потребує своєчасної модернізації, реконструкції
чи повної заміни;
-
використання застарілих технологій спалювання
вугілля, заходів щодо захисту навколишнього середовища, обробки води;
-
недостатність забезпечення ТЕС якісним
енергетичним паливом і значні втрати горючої маси вугілля при його збагаченні;
-
відсутність сірко- та азотоочисток димових газів
котлоагрегатів.
-
недостатність фінансових можливостей для
модернізації та реконструкції обладнання ТЕС.
Головним напрямом модернізації котлів є
підвищення їх економічних показників. Найбільші втрати при роботі котлоагрегатів відбуваються
через:
- зниження температури гострої пари;
- зниження температури пари гарячого
проміжного перегріву;
- зниження температури живильної води;
- підвищення тиску в конденсаторі;
- підвищені коефіцієнта надлишку повітря
в відхідних газах;
- втрати теплоти з відхідними газами.
Остання причина, а саме втрата теплоти з температурою
відхідних газів tв.г є самою вагомою. Це пов’язано з тим, що гази, які покидають
котел, мають велику температуру, що призводить до збільшення втрат з Qв.г., та, відповідно, до додаткових витрат
палива на вироблення однієї і тієї ж кількості тепла, гарячої води або іншого
теплоносія. Зниження температури відхідних газів та
корисне використання їх тепла в циклі ТЕС, дозволяє підвищити не тільки ККД
котла, але і всієї станції в цілому.
Проте, зниження температури відхідних газів має певні
обмеження пов’язані з виникненням низькотемпературної корозії конвективних
поверхонь нагріву, яка обумовлена конденсацією з димових газів, розчину
сірчаної кислоти і водяних парів [1]. Було показано, що за реальних умов, tв.г. може бути знижена до 90 °С (проти рекомендованої в теперішній
час температури у 120°С) і залежить від температури точки роси tт.р.. Тому є необхідним не тільки
дотримуватись певної температури tв.г. в залежності від tт.р., але й регулювати її з метою
оптимального використання теплоти продуктів згорання. В запропонованому нами
рішенні, вперше пропонується регулювання
tв.г..
На даний момент використовується ряд схем о утилізації
газів, які реалізовані на ТЕС різноманітних типі та потужності: [3].
-
заміна гладкотрубних ЕК на оребрені РЕКО, при
цьому знижується
на (25-35)°С та
підвищується ККД котла на 1,4-2% (рис. 1);
-
заміна мокрого скруберу на
емульгатор, зниження температури
на 39 °С та підвищення ККД на
2,16%, також зменшується викид золи в 4 рази;
-
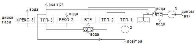
застосування двоступеневої
схеми підігріву, за рахунок встановлення газоводяного теплообмінника (ГВТО) із
труб з поперечним оребреням, зниження температури на 50 °С, підвищення ККД
котла на 2,78% та отримання додаткового 6,3 МВт тепла для постачання (рис. 2);
-
використання відхідних газів
для попереднього підігріву топочного повітря, а також для підігріву основного
конденсату повітропідігрівача, охолодження газів з 122 °С до 85 °С та
підвищення виробітку електроенергії на 1,8%;
-
застосування для підігріву
мережевої води за рахунок охолодження газів котлів, гази охолоджуються до 93,46
°С та підвищується ККД на 1,88% (рис. 3).
Рис. 1. Схема заміни гладкотрубних ЕК на
оребрені РЕКО
1 – скрубер; 2 –
вентилятор; 3 – димосос
Рис. 2. Двоступенева схема підігріву
1 – емульгатор; 2 – вентилятор; 3 – димосос; ВТЕ
– високотемпературний теплофікаційний економайзер; СВТО – система вбудованих
теплообмінників; ГВТО – газоводяний теплообмінник

Рис. 3. Теплова схема з підігрівом мережевої
води за рахунок відхідних газів
Головним недоліком розглянутих схем є
неконтрольована зміна температури відхідних газів, що може супроводжуватися, як
зазначалось вище, низькотемпературною
корозії конвективних поверхонь нагріву, у разі умови tв.г.< tт.р. або до підвищення tв.г., що призведе до збільшення втрат з Qв.г., та, відповідно, до додаткових витрат
палива на вироблення однієї і тієї ж кількості тепла, гарячої води або іншого
теплоносія.
Запропонована нами схема, реалізує регулювання tв.г. Тобто температура відхідних газів
буде задаватись (
), наприклад в залежності від tт.р., та підтримуватись на заданому рівні.
Для утилізації тепла відхідних
газів ми використали схему підігріву зворотної мережевої води від споживачів,
шляхом регулювання відбору через 3-х ходовий клапан, який встановлено після конденсаційного насосу.
Зворотна вода, буде відбиратися у необхідній кількості, в залежності від
потрібної температури відхідних газів, підігріватися у хвостовій частині котла,
після економайзера та повітропідігрівача та подаватись назад до водопроводу,
але вже з більшою температурою, аніж вона була на вході. Далі, зворотна
мережева вода, після підігріву в хвостовій частині, буде проходити через ПНД та
ПВД, де вже буде підігріватись, шляхом відбору частини пару з ЦСД та ЦНД, але
для її підігріву, знадобиться вже менше кількість пару з відборів. Таким чином,
ми зменшуємо кількість відбору пару та зменшуємо температуру відхідних газів,
що є як економічно так і екологічно позитивним фактором.
Для регулювання кількості
відбору зворотної мережевої води використовується каскадна схему регулювання, в
якій інерційним контуром є температура відхідних газів після утилізації тепла
(після вбудованого нами теплообмінника),
випереджаючим контуром є витрата зворотної мережевої води
, яка
буде вимірюватись після 3-х клапану (рис. 4).

Рис. 4. Структурна схема автоматичної системи регулювання температури
відхідних газів
Задана температура відхідних газів
., порівнюється з виміряною температурою
відхідних газів
, розбаланс подається на регулятор
температури відхідних газів, який розраховує задану витрату мережевої зворотної
води
. Задана витрата
порівнюється з виміряною витратою
, знайдений розбаланс подається на
регулятор витрати мережевої води, яка в свою чергу розраховує процент відкриття
регулюючого органу (РО). Таким чином, ще до того як почне змінюватись виміряна
температура відхідних газів
, наша система вже відрегулює задане
значення
завдяки сигналу про витрату мережевої води.
Ще однією з переваг схеми є мізерні витрати на
її впровадження, так як частина витрат покривається за рахунок додаткового
виробітку тепла та електроенергії і відсутні конструктивні зміни в процесі
роботи котла, за винятком встановлення датчиків та 3-х ходового клапану.
Проведемо розрахунки ефективності використання
запропонованої схеми. Вхідні дані наведені в таблиці 1.
Таблиця 1. Вхідні дані для
розрахунку
|
Параметр |
Назва |
Розмірність |
Значення |
|
|
Температура гострої пари |
°С |
548,8 |
|
|
Тиск гострої пари |
кгс/см2 |
191,1 |
|
|
Температура підігрітої води |
°С |
234,4 |
|
|
Фактична температура відхідних газів |
°С |
135,8 |
|
|
Витрата підігрітої води |
т/год |
548,2 |
|
|
Температура холодної води |
°С |
30,9 |
|
|
Процент кисню в відхідних газах |
% |
1,97 |
|
|
Тиск підігрітої води |
кгс/см2 |
203,3 |
|
|
Температура гарячого проміжного перегріву |
°С |
548,8 |
|
|
Температура холодного проміжного перегріву |
°С |
287,6 |
|
|
Тиск гарячого проміжного перегріву |
кгс/см2 |
22,4 |
|
|
Тиск проміжного перегріву |
кгс/см2 |
23,0 |
|
|
Ентальпія гострої пари |
ккал/кг |
779,82 |
|
|
Ентальпія пари гарячого проміжного перегріву |
ккал/кг |
857,33 |
|
|
Ентальпія живильної води |
ккал/кг |
242,22 |
|
|
Ентальпія пари холодного проміжного перегріву |
ккал/кг |
725,75 |
|
|
Час роботи енергоблоку |
год |
1 |
Коефіцієнти: k=3,52; c=0,6; b=0,18; ρ=0,1.
Обчислюємо коефіцієнт надлишку повітря в
відхідних газах (
:
![]()
Обчислюємо виробіток тепла котла
:
![]()
По номограмам визначаємо нормативну температуру
відхідних газів (рис. 5):
![]()

По номограмах визначаємо виправлення на зміну
температури перед РВП (рис. 6):
![]()

Знаходимо нормативну температуру відхідних
газів, з урахуванням поправки:
![]()
По номограмам визначаємо коефіцієнт втрат тепла
в зовнішнє середовище (рис. 7):
![]()



Обчислюємо фактичне
значення Δq2:
![]()
Обчислюємо фактичний ККД
котла брутто:
![]()
Обчислюємо нормативний ККД
котла брутто:
![]()
Обчислюємо витрати палива котла за 1 годину
роботи:

Обчислюємо надлишкову витрату палива:

Таким чином, за можливості
зниження температури відхідних газів на 10
, за 1
годину роботи, можна економити 0,363 т.у.т, що приблизно дорівнює 0,318 тис.м3
газу. Якщо взяти в середньому, що котел працює 2500 годин
на рік, то загальна економія складе 795 тис.м3 палива, при ціні в
9214,8 грн за 1 тис.м3 це складає 7 325 766 млн.грн. Погодьтесь
це дуже велика цифра, але реальна економія може бути в рази більша за рахунок
ще більшого зниження температури відхідних газів ніж рекомендують застарілі
методики які використовують сьогодні.
Висновки
Запропонована схема утилізації тепла відхідних
газів є ефективним методом підвищення економічності виробітку електроенергії і
тепла. Так, при знижені температури газів на 10
, ККД
котла (розрахунок проводився для котла ТГМП-314 київської ТЕЦ-5) підвищується
на 0,58%, економія палива при цьому складає 0,318 тис.м3/годину. Традиційні схеми утилізації
температури відхідних газів, хоча і дозволяють підвищити економічність, але не
здатні регулювати процес утилізації. Саме регулювання tв.г., а не просто неконтрольований відбір
теплоносія, дозволяє вирішувати одразу дві проблеми: підвищення економічності
та захист поверхонь нагріву від корозії. Додатковою перевагою запропонованого
рішення є мізерні витрати на впровадження.
Література:
1.
Методические указания по предупреждению
низкотемпературной коррозии поверхностей нагрева и газоходов котла. МУ
34-70-118-84.-М: Союзтехэнерго, 1986.
2.
Тепловая енергетика – новые вызовы времени/ Под общей
редакцией П.Омельяновского, И.Мысака. – Львов: НВФ «Українські технології», 2010. – С.19-21
3.
Миропольский З.Л., Чарыев А.И. Повышение экономичности и
уменьшение вредных выбросов на ТЭС при использовании тепла уходящих газов в
контактных водо- и воздухоподогревателях. Обзорная информация // Энергетика и
электрификация. Сер.7.М.Информэнерго, 1983.