Құрманбекова
Э.Б., ассоц.проф.
ФСТИМ, МОК КазГАСА, г. Алматы
Құлтаева
Ш.М., магистрант
МТДО-13(2), МОК КазГАСА, г. Алматы
Исследование методов
испытания на прочность и долговечность стульев современного дизайна
В статье
рассматриваются методы
испытания на прочность и долговечность стульев современного дизайна.
Бұл мақалада
заманауи дизайндағы орындықтардың
мықтылыққа және төзімділікке сынау әдістері
қарастырылады.
Ключевые слова: конструкционный, материал, стул, метод, испытание.
Түйін
сөздер: конструкциялық, материал, орындық,
сынақ, әдіс.
Методика
планирования и проведений
экспериментальных исследований. Планирование эксперимента является локальным
методом исследования факторного пространства и используется как для задач оптимизации, так и для интерполяции
многофакторных процессов.
Под
планированием эксперимента обычно понимают процедуру выбора числа и условий
проведения опытов, необходимых и
достаточных для решения поставленной задачи
с требуемой точностью.
Существуют
активные и пассивные эксперименты. В случае, когда исследователь наблюдает за
каким-то неуправляемым процессом, не вмешиваясь в него, или выбирает экспериментальные точки интуитивно,
эксперимент считается пассивным.
Эксперимент, при котором исследователь применяет статистические методы перед
постановкой опытов, разрабатывает схему эксперимента, а также активно управляет условиями проведения опытов, принимая решение о дальнейших
действиях, называется активным.
Методы
исследования:
1. Метод испытания:
- испытание на долговечность конструкции деревянных стульев;
- испытание на долговечность сиденья, спинки, подлокотников стульев;
- испытание на статическую прочность сиденья, спинки, ножек,
подлокотников стульев;
- испытание на усталость сиденья, спинки стульев;
- испытание на ударную прочность сиденья, спинки, подлокотников стульев;
- на прочность при падении
2.
Метод определения устойчивости:
- определение устойчивости
экспериментальным методом;
- определение устойчивости
расчетным методом.
Метод испытание на прочность и
долговечность стульев
1. Отбор образцов.
Для испытания новых и модернизированных изделий
берется один образец.
Перед испытаниями изделия из древесины и
древесных материалов выдерживались не менее 3 суток в помещении с относительной
влажностью воздуха от 45 до 70 % и температурой от 15 до 30 °С.
Изделия с клеевыми соединениями выдерживают в
обычных комнатных условиях не менее 4 недель со дня их изготовления.
Крепежные узлы разъемных соединений были плотно
затянуты.
Перед испытанием образцы подвергались
визуальному осмотру на соответствие требованиям ГОСТ 19917.
2. Применяемые
испытательные устройства.
Испытательный стенд конструкции ВПКТИМ, который
обеспечивает частоту циклов нагружения (19-24)±1 минˉ¹
Груз массой 75±0,7 кг диаметром 300±5 мм
Испытательный стенд конструкции ВПКТИМ,
обеспечивающее:
- многократное циклическое передвижение изделия
с максимальным ходом 600±10 мм;
- поворот изделия на 45°±10°;
- работу с частотой циклов 10 мин ˉ¹;
Упоры высотой не более 12 мм для предотвращения
наклона изделия
3.
Метод испытания на
долговечность деревянных стульев.
Сущность данного метода заключается в
воздействии циклических нагрузок на стул посредством его качания на задних и
передних ножках с установленным на сиденье грузом.
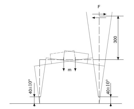
Подготовка к испытанию. Стул устанавливают в
опорные гнезда стенда. К спинке стула на высоте 300 мм от сиденья до центра
специального приспособления прикрепляют рычаг.
Элементы испытательного стенда регулируют так,
что при качании передние и задние ножки стула приподнимались поочередно на
40±10 мм.
На сиденья стула устанавливают груз так, чтобы
центр груза совпадала с геометрическим центром поверхности сиденья.
Счетчик числа циклов устанавливают на нуль.
4. Проведение испытания. Испытание стула проводился по схеме, приведенной на рисунке 1.
Включается стенд. После 1000 циклов качания, а затем каждые 500 циклов до нормы
стенд выключают, после выключения
аппарата, не снимая груза, произведено осмотр стула и был определен наличие дефектов. Образец стула считают
разрушенными, если при его испытании появится один из следующих дефектов:
- излом
любой детали стула;
-
разрушение или ослабление соединений ножек стула с царгами;
-
разрушение или ослабление соединений стоек спины с царгой или рамками стула.

Рис.1 – Схема испытания деревянного стула на
прочность
После проведения испытаний, полученные
результаты заносятся в таблицу.
Таблица
1
Результаты испытаний на прочность и
долговечность деревянных стульев
|
Наименование
изделия |
Значение
нагрузки Р, даН |
Число
циклов качания |
Характер
разрушения |
|
Гнуто-клееный
стул |
Груз
массой 75±0,7 кг диаметром 300±5 |
500-1000 |
Излома
детали стула не было. Появилось ослабление соединений ножек стула с царгами. |
|
Стулья
из массива древесины сосна |
Груз
массой 75±0,7 кг диаметром 300±5 |
500-1000 |
В
первые же 500 циклов качания были заметны трещины, появившиеся в области
соединения ножек с царгой. А также ослабление соединений стоек спины с
рамками стула. После 1000 циклов качания произошел излом ножки стула. |
6.
Обработка результатов.
Стул считается долговечным, если каждый
испытываемый образец выдержит без появления дефектов, указанных в пункте 4,
количество циклов качания, предусмотренное ГОСТ-19917.
Результаты
испытаний показали, что наименьшими дефектами обладает гнуто-клееные стулья, чем стулья из массива сосны. Таким
образом, наиболее прочными и долговечными являются гнуто-клееные стулья по сравнению со стульями из сосны.
Заключение
Исследовательская
практика внесла огромный вклад в личное и профессиональное развитие. Результаты проведенных теоретических и экспериментальных исследований позволили сделать следующие выводы:
1. изучены все литературные
источники по диссертационной теме, а также выполнена обработка и систематизация
научных литератур;
2. проведены патентные
исследования по разрабатываемой теме с целью их использования при выполнении
выпускной квалификационной работы;
3. выполнена систематизация
методов исследования;
4. были исследованы
традиционные виды конструкционных материалов, а также новейшие материалы,
применяемые в производстве стульев современного дизайна;
5. выявлены все недостатки
и достоинства исследованных конструкционных материалов;
6. проведен исследование
стульев на прочность и долговечность;
7. проведен анализ и
обобщение собранного материала для исследования;
8. материалы данного
исследования могут быть использованы для написания магистерской диссертации.
Список использованных
источников
1
Лакшми Бхаскаран. Дизайн и время. – СПб.: Арт-родник, 2009.
2
Коновалова Мария. Удивительная мебель. Стулья и кресла. Фантазии
мебельных дизайнеров. Изд-во: Интернет-издание, 2010
3
Журнал «Мебель и интерьер» – Москва, №2, февраль
2014.
4
Альберт Джексон, Дэвид Дэй. Энциклопедия работ по дереву. Изд-во: Астрель, ACT,
2005.
5 Журнал «Территория интерьера» –
№5/91, Май 2013.
6
Буглай Б.М., Гончаров Н.А. Технология изделий из древесины: Учебник для вузов.
– М.: Лесн.пром-сть, 2005. – 408 с.
7
Шарлот и Петер Филл. 1000 стульев. Изд-во: Taschen, 2010. – 624 с.
8
Журнал «Территория интерьера» – №5/91, Май 2013.
9
Журнал «Интерьер» – Алматы,
№8 (58), Август 2012.