УДК 674.05
Шалтабаева С.Т., ассоц.проф.
ФСТИМ, МОККазГАСА, г. Алматы
Сейлбекова А.С., магистрант МТДО-13(2), МОК
КазГАСА, г. Алматы
МЕТОДЫ КОМПЛЕКТОВАНИЯ И
ЗАМЕНЫ РЕЖУЩЕГО ИНСТРУМЕНТА НА ДЕРЕВООБРАБАТЫВАЮЩИХ СТАНКАХ С ЧПУ
Одной из отличительных
черт современной деревообработки является широкое использование систем с ЧПУ.
Применение станков с ЧПУ взамен универсального оборудования имеет существенные
преимущества, в частности следующие: происходит значительное сокращение сроков
подготовки производства, происходит также значительное сокращение общей продолжительности цикла изготовления
продукции, экономия средств на проектирование и изготовление технологической
оснастки, повышение производительности
труда за счет сокращения вспомогательного
и основного времени обработки на станке.
Основная
задача экспериментального исследования - доказать наличие влияния износа даже
небольших инструментов на работу деревообрабатывающих центров с ЧПУ. Наличие такого влияния обуславливает
целесообразность применения вышеприведенных алгоритмов планирования парка
инструментов деревообрабатывающих центров
и алгоритма концепции эксплуатации инструментов в период длительного
функционирования деревообрабатывающих центров.
Измерения
проводились на наиболее распространенном во всей стране деревообрабатывающем
центре Rover 24
итальянской фирмы Biesse.
Rover 24 -
обрабатывающий центр с ЧПУ легкой серии для сверления и фрезерования панелей и
элементов из массива. Преимущества центра: быстрая смена инструментов, высокая
скорость перемещения суппорта, сокращенное время настройки, безопасность,
возможность комплектования опциями моделей более высокой категории, наличие
вместительного магазина сменного инструмента, наличие 4 осей, позволяющих
поворачивать агрегаты больших размеров на 360°, что дает возможность выполнять
сложнейшие типы обработок, обычные для станков более высокой категории.
Технические
характеристики ОЦ Rover 22 - 2.
|
Описание |
Характеристики |
|
Полезная рабочая зона |
X = 3.060 мм / Y
= 1.080мм / Z=
155 мм |
|
Ход Осей |
X = 3.436 мм / Y
= 1.480 мм / Z=
250 мм |
|
Скорость осей |
X = 100 м/мин / Y = ЮОм/мин / Z= 30 м/мин |
|
Мощность макс, электрошпиндслей /Переходник. |
10,2 Л.с. / HSK63 |
|
Скорость вращение ISO
30 |
24000 об/мин |
|
Шпинделя для сверления Верт./Гориз. |
14/6 шт. |
|
Группа пилы, ориентированная по X |
180 мм |
|
Кол-во мест в магазине инструментов |
мах 17 |
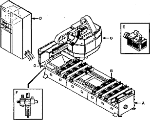
Рисунок 3.1 Станок Rover
22 в базовой
комплектации фирмы Biesse

a) Станина станка;
b) Стол станка, обеспечивающий базирование и закрепление
обрабатываемых заготовок;
c) Суппорт станка с фрезерной шпиндельной бабкой, с
многошпиндельной сверлильной головкой и пильным агрегатом, а также устройством
аспирации;
сі)
Силовой шкаф, объединенной со стойкой
ЧПУ, включающей персональный компьютер с интерфейсным контроллером приводов
станка, а также специально предустановленным программным обеспечением;
е) вакуумный насос, обеспечивающий работу элементов
крепления и базирования стола станка;
1) регулятор давления вакуумной сети, позволяющий
поддерживать требуемый уровень разрежения.
f) указатель названия, серии и технических
характеристик станка.
|
|
Важной частью данного центра является инструментальный
магазин. На нем устанавливаются оправки с инструментами или агрегаты станка.
Инструментальный магазин станка Rоvег22 имеет 10 позиций. Конструкция станка позволяет
программным способом без участия оператора менять инструмент или агрегат в
электрошпинделе.
В целом результаты экспериментов показали, что при
затуплении инструмента, изменении вида обработки, скорости подачи и частоты
вращения инструмента показатели вибрации изменяются (в отдельных случаях на
порядок).
Это доказывает целесообразность мониторинга состояния
режущего инструмента.
Кроме того, можно
предположить, что дополнительные, в т.ч. многофакторные исследования могли бы
показать способы снижения вибраций путем назначения рациональных режимов
обработки, выявления причин и закономерностей вибраций элементов оборудования
1. Амалицкий
В.В., Бондарь В.Г, Волобаев A.M., Воякин A.C. Надежность машин и оборудования лесного
комплекса.: Учебник для студентов лесотехнических вузов. Спец. 1704.00.-М.:
МГУЛ, 2000, 288 е.,ил.
2. .Рекламные
выставочные проспекты и информация с web-страниц фирм Biesse, Ima, Leuco, SCM, и др.
3. Кузин Ф.А.
Кандидатская диссертация. Методика написания, правила оформления и порядок
защиты. Практическое пособие для аспирантов и соискателей ученой степени. - 4-е
изд.,доп. - М.: «Ось-89», 1999, - 208с.
4.
.Выгодский М.Я. Справочник по элементарной
математике.М.:2001,
416с.,ил.
5. Бобров В.А.
Справочник по деревообработке / Серия «Справочники» - Ростов н/Д: «Феникс»,
2003г., 320с..
6. K.J.Susnjara Three
dimensional Trimming and Machining. The five axis CNC router. First edition. Thermwood Corporation. Dale. Indiana,
2000