Идрисов
А.А., к.т.н. Булатбаев Ф.Н.
Карагандинский государственный
технический университет
ПЕРСПЕКТИВЫ РАЗВИТИЯ ВЕТРЯНЫХ ЭЛЕКТРОСТАНЦИЙ В КАЗАХСТАНЕ
Экономические, социальные и экологические
аспекты развития ветроэнергетики.
Экономическими
аспектами развития ветроэнергетики является зависимость регионов от поставок
электроэнергии из Центральной части Казахстана. Передача электроэнергии на
значительные расстояния приводит к существенным потерям. Для того, чтобы
удовлетворить возрастающий спрос требуется увеличение поставляемой
электроэнергии. Это влечет за собой значительные капитальные вложения для
обновления и расширения генерирующих мощностей и инфраструктуры электрической
сети [1].
По экспертным
оценкам ветровой энергетический потенциал Казахстана составляет порядка 1820
млрд. кВт.ч в год. Таким образом использование ветроэнергии для производства
электроэнергии в большей мере будет определяться балансирующими возможностями
энергосистемы рентабельностью ее производства. Учитывая общую генерирующую
мощность в Казахстане – 18997,7 МВт, мощность ветроэлектростанций может
составить порядка 3500 МВт при годовой выработке электроэнергии порядка 8-9
млрд. кВт.ч. Экономический потенциал использования ветроэнергетики будет
определяться соотношением стоимости электроэнергии ветростанций и традиционных
источников энергии с учетом транспортной составляющей, а также учета
экологического эффекта от сокращения загрязнения окружающей среды при замещении
мощностей угольных электростанций. По ряду проведенных расчетов установленная
мощность ветроэлектростанций может составить порядка 2000 МВт к 2024 гг.
Экологические аспекты развития ветроэнергетики.
ВЭС не потребляют
органического топлива и, таким образом, не выбрасывают в атмосферу продукты
сгорания топлива и не имеют твердых отходов. Каждый кВт.ч электроэнергии от ветряной
электростанции (ВЭС), замещающий электроэнергию от угольной теплоэлектростанции
(ТЭС), предотвращает вредные выбросы в атмосферу окислов серы, окислов азота,
летучей золы и парниковых газов, а также складирование золошлаковых отходов.
Установка ВЭС мощностью 500 МВт с ежегодной выработкой 1,5 млрд. кВтч
электроэнергии позволит сохранить более 500 тыс. т.у.т. в год и предотвратить
годовые выбросы в атмосферу порядка:
- 1,5 млн. тонн
диоксида углерода;
- 12000 тонн
оксидов серы;
- 7800 тонн
оксидов азота;
-12 600 тонн
летучей золы;
а также
складирование золошлаковых отходов в обьеме 200 000 тонн [1].
Ветропотенциал Казахстана.
Перспективы
использования ветроэнергетики определяются наличием соответствующих
ветроэнергетических ресурсов. Казахстан исключительно богат ветровыми
ресурсами. Порядка 50% территории Казахстана имеет среднегодовую скорость ветра
4-5 м/с, а в ряде районов т скорость ветра 6 м/с и более, что предопределяет очень хорошие перспективы для
использования ветроэнергетики. По оценкам экспертов, Казахстан, одна из стран
мира, с наиболее подходящими условиями для развития ветроэнергетики. Ветреные
места расположены в Прикаспии, в центре и на севере Казахстана, на юге и
юго-востоке Казахстана. Учитывая плотность мощности ВЭС на уровне 10 МВт/км2
и наличие значительных свободных пространств можно предполагать возможность
установки в Казахстане нескольких тысяч МВт мощности ВЭС. По некоторым данным
теоретический ветропотенциал Казахстана составляет около 1820 млрд. кВт.ч в
год. Для точной оценки ветропотенциала перспективных мест проводятся специальные
метеоисследования с использованием метеомачт высотой 30-80 м. Исследования
должны проводится в течении как минимум одного года. Полученные метеоданные
используются для расчета годовой выработки электроэнергии ветроустановками.
Результаты расчетов используются для подготовки технико-экономического
обоснования строительства ВЭС. Для двух площадок в Алматинской области -
Джунгарские ворота и Шелекский коридор, детальные метеоисследования и оценка
ветрового потенциала были проведены при поддержке со стороны Программы развития Организации Объединенных Наций (ПРООН). Как показали эти исследования Джунгарские ворота имеют очень
высокий ветропотенциал. Среднегодовая скорость ветра составляет здесь 9,7 м/с
на высоте 50 метров, а плотность ветровой потока порядка 1050 Вт/м2.
Это дает возможность вырабатывать примерно 4400 кВт.ч электроэнергии на кВт
установленной мощности ВЭС, что делает это место уникальным для целей
ветроэнергетики. Наличие свободного пространства дает возможность установить
здесь ВЭС с годовой выработкой электроэнергии порядка 1 млрд. кВт.ч.
Шелекский коридор,
расположенный между горными хребтами Заилийский Алатау и Жетысуйский на
расстоянии 150 км от г. Алматы, также имеет хороший ветровой потенциал со
среднегодовой скоростью ветра 7,8 м/с на высоте 50 метров и плотностью
ветрового потока порядка 510 Вт/м2, что дает возможность
вырабатывать порядка 3200 кВт.ч электроэнергии на каждый киловатт установленной
мощности ВЭС. Это сопоставимо с хорошими ветровыми местами в Европе. В
Шелекском коридоре также возможна установка сотен МВт мощности ВЭС с годовой
выработкой электроэнергии порядка 1 млрд. кВтч. Оба места, Джунгарские ворота и
Шелекский коридор, расположены в районах с большим дефицитом электроэнергии,
что делает привлекательными строительство ВЭС в этих местах.
Казахстанскими
специалистами совместно с международными специалистами из Германии были еще определены
перспективные места для строительства ВЭС, основанием послужил анализ
метеоданных с учетом следующих факторов:
- доступность
линий электропередач и подстанций для выдачи мощности;
- топография местности и высота над
уровнем моря;
- наличие транспортных коммуникаций;
- наличие потребителей энергии;
- возможность строительства ВЭС;
- наличие
предварительных проработок по строительству ВЭС.
Перспективные
площадки и схемы интеграции ВЭС в энергосистему РК.
Акмолинская
область
Обьект
Ерейментау (500 МВт).
Схема
подключения электростанции:
Ветроэлектростанция
Ерейментау (с установленной мощностью 500 МВт) должна быть подключена к сети
500 кВ посредством входящих линий к воздушным линиям электропередач (ВЛЭП) 500
кВ ЭГРЭС -1 - ЦГПП.
Мангистауская
область
Форт-Шевченко (50
МВт)
Схема подключения
электростанции:
Ветроэлектростанция
Форт-Шевченко (с установленной мощностью 50 МВт) должна быть подключена к
открытому распределительному устройству 110 кВ подстанции Форт-Шевченко.
Алматинская
область
Шелек (300 МВт).
Схема подключения
электростанции:
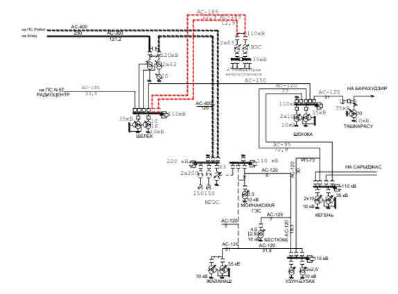
Ветроэлектростанция
Шелек (с установленной мощностью 300 МВт) должна быть подключена к сети 220 кВ
посредством входящих и исходящих линий к открытому распределительному
устройству ветроэлектростанции от ВЛЭП 220 кВ MГЭС – подстанция Робот и МГЭС –
подстанция Шелек [2].
Схема интеграции
ВЭС Шелек (300 МВт) в энергосистему
Атырауская
область
Каработан (100
МВт)
Схема подключения
электростанции:
Ветроэлектростанция
Каработан (с установленной мощностью 100 МВт) должна быть подключена
посредством двухцепной ВЛЭП 220 кВ к открытому распределительному устройству
220 кВ подстанции Атырау.

Рис. 1.
Рекомендуемая схема присоединения ВЭС Шелек (300 МВт)
Литература:
1. Дорошин Г.А.
Перспективы использования ветроэнергетики в РК //
Проект ПРООН ГЭФ «Казахстан - инициатива развития рынка ветроэнергетики», доклад / ПРООН, Алматинский офис. - Алматы, 2006г. - С. 7-8.
2. Ханнеле
Холттинен, Санна Уски-Йоутсенвуо, Юха Кивилуома. Оценка энергосистемы для целей развития
ветроэнергетики в Казахстане // Отчет проекта ПРООН ГЭФ и Правительства Казахстана. – Астана,
2011г. – С. 357.