Технічні науки/6: Електротехніка і радіоелектроніка
К.ф.-м.н., доцент Кравченко Ю. С., студ.
Слісарчук І. М.
Вінницький національний технічний
університет
Електронний пристрій для визначення та контролю слабких механічних вібрацій
Сучасні технології
вимагають безперервного моніторингу стану обладнання, зокрема, амплітуди і
частоти вібрацій його складових. У технологічному обладнанні та технологіях кожен
обертовий механізм має свої власні частотні характеристики. Зміни в режимі
роботи, наприклад, обумовлені неприпустимим дисбалансом або пошкодженням
підшипників, завжди залишають після себе свої динамічні характеристики [1].
Контроль за критичними вузлами установок,
наприклад, насосами, компресорами, повітродувками, коробками передач і
електромоторами може здійснюватися за допомогою частотного аналізу [2].
Маючи інформацію про технічний стан механізму, можна досягти
максимальної ефективності
його роботи. Як правило, така інформація використовується для визначення залишкового ресурсу
роботи обладнання,
проведення ремонтних
робіт та максимально-допустимих
робочих навантажень. Найбільш достовірним фактом появи дефектів обладнання є поява
вібрації. Тому її реєстрація та аналіз є основою проведення технічної
діагностики [3].
Для контролю та
реєстрації слабких механічних вібрацій зручніше застосовувати віброметри на
основі п’єзоелектричного датчика, оскільки його перевагами є відносно невелика
вартість, простота конструкції та стійкість і надійність до впливу зовнішніх
факторів
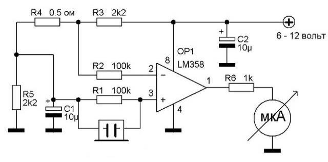
[4]. Схема такого віброметра зображена на рис. 1:

Рисунок 1 – Схема
віброметра на основі п’єзоелектричного датчика
Характеристики даної
схеми такі: пристрій починає працювати
відразу після правильної збірки - тобто, не потребує жодних налаштувань,
діапазон механічних вібрацій в діапазоні частот складає 800-3000 Гц [5].
Промоделювавши дану
схему віброметра в середовищі Multisim 12, ми можемо спостерігати, як резистор R4 регулює чутливість представленої схеми, що зображено на графіку
залежності опору від струму протікаю чого в схемі:
Якщо корпус обраного
віброметра жорстко закріпити на поверхні досліджуваного об'єкта, то будь-які
клацання, удари, вібрації будуть перетворюватися в змінну або імпульсну
електричну напругу. Корисний сигнал звичайно має малу амплітуду, тому між
міліамперметром і п'єзодатчиком
ставлять попередній підсилювач [6]. Окрім посилення він грає роль
буферного захисту, оскільки різкий і сильний удар по п'єзопластині може
викликати короткий імпульс дуже великої амплітуди, здатний пошкодити
міліамперметр, чи можливо діод, який реагує на зміну коливань [7].
Існують певні
критерії вібрації для роботи встановлених машин на виробництві. Загальні
критерії оцінки, засновані на вимірі, як власне, значень параметрів вібрації,
так і значень із змін, що відносяться як до експлуатаційного контролю, так і до
приймальних випробувань, повинні бути встановлені з урахуванням необхідності
забезпечити наступні фактори:
- безпечну тривалу
роботу машини;
- відсутність впливу
вібрації машини на роботу сусідніх машин і механізмів [8].
Тому, такий
пристрій, який ми наводимо для прикладу вище – є важливим фактором для
нормальної роботи різних машин на виробництві.
ЛІТЕРАТУРА:
1. Геріке Б. Л.
Вібродіагностика гірських машин і устаткування. Навчальний посібник / Б. Л.
Геріке, І. Л. Абрамов, П. Б. Геріке. Кемерово: КузГТУ, 2007. - 167 с.
2. Шубов І. Г. Шум і
вібрація електричних машин / І. Г. Шубов. - 2-ге вид., Перероб. і доп. - Л.:
Вища. 1986. - 208 с.
3. Русов В. А.
Спектральна вібродіагностика / В. А. Русов. - Перм, 1996. - 176 с.
4. Яуре А. Г.
Кранова електропривод. Довідник. / А. Г. Яуре, Є. М. Певзнер. - М.: Вища школа,
1988. - 334 с.
5. Барков А. В.
Вібраційна діагностика машин і устаткування. Аналіз вібрації / А. В. Барков, Н.
А. Баркова. - C-Петербург.: Вид. центр СПбГМТУ, 2004. - 156 с.
6. Барков А. В.
Моніторинг та діагностика роторних машин по вібрації / А. В. Барков, Н. А.
Баркова, О. Ю. азовців. - C-Пб.: Вид. центр СПбГМТУ, 2000. - 169 с.
7. Баркова Н. А.
Неруйнівний контроль технічного стану гірських машин і обладнання: навч.
посібник / Н. А. Баркова, Ю. С. Дорошів. - Владивосток: Изд. ДВГТУ, 2009. - 157
с.
8. Біргер І. А.
Технічна діагностика / І. А. Біргер. - М.: Машинобудування, 1978. - 240 с., Іл.