УДК 621.373.002
К.т.н. Перевозникова Я.В., к.т.н. Перекрестов
А. П., асс. Вавилина Н.А., асс. Семенов С.В., магистрант Перевозников А.В.
Саратовский государственный технический
университет имени Гагарина Ю.А., 410054 г. Саратов, Россия
Разработка конструкции
высоковакуумной установки и
технологической камеры с инфракрасным нагревателем
Разработана
высоковакуумная температурная установка с инфракрасным нагревом для пайки узлов
и герметизации электровакуумных приборов. Установка обеспечивает давление в
камере не выше 2х10-4 Па и рабочую температуру не ниже 1100ºС [1].
Установка
(рис.1) состоит из вакуумного блока и пульта управления.

Рис. 1 Высоковакуумная высокотемпературная установка с
инфракрасным нагревателем: 1- вакуумный блок; 2- пульт управления
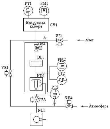
Вакуумная система установки (рис.2)
выполнена на базе диффузионного паромасляного насоса Н-1Т и форвакуумного
механического насоса НВР-16Д. Для улучшения вакуума в технологической камере
предусмотрена азотная ловушка ЛА-250. Для снижения предельного давления насоса
Н-1Т в него заливается кремнийорганическая жидкость 5Ф4Э. Это приводит к
снижению предельного давления насоса на 1…1,5 порядка (не выше 2∙10-4
Па), при этом температура рабочей жидкости должна быть увеличена на 25…30
процентов, что должно быть учтено при проектировании электрической схемы.

Рис. 2 Вакуумная принципиальная схема установки: А- агрегат высоко-вакуумный
паромасляный; BL1- ловушка азотная
ЛА-250; CV1- камера; ND1- насос диффузионный
паромасляный; NL1- насос вакуумный пластинчато-роторный;
PM1, PM2- преобразователь
манометрический электроразрядный; PТ1, РТ2, РТ3-
преобразователь манометрический термопарный; VE1- клапан КВУМ-25; VE2- клапан КВУМ-16; VE3- клапан КВУМ-40; BL1- затвор вакуумный
Во избежание окисления арматуры
электровакуумных приборов и узлов давление в технологической камере при нагреве
не превышало 6,6х10-3 Па.
Технологические
процессы камерной откачки электровакуумных приборов (ЭВП) и пайки узлов
производятся в горизонтальной вакуумной печи. Загрузка и выгрузка изделий
производится через дверь, которая открывается вручную и при закрытии
герметизируется четырьмя уплотняющими винтами с маховиками. В нижней части
камеры располагается технологическая подставка, на которой размещаются
обрабатываемые изделия. Нагрев изделий осуществляется галогенными лампами,
расположенными по периферии блока экранов. Инфракрасный нагрев с помощью
кварцевых галогенных ламп широко применяется при изготовлении изделий
электронной техники. Это обусловлено рядом преимуществ таких нагревателей по
сравнению с нагревателями других типов (резистивных с проволочными, стержневыми
или ленточными нагревательными элементами): простота конструкции, высокая
ремонтоспособность, малая тепловая инерционность, возможность электропитания от
промышленной сети 220/380В без применения промежуточных низковольтных трансформаторов,
возможность автоматического управления процессом нагрева, отсутствие
загрязнений рабочего объема технологической камеры за счет выделения из нагревательных
элементов испаряющихся веществ.
Эти
преимущества инфракрасных нагревателей особенно эффективно проявляются при
использовании их в высоковакуумной печи, предназначенной для камерной откачки и
герметизации электровакуумных приборов. Герметизация приборов и пайка узлов
осуществляется медно-серебряным припоем ПСр72. Высоковакуумная печь
обеспечивает температуру нагрева 1000…1100ºС.
Измерение температуры на технологической
подставке проводилась с помощью равномерно расположенных хромель-алюмелевых
термопар с рабочей температурой до 1300ºС. Одна из термопар закреплялась
на колбе галогенной лампы.
На рис.3
представлено схематическое изображение вакуумной камеры. Камера представляет
собой цилиндрическую обечайку (1) с водяным охлаждением (2). В нижней части
камеры имеется откачной патрубок (3). Для удобства загрузки предусмотрена дверь
(4) открывающаяся на петлях. В задней крышке (5) предусмотрен патрубок для
форвакуумной откачки.
|
|
|
|
Рис.
3 Технологическая камера: 1-обечайка технологической камеры; 2-рубашка
водяного охлаждения; 3-откачной патрубок; 4-дверь; 5-крышка; 6-подставка;
7-нагреватель; 8-блок экранов; 9-термопарный ввод; 10-манометрический датчик;
11-смотровое окно |
|
Внутри камеры имеется подставка (6) для
установки изделий. Инфракрасный нагреватель (7) представляет собой конструкцию в виде «беличьего колеса».
Нагреватель состоит из трех секций, в каждой из которых включено по 5 ламп и
обеспечивает рабочую температуру не ниже 1100ºС.
Для улучшения теплоотдачи нагревателя
предусмотрен блок экранов (8) Для подключения термопары к измерительному
прибору предусмотрен термопарный ввод (9). Измерение давления в камере
производится манометрическим датчиком (10).
Конструктивной особенностью исследуемого
нагревателя является отсутствие отражательных рефлекторов. Их роль выполняют
экраны и кожух технологической камеры, выполненные из нержавеющей стали
12Х18Н10Т.
Литература:
1. Розанов,
Л.Н. Вакуумная техника /Л.Н. Розанов. –
М: Высшая школа, 2007. – 391 с.
2. Перевозникова,
Я.В. Высоковакуумная установка с инфракрасным нагревом / Я.В. Перевозникова, В.И.
Воронин, Г.В. Конюшков //Современные проблемы машиностроения: сб. трудов IV Междунар. науч. конф. – Томск: ТГУ, 2008 - С.
355-358.