УДК
621.78.061
К.т.н. Перевозникова Я.В., магистрант
Перевозников А.В.
Саратовский государственный технический
университет имени Гагарина Ю.А., 410054 г. Саратов, Россия
Процесс откачки вакуумных конденсаторов камерным способом
Проведены теоретические и экспериментальные исследования, в
результате которых была резко увеличена эффективная быстрота и сокращено
время откачки вакуумных конденсаторов за счет использования камерного способа.
По сравнению с конденсаторами, откачанными штенгельным способом, электрическая
прочность между обкладками повысилась на 10–15%, а длительность откачки
сократилась в 4–5 раз, что привело к снижению энергозатрат на 33,7 кВт×ч при
изготовлении одного прибора.
Откачка
является одной из основных операций, формирующих выходные параметры
электровакуумных приводов. Обезгаживание оболочки и внутренней арматуры
является длительным и ответственным процессом, в результате которого должно
быть не только получено заданное разрежение в приборе, но и обеспечены условия,
исключающие повышение давления при его эксплуатации и хранении.
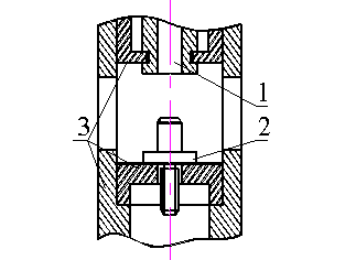
Вакуумный
конденсатор представляет собой электровакуумный прибор, состоящий из медных и
керамических деталей (рис.1).
Емкость
конденсатора зависит от площади обкладок. Уменьшение размеров конденсатора
приводит к уменьшению расстояния между обкладками. Так, в исследуемом типе
конденсатора расстояние между обкладками составляет 0,3 мм при общей площади
обкладок около 0,1 м2. Столь малые расстояния и большие напряжения
обусловливают использование сверхвысокого вакуума во внутренней полости
конденсатора и исключают возможность его ухудшения при эксплуатации прибора.
Добиться этого можно лишь при достаточном обезгаживании внутренних обкладок
конденсатора.

Рис.1.
Схематическое изображение вакуумного конденсатора при откачке через штенгель
обычной длины (а) и короткий штенгель (б)
Одним из
эффективных способов улучшения степени обезгаженности внутренней арматуры
является камерная откачка приборов с разнесением частей или через короткий
штенгель [1] с герметизацией в конце процесса откачки диффузионной сваркой. Теоретически
и экспериментально исследовалась возможность использования камерного способа
откачки (через короткий штенгель) вакуумных приборов с целью улучшения их
качества и сокращения времени обработки прибора на откачном посту.
По
существующему технологическому процессу предусматривается откачка конденсатора
через штенгель диаметром 2 мм и длиной 40 мм и два отверстия диаметром 4 мм
(рис. 1, а). Условия эвакуации газов из пространства между обкладками
конденсатора крайне неудовлетворительные, даже если не учитывать сложную
траекторию движения частиц газа при эвакуации.
Из вакуумной
техники известно, что эффективная быстрота откачки объекта SЭФ, зависит от проводимости вакуумной
системы U и быстроты откачки насоса SH. При условии SH>>U, которое
обычно имеет место в вакуумных системах установок, эффективная быстрота откачки
объекта зависит в основном от проводимости вакуумной системы и эвакуационных
каналов, т.е. SЭФ»U. Увеличивая проводимость эвакуационного
канала, можно увеличить и эффективную быстроту откачки объекта. Проводимость
эвакуационного канала при откачке конденсатора через штенгель составляет 0,03
л/с [2].
Для применения камерной откачки была изменена конструкция
вакуумного конденсатора (рис. 1, б). Проводимость эвакуационных каналов при
откачке конденсатора через короткий штенгель составляет около 3 л/с: короткий
штенгель диаметром 5 мм и три отверстия диаметром 5 мм каждое.
Таким образом,
эффективная быстрота откачки конденсатора через короткий штенгель увеличивается
примерно в 100 раз.
Давление в
приборе, создаваемое в процессе откачки, зависит от соотношения между величиной
газового потока Q3 через зазор U3 и величиной потока газовыделения QS во внутреннюю
полость прибора. Наилучшие условия создаются в том случае, когда проводимость
зазора обеспечивает отвод всех газов, выделяющихся из внутренней арматуры
прибора.
При заданных допустимых значениях давления в приборе в
период его обработки на откачном посту это отношение может быть определено из
условия [1].
|
QS= Q3. |
(1) |
Проводимость
зазора при камерном способе откачки определяется следующим образом:
|
|
(2) |
Это уравнение
позволяет определить оптимальную проводимость зазора между оболочкой и заглушкой
конденсатора при известных температуре обезгаживания прибора, времени подъема
температуры и допустимом давлении в приборе РПР. Учитывая,
что после удаления воздуха из прибора основным источником газовыделения
являются внутренние детали прибора, можно считать, что суммарный газовый поток
равен потоку газовыделения из этих деталей QД. Его величина
составляет примерно 8×10-2
л×Па/с [3].
Время подъема
температуры t обычно
определяется конструктивными особенностями изделия, в данном случае – наличием
металлокерамических спаев и тонких пластин обкладок, подверженных деформации
при большом градиенте температур. Для таких узлов скорость подъема температуры
составляет 10 – 15 град./мин, т.е. время подъема температуры от 293 до 873 К
равно примерно 3600 с. Максимальный газовый поток наблюдается обычно при максимальной
температуре обработки прибора, поэтому время достижения максимальной
температуры подставляется в расчетную формулу. Допустимое повышение давления в
конденсаторе РПР определяется из условия отсутствия пробоя,
величины вакуума и отсутствия окисления внутренней арматуры. Эта величина может
быть принята равной 5×10-2
Па. Проводимость вакуумной системы установки около 400 л/с.
Подставляя
полученные значения в формулу (2), определяем проводимость зазора, при котором
все газы, выделяющиеся из прибора, будут откачиваться вакуумной системой. Она
составляет примерно 1,6 л/с. Разработанная схема камерной откачки через
короткий штенгель обеспечивает величину проводимости U3 около 3 л/с, что создает оптимальные условия
эвакуации газов из внутренней полости конденсатора.

Рис. 2. Образец
для отработки режима герметизации конденсатора диффузионной сваркой: 1 –
макет оболочки; 2 – заглушка; 3
– детали технологической оснастки
Оболочка конденсатора
и заглушка короткого штенгеля изготавливаются из меди МБ. Разработаны режимы
диффузионной сварки образцов меди [1, 2]. Диффузионная сварка образцов
конденсатора (рис.2) осуществлялась в камере серийной установки УДС-2 (рис.3).

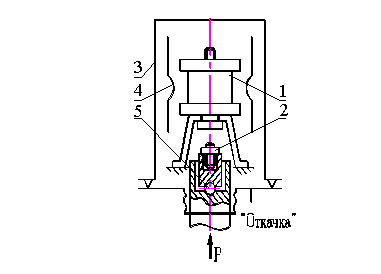
Рис. 3. Схема технологического процесса откачки
вакуумного конденсатора через короткий штенгель: 1 – вакуумный
конденсатор; 2 – заглушка, 3 – технологическая камера; 4 –
нагреватель; 5 – механизм сварки
Учитывая, что
предельное давление в технологической камере обеспечивается параметрами
вакуумной системы установки, а максимальная температура обусловлена конструкцией
конденсатора, режим диффузионной сварки оптимизировался за счет изменения
удельного давления сварки в пределах 15 – 25 МПа. При этом вакуум в сварочной
камере достигал (2 – 5)×10–3
Па, температура сварки составляла 873 ± 10 К.
За критерии
оптимальности режима сварки принималась достаточная прочность соединения и деформация
деталей конденсатора не более 15 – 20%. Прочность сварного соединения
оценивалась путем разрыва образцов.
После
определения оптимального режима диффузионной сварки деталей конденсатора
производилась откачка опытной партии изделий. Во время обезгаживания конденсаторов
периодически (через 30 мин) измерялась величина газового потока из конденсатора
методом накопления [1, 4]. Общее время, необходимое для обезгаживания конденсатора,
определялось расчетно-экспериментальным путем по методике. Критерием годности
откачанных приборов служила величина напряжения на обкладках (до пробоя
межэлектродного промежутка). Напряжение на обкладки конденсатора подавалось
плавно.
Удельное
давление сварки 15 – 22 МПа приводит к получению прочного и вакуумно-плотного
соединения (вакуумная плотность образцов проверялась на течеискателе ПТИ–10).
При времени сварки 2 мин прочность образцов на растяжение составляла 180 – 230
МПа. Увеличение удельного давления до 25 МПа приводит к увеличению прочности
соединения образцов (выше прочности основного материала), но при этом
значительно увеличивается деформация образцов (до 30—40%). Наблюдается также
деформация технологической оснастки, изготовленной из нержавеющей стали
12Х18Н10Т. Разнесение частей прибора позволяет провести процесс диффузионной
сварки при пониженной температуре. Это объясняется тем, что поверхность
свариваемых деталей очищается за счет частичной возгонки окислов при нагреве в
вакууме.
За оптимальный
для данного прибора был принят следующий режим герметизации: температура 873 К,
удельное давление 20 МПа, время сварки 20 мин, давление в технологической
камере 1,2×10–3
Па.
Технологический
процесс вакуумно-термической обработки конденсаторов состоит из операций
нагрева, обезгаживания, герметизации и охлаждения (рис. 4). После загрузки
прибора, герметизации камеры и откачки ее до давления 5×10–3
Па производился нагрев прибора до температуры 923 К со скоростью около 10
град/мин. В процессе откачки наблюдалось незначительное повышение давления при
температурах 473 и 600 К, что объясняется удалением адсорбированных паров воды
и газов с поверхностей технологической оснастки и прибора.
При температуре
923 К прибор обезгаживался. Общее время, необходимое для обезгаживания прибора,
рассчитывалось по формуле (3).
|
|
(3) |
где t1 – постоянная
времени обезгаживания, представляет собой время уменьшения газового потока из
прибора на порядок;
Р0 – начальное равновесное давление,
устанавливающееся в камере при полностью или частично прекращенной откачке;
РПРЕД – предельное
давление, достигаемое в вакуумной системе установки (в технологической камере);
РОСТ – допустимо
остаточное давление в приборе в конце процесса откачки, РОСТ =2×РПРЕД.
Время
уменьшения потока газов из прибора на порядок составляло примерно 0,8 ч,
равновесное давление имело значение 3×10-2
Па, предельное давление в технологической камере 1×10–3
Па.
|
|
|||
Рис.
4. Изменение давления в технологической камере РК, температуры
ТСВ, удельного давления сварки PC, и газовых потоков из технологической
оснастки QФОН и прибора Qg при откачке конденсатора: А – откачка, Б –
нагрев, В – обезгаживание, Г – герметизация; Д
– охлаждение, Е – выгрузка |
С учетом этих
значений общее время обезгаживания конденсатора равно примерно 2,4 ч. Эта величина
практически совпадает с оптимальным временем обезгаживания, определенным
экспериментальным путем (рис. 4).
При
вакуумно-термической обработке конденсатора через каждые 0,5ч прекращалась
откачка и методом накопления определялась величина газового потока.
Экспериментальным
путем находилась сначала величина газового потока из технологической оснастки QФОН, затем
величина газового потока при накачке конденсатора QД.
|
QД = QОБЩ – QФОН. |
(4) |
При
этом делалось допущение, что весь измеренный поток газа выделяется из внутренней
арматуры прибора, площадь которой более чем в 100 раз превышает площадь внешней
поверхности прибора.
Достаточным
считалось время обезгаживания, при котором градиент газового потока DQ/Dt=0, т.е. при
двух последующих измерениях уменьшения газового потока DQД и DQФОН будут равны.
Как для прибора, так и для технологической оснастки, оптимальное время
обезгаживания составило около 3 ч.
После окончания
обезгаживания температура снижалась до 873 К и прибор герметизировался в
течение 20 мин при удельном давлении сварки 20 МПа. Затем нагревательная
система отключалась и происходило естественное охлаждение прибора и оснастки.
Усилие сварки снималось при температуре 573 К, выгрузка прибора из камеры при
температуре 373–400К.
Откачка и
испытание опытной партии конденсаторов показали, что применение разработанной
технологии позволяет получить конденсаторы с высокой электрической прочностью
между обкладками (см. таблицу) при сокращении цикла откачки в 4 – 5 раз. Таким
образом, при установленной мощности установки 12,5 кВт при откачке двух
конденсаторов одновременное снижение энергозатрат составило 33,7 кВт×ч на
изготовление одного прибора.
|
Температура
сварки, К |
Время нагрева, мин |
Время обезгаживания,
мин |
Время сварки,
мин |
Удельное давление
сварки, МПа |
Напряжение пробоя,
кВ |
|
873 |
65 |
180 |
20 |
25 |
22 |
|
873 |
68 |
180 |
20 |
20 |
24 |
|
873 |
55 |
180 |
20 |
22 |
23 |
|
873 |
70 |
180 |
20 |
22 |
20 |
Выводы:
1.
Теоретически и экспериментально обосновано применение камерного
способа откачки вакуумных конденсаторов через короткий штенгель.
2.
Камерный способ откачки вакуумных конденсаторов через короткий
штенгель позволяет на два порядка улучшить условия эвакуации газов из прибора
(при откачке и герметизации диффузионной сваркой на серийном оборудовании).
3.
Использование разработанных режимов позволило повысить электрическую
прочность вакуумного промежутка конденсатора на 10 – 15% при одновременном сокращении
длительности откачки в 4 – 5 раз, что
привело к снижению энергозатрат на 33,7 кВт×ч при
изготовлении одного прибора.
4.
Для оборудования с диффузионным насосом оптимальным режимом
откачки и герметизации является следующий: ТСВ=873 К, время
нагрева – 68 мин, время обезгаживания – 180 мин, время сварки – 20 мин,
давление сварки — 20 МПа, давление в технологической камере – 1,2×10–3
Па.
Литература:
1.
Антонов В. А. Технология производства электровакуумных и
полупроводниковых приборов. - М.: Высшая школа, 1980. – 368 с.
2.
Дэшман С. Научные основы вакуумной техники.– М.: Мир, 1964.
- 715с.
3.
Конструирование и расчет вакуумных систем/Пипко А. И., Плисковский
В. Я., Пенчко Е. А. - М.: Энергия, 1970. – 504 с.
4.
Волчкевич А. И. Кинетика обезгаживания материалов в вакууме
ДЭ-712. – М.: ЦНИИ «Электроника», 1973.— 15 с.