УДК 625.282
Айтматов Ж.Г. - магистрант (г. Алматы, КазАТК им.
М.Тынышпаева)
Утаров
О.К. - магистрант (г. Алматы, КазАТК им. М.Тынышпаева)
Кожамбердиев К.О. – к.т.н., доцент (г. Алматы, КазАТК
им. М.Тынышпаева)
Испытание тяговых
электрических двигателей методом взаимной нагрузки
В соответствии с видом испытаний электрических машин должно
подбираться оборудование испытательных станций, оснащение измерительными
средствами и средствами контроля после ремонта. Исходя из объема и программы
испытаний испытательные станции обеспечивают соответствующим обслуживающим
персоналом [1].
Для испытаний электрических машин
применяют различные методы. Одним из наиболее простых является метод
непосредственной нагрузки. Для этого две электрические машины соединяют
механически с помощью муфт или других устройств. Одна из машин работает в
режиме генератора, являющегося нагрузкой двигателя. Генератор имеет независимое
возбуждение, а в цепь якоря включают нагрузочный резистор. Изменение нагрузки
происходит в результате регулирования тока возбуждения генератора, а изменение
частоты вращения осуществляется путем изменения напряжения на двигателе или
изменением тока нагрузки.
Метод непосредственной нагрузки
позволяет использовать электровозное оборудование, что дает возможность
проводить испытание в различных режимах, близких к режимам эксплуатации. Кроме
того, испытательный стенд с реальными параметрами повышает качество проводимых
исследований переходных процессов в цепи тяговых двигателей, их защиты,
исследования коммутации и др [2].
Целесообразно применять данный
метод отдельных режимах и при
квалификационных испытаниях тяговых двигателей.
Основным недостатком метода является
его неэкономичность, так как потребляемая из сети мощность составляет примерно 1,5Pном испытываемого
двигателя, большая часть которой рассеивается в виде тепла в нагрузочных
резисторах в цепи генератора. По этой причине для испытаний двигателей в депо
этот метод не применяют, а используют его только для испытаний вспомогательных
машин.
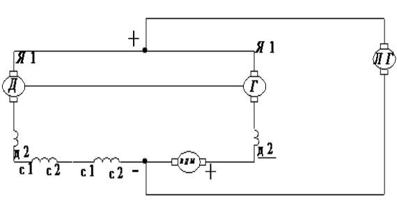
Испытание тяговых двигателей в депо
в основном проводят по методу взаимной нагрузки, сущность которого заключается
в том, что две однотипные машины соединяют не только механически, но и
электрически. Одна из машин работает в режиме двигателя, другая в режиме
генератора (Рисунок 1, а). Ток нагрузки при таком включении тяговых двигателей
будет определяться соотношением
Id=(Eг-Eм)/∑r=∆E/∑r,
(1)
Где Еr-э.д.с. генератора;
Ем-э.д.с. двигателя;
∑r−общее сопротивление цепи.
В случае однотипных двигателей
∆Е=0,следовательно,и ток в цепи будет равен нулю.
Для создания избыточной э.д.с.
∆Е последовательно с генератором включает вольтодобавочную машину ВДМ,
которая компенсирует потери в данной цепи. Изменяя напряжение на ВДМ с помощью
тока возбуждения, можно изменять ток нагрузки испытываемых машин. Однако при
увеличении тока в цепи машины останутся неподвижными из-за равенства встречно
направленных моментов на валах обеих машин. Для вращения машин необходимо
сообщить двигателю добавочный момент ∆М, который должен компенсировать
тормозной момент Мт, возникающий в испытываемых машинах от
механических потерь, т.е. должно соблюдаться условие
∆М=Мм-Мт,
(2)
Где
Мм-вращающий момент двигателя.
Такой момент создается за счет
электрической энергии, подводимой к двигателю от линейного генератора ЛГ.
Изменяя напряжение на ЛГ, изменяют и частоту вращения испытываемых двигателей.
Потребляемая из сети ВДМ и ЛГ
мощность составляет примерно 25% номинальной мощности испытываемого двигателя.
Незначительное потребление электроэнергии является основным преимуществом
метода взаимной нагрузки, благодаря чему он широко применяется для испытаний
тяговых двигателей в депо и на ремонтных заводах.
В рассмотренном варианте метода взаимной нагрузки основную часть
дополнительного оборудования составляют вращающиеся электрические машины (ВДМ,
ЛГ, возбудители, а также различные электродвигатели).
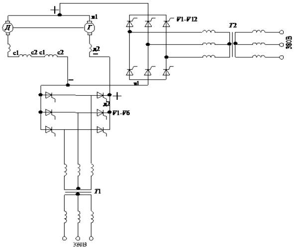
С появлением управляемых
полупроводников (тиристоров) появилась возможность замены вращающихся машин
статическими преобразователями (Рисунок 1, б).
Вместо вольтодобавочной машины
устанавливают понижающий трансформатор Т1, включенный в трехфазную сеть.
Напряжение на трансформаторе изменяется в соответствии с углом регулирования
тиристоров V1-V6.На вторичной стороне
трансформатора напряжение выпрямляется и подается в цепь испытываемых машин.
Выпрямление трехфазного тока по
мостовой схеме дает возможность получить напряжение с небольшим коэффициентом
пульсации (около 6%).Аналогичный преобразователь с повышающим трансформатором
Т2 и тиристорами V7-V12 устанавливают вместо
линейного генератора.
а)

б)

Рисунок 1. Схемы испытаний тяговых двигателей методом
взаимной нагрузки с использованием вращающихся машин (а) и полупроводниковых
преобразователей (б)
Использование тиристорных [3]
преобразователей
позволяет по сравнению с вращающимися
машинами облегчить управление процессом испытаний, автоматически
поддерживать заданные режимы, повысить регулировочные способности испытательных
стендов. Существенными преимуществами схемы являются ликвидация шума,
создающегося вращающимися машинами, а также уменьшение площади, занимаемой
оборудованием испытательной станции.
Появились разработки различных вариантов
испытательных станций по методу взаимной нагрузки с питанием от контактной сети
переменного тока напряжением 25кВ. В этих станциях используется в основном
электровозное оборудование, что является их значительным преимуществом. Кроме
того, включение контактную сеть 25кВ позволяет разгрузить деповскую сеть 0,4
кВ, ограничивающую испытательные станции по потребляемой мощности.
Для более достаточного плавного регулирование
напряжения вместо тиристорных преобразователей можно устанавливать IGBT
преобразователей.
Литература
1. Волков В. К. Новые устройство
диагностики тяговых двигателей электроподвижного состава. М.: Транпорт, 1985. 64 c.
2. Щербаков В.Г. Тяговые электродвигатели электровозов. – Новочеркасск:
Агентство Наутилиус, 1998.- 672с.
3. Герман-Галкин С.Г., Карданов Г.А. моделирование полупроводниковых систем в
МАТLAB 6.0. – CПБ.: КОРОНА принт, 2001.
– 320 с.