УДК
532.138
МЕТОДАМИ ФОТО- И СКОРОСТНОЙ КИНОСЪЕМКИ ИССЛЕДОВАНИЕ ГИДРОДИНАМИКИ
СЛОЯ ДИСПЕРСНОЙ ФАЗЫ
ТарГУ им. М.Х.Дулати
кандидат технических
наук А.К.Тасыбаев
кандидат
технических наук Г.С.Боранкулова
Для исследования физической
картины стадии образования капель, а также для количественной оценки
распределение капель по размерам и начальным скоростям применялась фото- и
скоростная киносъемка.
Фотографирование велось при постоянном боковом освещении
объекта ртутной лампой мощностью 1 кВт на пленку Т-42.
Ввиду того, что применение
фото- и скоростной киносъемки предъявляет специфические требование к условиям
проведения исследуемого процесса, трудно реализуемые на экспериментальном
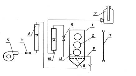
стенде, была изготовлена вспомогательная установка, схема которой приведена на
рис. 1.
Установка включает
измерительную ячейку квадратного сечения 100x100 мм 1 с прозрачными стенками из оргстекла, по
высоте которых выполнен ряд окон 2.
Воздух в ячейку подается с
помощью газодувки 3. Расход воздуха задается с помощью задвижки 4 и
регистрируется с помощью ротаметра РМ-40 5.
В нижней части ячейки
расположена сетчатая тарелка 6. Жидкость в ячейку подается из напорного сосуда
Бойля 7 и отводится в канализацию через сливное устройство 8. Расход ее
задается с помощью вентиля 9 и регистрируется с помощью ротаметра РС-3 10.
Сбоку от ящейки расположена осветительная лампа 11. Непосредственно у верхней
границы барботажного слоя натянута контрольная проволка 12, которая служит в
качестве точки отсчета расстояния и эталона диаметра при обработке кино и
фотопленки.
Расстояние между объективом и
объектом съемки составляло от 0.5 до 2 м.
Для экспериментального
определения вида зависимости D3хn(D)=const, mх2(D)/2=mgh использовалась киносъемка с
помощью скоростной киносъемочной камеры. При этом использовалась
кинонегатив-А2, чувствительностью 400 ед. Частота съемки составляла 1000-2000
кадров в секунду.
Замедленный просмотр отснятой
кинопленки производился при частоте 50 кадров в секунду.
При обработки снимков
охватывались капли диаметром от 0,5 до 6 мм.
Вертикальная составляющая
начальной скорости капель определялась по смещению ее изображения на различных
кадров кинопленки относительно изображения контрольной проволки.
Рис. 1. Схема установки для
проведения исследований методами фото- и скоростной киносъемки.
1-ячейка; 2-окно; 3-газодувка;
4-задвижка; 5, 10-ротаметры; 6-ситчатая тарелка; 7-сосуд Бойля; 8-сливное устройство; 9-вентиль; 11-осветительная
лампа; 12-контрольная проволока.
Результаты измерения
зависимости начальной скорости капель от диаметра при различных скоростях газа
приведены на рис. 2.
Приведенные результаты
обобщены с помощью ЭВМ выражением:
D3х6 = A+ВW6 (1)
Численные значения констант А
и В для системы воздух-вода и растворов веществ, приведенных в таблице 1
составляют соответственно: А=2,89*10-9 м9/с6;
В=9,53*10-11 м8/с5.
Уравнение (1) с максимальной
относительной погрешностью 15% описывает экспериментальные данные.
Как видно из приведенных
графиков[1-4], геометрия контактного устройства существенно влияет на вид
профилей уноса. Влияние это проявляется через локальное значение скорости
газовой фазы на данном участке барботажного слоя, что подтверждают и авторы
работ [1,2].
Кроме того, геометрия
контактного устройства определяет профиль верхней

Рис. 2. Зависимость начальной скорости капли от их диаметра:1-10%-
водный раствор КСl; 2-водный раствор капроновой кислоты, 2,32 г/л; 3-вода.
границы барботажного слоя. Среди
прочих контактных устройств наибольшей неравномерностью распределения газовой
фазы по тарелке и профиля верхней границы барботажного слоя отмечается
колпачковая тарелка, которая имеет самый неравномерный профиль уноса.
Для оценки влияния скорости
газа и высоты сепарационного пространства на величину уноса для различных типов
контактных устройств по полученным профилям локального уноса определялись
среднеинтегральные значения уноса на высоте, соответствующей межтарельчатому
расстоянию.
На рисунке 3 приведены
графики зависимости среднеинтегральных значений уноса от скорости газа для
различных типов контактных устройств, построенное в логарифмических координатах.
При распространении полученных результатов на реальные
объекты необходимо учитывать дополнительные факторы. Так, при расчете
межтарелчатого уноса с ситчатой тарельки необходимо привлекать дополнительную
информацию о зависимости высоты барботажного слоя от расходных характеристик,
которое имеется, например, в литературных источниках[3-5].
Что касается геометрии барботажных устройств, то на стадии диспер-гирования капель ее влияние проявляется,
главным образом, через равномерность профиля скорости воздуха в барботажном слое.

Рис. 3. Зависимость интегрального уноса от скорости газовой фазы для
различных типов тарелок: 1-ситчатая тарелка; II-низкопрофильная колпачковая
тарелка; III-тарелка ТСК-1.
С помощью построенных
графиков устанавливались показатели степени n в уравнении:
e=f(Wn)
(2)
которые использовались в
дальнейшем для идентификации разработанных математических моделей.
Литература
1.
Поплавский Ю.В. Определение количества жидкости,
уносимой в тарелчатых колоннах//Химическая промышленность. -1961.-№4.с.57-58.
2.
Сум-Шик
Л.Е. Исследование ректифицирующей способности инжектора с диспергированием
жидкости: Автореф. дис. канд. техн. наук М., 1965.-19 с.
3. Каган А.М. , Гельперин
И. И., Шишко Э. Н., Пальмов А. А. Влияние диаметра колонны с ситчатыми
тарелками на межтарельчатый унос жидкости //Химическая промышленность. - 1982.
- N4. -С. 45-47.
4.
Розен
А. М., Весновский В. С., Красиков А. Н. Унос жидкости с клапанных и
ситчатых тарелок //Теор. основы хим. технол. -1978,- Т. 12, N 1.- С. 84-90
5. Павлов В.П., Трубкин
В.Е. Определение запаса жидкости на ситчатых тарельках с защищенным
переливом//Химическая промышленность.-1970.-№3.-с. 217-219