Технические науки/12. Автоматизированные
системы управления на производстве
Кошеков К.Т., Гурин Н.Ю.,
Астапенко Н.В., Кашевкин А.А.
Северо-Казахстанский Государственный
Университет имени Манаша Козыбаева, г. Петропавловск, Республика Казахстан
Преимущества
реализации автоматизированной системы
управления зернохранилищем на базе ПЛК
Автоматизация – это наука изучающая процессы управления
техническими и технологическими процессами. Основной целью многих схем
автоматизации является освобождение человека от процесса управления, мониторинг
и дистанционное управления. Сегодня в аграрном секторе многие схемы
автоматизации реализованы на базе релейной логике.
При
построении схем автоматизации на базе релейной логике, алгоритм управления
процессом строится на определенной последовательности контактов аппаратов и
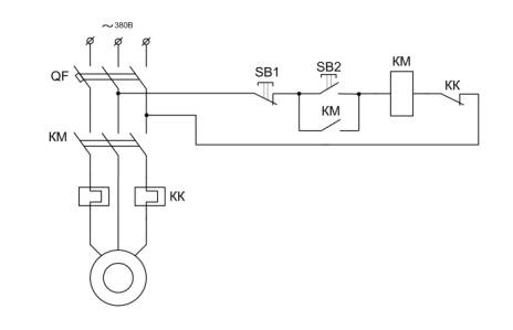
приборов. Пример схемы управления
электрическим двигателем логики на базе стандартной
схемы запуска асинхронного двигателя с короткозамкнутым ротором при помощи
магнитного пускателя приведен на рисунке 1.

Рисунок
1 – Принципиальная схема управления электрическим двигателем на базе
релейно-контактной логики
По своей
природе релейный контакт является дискретным сигналом, а дискретные сигналы
имеют 2 устойчивых состояния: логический 0 (контакт разомкнут) и логическая 1
(контакт замкнут). Когда необходимо организовать мониторинг процессов и явлений
либо плавное регулирование процесса, возникает ряд проблем. Дело в том что
каждое промежуточное значение величины, либо сигнал на аппаратном уровне
обеспечивается контактом какого-либо прибора. Еще большие проблемы возникают
при организации мониторинга и дистанционного управления. Мониторинг схем
автоматизации реализованных на безе релейно-контактной логики может быть
выполнен только в виде мнемосхемы с сигнальными приборами. Конечно же данные схемы
имеют свое место в производстве, но при существенном увеличении сигналов
построение автоматизации на базе релейно-контактных схем не имеет смысла.
Данная научная работа
рассматривает вопросы о внедрении инновационных схем управления реализованных
на базе программируемых логических контроллеров (ПЛК). Аграрный сектор
предоставляет все новые требования к организации производства, с которыми
старые схемы подчас не справляются.
При построении систем
автоматизации на базе применения ПЛК, он отвечает за построение алгоритма
управления или регулирования. В данной научной работе за основу принят
контроллер ПЛК 160. Контроллер ПЛК 160 имеет возможность контролировать не
только дискретные сигналы, но и аналоговые, что существенно уменьшает
количество воспринимающих органов (датчиков) при большом количестве сигналов.
Так например за контролем емкости заполнения бункера при промежуточных уровнях
не нужно устанавливать дополнительные датчики, а всего лишь нужно дополнить
программу управления. Например датчик уровня зерна в бункере имеет
унифицированный токовый сигнал 4-20мА (так называемая «токовая петля») нижний уровень имеет сигнал 4мА, а верхний сигнал
20мА, все остальные промежуточные уровни устанавливаются в диапазон от 4 до
20мА. Еще одним преимуществом данного интерфейса является быстрое определение
обрыва контрольного провода, в этом случае ток в петле будет составлять 0мА.
Основным достоинством схем автоматизации на ПЛК является мониторинг. Огромное
количество протоколов позволяет организовать связь с большим количеством
периферийных устройств. Для мониторинга за технологическими процессами
зернохранилища предусмотрена установка панели оператора типа ИП 320. На рисунке
2 предоставлена схема подключения ПЛК с ИП320.
Рисунок
1 – Схема подключения ИП320 к ПЛК160
Еще одним важным
преимуществом проектирования схем на базе ПЛК, является возможность интеграции
в существующую схему управления. Например, зернохранилище схема автоматизации,
которого реализована на базе контактов реле. При установке контроллера
потребуется только дополнительное подключение выходных релейных контактов ПЛК к
катушкам реле и контакторов.
Таким образом
предложенная схема автоматизации позволит повысить уровень автоматизации
производства, обеспечить качественный мониторинг и контроль параметров
требуемых величин. А возможность интеграции ПЛК в существующие схемы
управления, позволит создать гибкую структуру автоматизации и мониторинга зернохранилища.