ПРИМЕНЕНИЕ МЕТОДА ОБРАТНОГО РАССЕЯНИЯ ДЛЯ УЛОЖЕННОГО В ТРАНШЕЕ
ОПТИЧЕСКОГО КАБЕЛЯ
Джанузакова Р.Д.
Измерение затухания осуществляется на всех стадиях
производства оптического кабеля, строительства и эксплуатации ВОЛС. Все методы
измерения затухания в оптических волокнах делятся на две группы: методы
светопропускания и методы обратного рассеяния. Измеряют коэффициент затухания
оптического кабеля, затухание строительных длин, затухание смонтированного
участка регенерации, затухание разъемных и сварных соединений ОВ.
Если кабель уложен в траншее, т.е. оба его конца
разнесены, то измерение по методу двух точек усложняется, так как его должны
проводить два оператора у концов кабеля. При этом необходимо, чтобы измерители
мощности, разнесенные по концам кабеля, имели бы идентичные параметры. В
подобных случаях более удобными являются методы, обеспечивающие измерение при
одностороннем доступе.
В основе метода обратного рассеяния
лежит явление обратного рэлеевского рассеяния. При реализации этого метода
измеряемое волокно зондируют оптическими импульсами, вводимыми в ОВ через
оптический направленный ответвитель. Из-за флюктуаций показателя преломления
сердцевины вдоль волокна, отражений от рассеянных и локальных неоднородностей,
распределенных по всей длине волокна, возникает обратный поток энергии.
Мощность этого потока, измеренная в точке ввода оптических зондирующих
импульсов в волокно с некоторой задержкой t относительно момента посылки
зондирующего импульса, пропорциональна мощности обратного потока энергии в
точке кабеля, расположенной на расстоянии
lx = tv /
2
от места измерения, где v
— групповая скорость распространения оптического импульса. Соответственно,
при измерении с конца кабеля зависимости мощности обратного потока энергии от
времени определяется распределением мощности обратно рассеянного оптического
сигнала вдоль кабеля — характеристика обратного рассеяния волокна. По этой
характеристике можно определить функцию затухания по длине с конца кабеля,
фиксировать местоположение и характер неоднородностей. Как правило,
регистрируют отдельные реализации характеристики обратного рассеяния, а затем
их усредняют во времени и уже усредненные значения выводят на устройство
отображения.
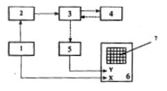
Упрощенная структурная
схема измерения затухания методом обратного рассеяния приведена на рис.1.

Рис. 1 - Структурная
схема измерения затухания ОВ методом обратного рассеяния
Зондирующие
импульсы поступают от источника излучения 2 через направленный ответвитель 3 в
оптическое волокно 4. Поток обратного рассеяния регистрируется в чувствительном
фотоприемном устройстве 5 и преобразуется в электрический сигнал, который после
специальной обработки в блоке б подается на вход устройства отображения 7. При
использовании в качестве устройства отображения электронного осциллографа этот
сигнал вызывает соответствующее отклонение луча по оси У на экране.
Вертикальная ось экрана градуируется в децибелах по мощности (дБм). Отклонение
луча по горизонтальной оси Х происходит под действием пилообразного напряжения
генератора развертки осциллографа.
Вследствие
этого положение луча по оси Х изменяется в
зависимости от времени запаздывания сигнала t. Зная групповое время
запаздывания оптического сигнала в сердцевине ОВ, можно осуществить градуировку
горизонтальной оси в единицах длины для измеряемого типа ОВ. Блок управления 1
обеспечивает согласованную работу лазера и электронного осциллографа. В
результате генератор развертки, запускаемый тем же импульсом, что и леер,
создает возможность наблюдения потока обратного рассеяния или полностью, или по
частям. Блок управления осуществляет регистрацию и занесение в память
реализации временных характеристик мощности обратного рассеяния и их
усреднения.
Рефлектограмма
на экране осциллографа строится по усредненной временной характеристике. Кроме
того, указанный блок управляет работой рефлектометра по заданной программе,
обрабатывает данные, а также выполняет ряд сервисных функций. Как правило,
типичный комплект оптического рефлектометра включает базовый блок и набор
сменных блоков, каждый из которых работает на определенных длинах волн (0,85 мкм;
1,3 мкм; 1,55 мкм) и имеет свои характеристики.
Рассмотрим
принцип измерения коэффициента затухания ОВ по характеристикам обратного
рассеяния. Согласно рис.1. на линейном монотонном
участке характеристики волокна выделяют две точки, в которых измеряют уровни
мощности обратного потока энергии p1 и р2. Расстояния от начала
линии до этих точек l1 и l2. Коэффициент затухания определяется
по формуле:
α = (р1-
р2) ( l2 – l1)
Принцип
измерения собственного затухания определенной длины ОВ на участке между интересующими
точками оптической линии тот же, что и для измерения коэффициента затухания. Но значение собственного затухания определяетс из выражения:
αl = р1-
р2
В
режиме измерения затухания все операции, за исключением операции размещения
двух маркеров, производятся автоматически и значение затухания оптической линии
на участке между маркерами выводится на отображающее устройство.

Рис.
2 –
Размещение маркеров при измерении коэффициента затухания ОВ методом обратного
рассеяния
Изменение
модового состава оптического излучения и отражения в месте соединения приводят
к искажениям рефлектограммы в некоторой зоне вблизи места соединения. Протяженность
этой зоны достаточно велика (100...200 м), поэтому оценки затухания стыка,
полученные непосредственно как разность результатов измерения обратно
рассеянной мощности до и после стыка, имеют большую погрешность, которая может
достигать 100% и более.
Участки
характеристики обратного рассеяния ОВ в строительных длинах до и после стыка
аппроксимируются известной зависимостью, например линейной зависимостью,
полиномами и т. п. Затем путем экстраполяции в первом случае вперед, а во
втором случае назад, оценивают уровни мощности обратного потока энергии в ОВ в
конце первой (р1) и начале второй (р2) сращиваемых строительных
длин, т. е. в месте стыка. Затухание на стыке оценивают как разность:
ac =p1 – p2
Как правило, рефлектометром автоматически измеряется
затухание соединения ОВ.
Метод обратного рассеяния требует применения
специальных дорогостоящих средств измерения оптических рефлектометров.