К.т.н., доц. Володченко А.Н.
Белгородский государственный технологический
университет
им. В.Г. Шухова, Россия
ВЛИЯНИЕ ГЛИНИСТЫХ МИНЕРАЛОВ НА СОСТАВ
НОВООБРАЗОВАНИЙ АВТОКЛАВНЫХ
СИЛИКАТНЫХ МАТЕРИАЛОВ
Одним из наиболее распространенных
стеновых материалов, используемых в современном строительстве, являются
автоклавные силикатные материалы. Для решения задач совершенствования
технологии их производства с целью сокращения энергозатрат на производство и
повышения качества необходим переход от традиционного сырья к получению
композиционного вяжущего на основе нанодисперсного сырья, которое способствует
синтезу цементирующих веществ оптимальной микроструктуры.
Экспериментально подтверждена возможность
управления синтезом новообразований для получения материалов с заданными
свойствами за счет использования в качестве сырья глинистых пород незавершенной
фазы процессов глинообразования [1, 2]. Такие породы широко распространены, а
также в больших количествах попутно извлекаются при добыче полезных ископаемых.
Глинистые
породы имеют сложный минеральный состав, в который входят глинистые минералы,
кварц различной дисперсности, аморфная фаза. Особый интерес вызывает влияние
мономинеральных глин на процессы гидротермального твердения и состав новообразований
известково-песчаных материалов, а также роль кварца различной дисперсности.
В работе использовали каолинит Глуховецкого месторождения и Черкасский бентонит (монтмориллонит). Содержание глин в известково-песчаной смеси составляло 5–50 мас. %, содержание активной CaO – 8 мас. %. Образцы подвергали автоклавной обработке по режиму 1,5–6–1,5 ч при давлении пара 1 МПа. Результаты экспериментов представлены в табл. 1.
Таблица 1
Физико-механические свойства силикатных материалов
в зависимости от содержания глины
|
Глина |
Предел
прочности при сжатии (МПА) при содержании глины, мас. % |
||||||
|
0 |
5 |
10 |
20 |
30 |
40 |
50 |
|
|
Каолинит |
17,8 |
9,2 |
9,0 |
17,9 |
17,9 |
17,9 |
17,8 |
|
Монтмориллонит |
17,8 |
10,8 |
17,2 |
19,5 |
28,1 |
35,0 |
39,0 |
Содержание в
сырьевой смеси каолинита 5–10 мас. % вызывает снижение предела прочности при
сжатии с 16,7 до 9,0 МПа. С увеличением содержания глины прочность повышается
до прочности контрольных образцов. Монтмориллонит в количестве 5 мас. % также снижает
прочность. С увеличением его содержания до 50 мас. % прочность повышается и достигает
39,0 МПа.
Изучение
состава цементирующего соединения методами термографического и рентгенографического
анализа показало, что в образцах с каолинитом образуются гидрогранаты и
гидросиликаты кальция, причем с увеличением содержания каолинита количество
гидрогранатов возрастает. В образцах с содержанием каолинита 5–10 мас. %
остается свободный гидроксид кальция, который исчезает при увеличении
содержания глины до 20 мас. %. Монтмориллонит способствует синтезу
преимущественно низкоосновных гидросиликатов кальция, которые обеспечивают
образцам высокую прочность. Гидрогранаты образуются в небольшом количестве. В
образцах с содержанием монтмориллонита 5 мас. %, как и в случае с каолинитом,
остается свободный Ca(OH)2.
Наличие свободного
гидроксида кальция при небольшом содержании глин связано с недостаточным для их
взаимодействия количеством, так как Ca(OH)2 в
известково-глино-песчаной смеси взаимодействует главным образом с глинистыми
минералами. Соответственно прочность снижается в результате уменьшения
количества новообразований за счет неполного связывания извести.
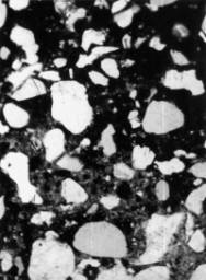
Микроскопические
исследования шлифов известково-песчаных образцов показали, что на поверхности
зерен кварца находятся образования, имеющие размытый характер (рис. 1, а). Это свидетельствует о том, что
цементирующие соединения образуются за счет реакции извести как с тонкодисперсным,
так и с крупнодисперсным кварцем заполнителя. В образцах с содержанием
глинистой породы (рис. 1, б, в) поверхность многих мелких частиц кварца
подвержена коррозии и по краям окружена гелеобразной пленкой. Крупные же
кварцевые зерна почти не затронуты коррозией.


а б в

а
– известково-песчаные; содержание глины,
мас. %: б – 10; в – 30
Таким
образом, в известково-песчаной смеси с содержанием глинистых
минералов цементирующие соединения образуются преимущественно за счет взаимодействия
гидроксида кальция с глинистыми минералами и частично тонкодисперсным кварцем.
Литература:
1. Лесовик В.С. Повышение эффективности
производства строительных материалов с учетом генезиса горных пород: научное
издание. – М.: Изд-во АСВ, 2006. – 526 с.
2.
Володченко А.Н., Лесовик В.С., Алфимов С.И., Володченко А.А. Регулирование свойств
ячеистых силикатных бетонов на основе песчано-глинистых пород // Известия вузов.
Строительство. – 2007. – № 10. – С. 4–10.