СИСТЕМА УПРАВЛЕНИЯ ШЕСТИСТУПЕНЧАТЫМ
КОМПЕНСАТОРОМ РЕАКТИВНОЙ МОЩНОСТИ
Герман О. Ю., Волков А. В.,Майоров В. Е., Теплухов Д. Ю.
ГОУВПО «Мордовский государственный университет им. Н. П. Огарева»,
г. Саранск
E-mail: shefzt@rambler.ru
Аннотация:
Разработка систему управления шестиступенчатым
компенсатором реактивной мощности.
Ключевые
слова: компенсация реактивной
мощности, микропроцессорная система, энергоэффективность, коммутация ступеней.
Постановка
задачи
В современном мире стоит проблема повышение качества
электроэнергии без потери мощности в сетях переменного тока. В связи с этим
существуют различные способы и методы повышения качества параметров электросети
работающие на различные типы нагрузки ( выпрямители для гальванических ванн,
тяговые подстанции, дуговые плавильные печи и т.д).
Рассмотрим наиболее часто встречающейся случай
цеховых сетей, работающих с различными устройствами преобразовательной
аппаратуры, как например: электрические машины, выпрямители, инверторы,
потребляющие значительную мощность из сети. Все выше указанные потребители при
работе производят сброс части потребляемой энергии в сеть, что отрицательно
сказывается на потребителях, ухудшая
гармонический состав что снижает cosφ [1].
Существует три основных способа увеличения
коэффициента мощности
- компенсация за счет перевозбужденной синхронной
машины на холостом ходу
- за счет транзисторных корректоров коэффициента
мощности
- индуктивно – емкостная компенсация коэффициента
мощности
Выбор и решение
поставленной задачи
Более
подробно рассмотрим индуктивно-емкостной компенсатор реактивной мощности,
который основан на выравнивании угла между тока и напряжения с помощью
косинусных конденсаторов и индуктивностей, работающих в режиме фильтра высшей гармоник.
Анализ
стандартных схемотехнических решений индуктивно-емкостных компенсаторов
реактивной мощности показал, что использование статических и динамических
компенсаторов имеет ряд существенных недостатков:
-
достаточно высокий коммутационный ток в статических компенсаторах
-
резкое снижение надёжности динамических компенсаторов за счет возникновения
лавинного тока при включении тиристоров в ступенях
-
наличие большого числа фильтра высших гармоник и числа коммутирующих элементов.
Исходя
из выше сказанного, был разработан патент RU №2210156 [2] и система
микропроцессорного управления шестиступенчатым компенсатором реактивной
мощности, в котором отсутствуют вышеперечисленные недостатки.
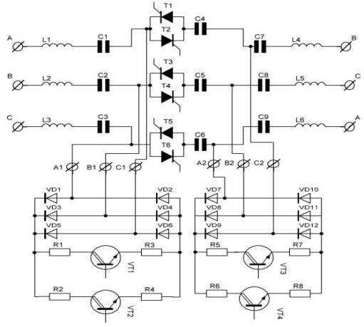
На
рисунке 1 представлена схема силовой части шестиступенчатого компенсатора
реактивной мощности, состоящего из трёх батарей конденсаторов различной
ёмкости, элементов коммутации выполненных на не полностью управляемых вентилях T1-T6 и диодно-
транзисторных коммутаторов выполненных
на элементах VD1-VD12 и VT1-VT4, фильтры высших гармоник L1-L6.

Рисунок 1. Схема силовой части шестиступенчатого компенсатора реактивной мощности
Переключение
первой ступени осуществляется за счет работы диодно-транзисторного коммутатора
(VD1-VD6, VT1,VT2) в активный
режим, что позволяет перевести схему в режим компенсации. Вторая ступень
работает аналогичным образом, только производится коммутация элементов (VD7-VD12, VT3,VT4). Третья
ступень основана на включении тиристоров T1-T6 в моменты
перехода фазы через ноль. Оставшиеся три ступени являются комбинацией
переключения первых трех [3].
Чтобы
получить следующий алгоритм управления шести ступенчатого компенсатора
реактивной мощности необходимо использовать разработанную микроконтроллерную
систему управления. На рисунке 2 представлена структурная схема реализации
микроконтроллерной системы управления. В данной системе использовался
микроконтроллер Atmega128 фирмы Atmel. Основными элементами схемы являются датчики тока и
напряжения, драйверы управления тиристорами и IGBT транзисторами, устройство ввода/вывода и устройство
связи с ПК позволяющим задавать параметры компенсации на различную нагрузку.
Описанная
структурная схема может работать в двух режимах, без помощи оператора и с
помощью, через интерфейс RS232 на ПК, так
же возможно осуществление удаленного доступа к системе компенсации реактивной
мощности через интерфейс RS485.

Рисунок 2. Структурная схемы
микроконтроллерной системы управления компенсации реактивной мощности.
Разработанная
микроконтроллерная система управления отличается от существующих наличием ряда
особенностей:
- низкая цена по сравнению с существующими аналогами;
- простота реализации системы управления;
- особенности управления силовой части, (мягкое
включение ступеней).
Проведенные
исследования показали возможность использования данной системы в различного
рода сетях переменного тока, работающего на различные типы нагрузок,
обладающего наилучшими параметрами по сравнению с существующими аналогами.
Вывод
На сегодняшний день подобные системы в РФ используются
не повсеместно, а применяются в сетях с напряжением с выше 6кВ. Данная
разработка позволяет решить проблему использования компенсаторов реактивной
мощности, рассчитанные на низкое напряжение и большие токи. По сравнению с
существующими аналогами, выпускаемыми на ближнем и дальнем зарубежье, данный
комплекс отличается рядом технических решений, как в области силовой
электроники, так и в области микропроцессорных систем управления.
Внедрение
таких систем в дальнейшем существенного увеличит экономическую эффективность и
улучшит параметры питающих сетей, что повысит время наработки питаемого
оборудования и его надежность.
Список
использованной литературы.
1.
Железко Ю.С. Компенсация реактивной мощности и повышение
качества электроэнергии-М.: Энергоатомиздат, 1985.-224 с.
2.
Игольников
Ю. С. Система компенсации реактивной
мощности. Патент RU №2210156: Опубликовано 15.02.2007г
3.
Игольников Ю.С., Герман О.Ю. Шестиступенчатый
компенсатор реактивной мощности с микропроцессорной системой управления. Журнал
«Промышленная энергетика» №1 2013г.