Анализ
конструкции измерительных блоков оптических преобразователей температуры
Рассмотрены
измерительные блоки оптических преобразователей температуры. Приведены конструкции
оптических преобразователей температуры и проведен их анализ.
Температура является важнейшим параметром
множества технологических процессов. Необходимость контроля температуры
ответственных механизмов, рабочих тел, а также допустимых температур при работе
двигателей, генераторов, приводного оборудования, трансформаторов и т.д.
обуславливает применение высокотехнологичных решений в измерении температуры. Температура
измеряется с помощью контактных и бесконтактных (дистанционных) методов. Среди
контактных наибольшее распространение получили термисторы, кремниевые датчики,
термопары, а среди дистанционных – оптические преобразователи температуры или
пирометры. Однако вследствие постоянного усложнения технологических процессов
уменьшается применение контактных методов и все больше возрастает необходимость
использования дистанционны методов, а именно пирометров. Развитие электроники
послужило основой существенного прогресса в области пирометрии. В настоящее
время получили распространение существующие на сегодняшний день оптические
преобразователи температуры. Но в ряде случаев не в полной мере отвечают
предъявляемым им требованиям: высокой точности измерения, скорости измерения,
размерам прибора, устойчивости шумам и помехам, простоте реализации и
чувствительности.
В связи
с этими требованиями необходима разработка и исследование преобразователя
температуры дистанционного измерения. Важной задачей является совершенствование
измерительного блока такого преобразователя. Задача совершенствования
существующих измерительных блоков является актуальной задачей и требует
скорейшего решения.
Решение данной проблемы рассматривалось в
ряде работ. В патенте [1] рассмотрен способ пирометрических измерений.
Измерительный блок здесь состоит из анализатора-6, фотоприемника (фотодиода)-7,
усилителя фототока-8, аналого-цифрового преобразователя-9, компьютера-10 (рис.1).
Рисунок 1 – Измерительный блок
пирометра
Тепловое излучение через входное устройство 1
(объектив, световод) проходит через поляризатор 2 и попадает на вход
акустооптического блока 3, представляющего из себя двулучепреломляющий кристалл
(например, парателлурита ТeО2). На источник ультразвука 4
подается высокочастотный сигнал от генератора 5. С выхода акустооптического
блока излучение с требуемой длиной волны, пройдя через анализатор 6, попадает
на фотоприемник (фотодиод) 7; фототок усиливается в усилителе 8,
преобразовывается в аналого-цифровом преобразователе 9 и подается на компьютер
10.
По
значениям логарифмов спектральных составляющих на крайних (первой и третьей)
длинах волн измеряется температура спектрального отношения. Если точнее, то корректирующую
поправку ln
1/
2 обратного значения температуры спектрального отношения для определения
обратного значения искомой истинной температуры можем вычислить по величине
трех пирометрических сигналов в виде:
, (1)
где
1,
3
- произведения коэффициентов спектральной излучательной способности и
пропускания промежуточной среды на длинах волн
1
и
3.
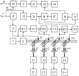
В патенте [2] акустооптический
анализатор спектра (рис.2)
содержит лазер, коллиматор, четыре ячейки Брэгга, четыре линзы, четыре матрицы
фотодетекторов, пять блоков индикации, две антенны, преобразователь частоты,
усилитель промежуточной частоты, четыре перемножителя, три полосовых фильтра,
переключатель, узкополосный фильтр, амплитудный детектор, генератор счетных
импульсов, элемент И, дифференцирующую цепь, счетчик, усилитель низкой частоты,
электронно-счетный частотомер и арифметический блок.

Рисунок 2 – Акустооптический анализатор спектра
Анализатор
спектра работает следующим образом.
Сигнал, принятый антенной 7, поступает на вход
преобразователя 8 частоты, состоящего из смесителя и гетеродина. Преобразованный
по частоте сигнал выделяется усилителем 9 промежуточной частоты и поступает на
пьезоэлектрический преобразователь ячейки 3.1 Брэгга, где происходит
преобразование сигнала в акустическое колебание. Пучок света от лазера 1,
сколлимированный коллиматором 2, проходит через ячейки 3.1-3.4 Брэгга и
дифрагирует на акустических колебаниях, возбужденных сигналом. На пути
распространения дифрагируемой части пучка света устанавливаются линзы 4.1-4.4.
В фокальных плоскостях указанных линз, формирующих пространственный спектр
принимаемого сигнала, установлены матрицы 5.1-5.4 фотодетекторов. Каждому
разрешающему элементу анализируемого частотного диапазона соответствует свой
фотодетектор.
Из недостатков изобретения можно отметить
очень большое количество элементов необходимых для измерения, что в свою
очередь усложняет схему реализации. Большое количество линз хоть и улучшают
точность измерения, но уменьшает быстродействие измерения. Также можно
напомнить о энергопотреблении, оно здесь большое опять таки из-за большого
количества линз, фотодетекторов и др. элементов.
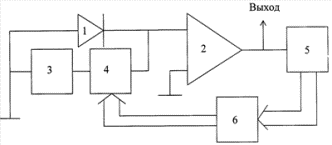
Также есть устройство пирометр
[3]. Он (рис.3) содержит фотодиод, дифференциальный усилитель, источник
питания, регулируемое сопротивление, источник напряжения, аналого-цифровой
преобразователь и вычислительное устройство. Выходом устройства является выход
дифференциального усилителя
Рисунок 3 - Пирометр
Устройство работает так (рис.3). При
облучении фотодиода 1 лучистым потоком Ф от нагретой поверхности он генерирует
ток, преобразующийся в напряжение усилителем 2. Выходное напряжение усилителя 2
подается на вход аналого-цифрового преобразователя 5, в котором преобразуется в
цифровой код N, который поступает в вычислительное устройство 6, в котором
масштабируется и возводится в четвертую степень, после чего поступает на
регулируемое сопротивление 4. Под действием этого цифрового кода регулируемое
сопротивление 4 изменяет величину компенсирующего тока IK,
поступающего от источника напряжения 3 на второй вход дифференциального
усилителя 2. В конечном итоге на выходе усилителя 2 формируется напряжение,
пропорциональное температуре излучающей поверхности и корню четвертой степени
из всех коэффициентов, участвующих в преобразовании излучения в электрический
сигнал.
(2)
где к0 – коэффициент преобразования регулируемого сопротивления, кF – коэффициент
преобразования фотодиодом лучистого потока в фототок, ϵ- коэффициент
черноты нагретой поверхности; А - площадь нагретой поверхности, м2,
кВУ – коэффициент преобразования вычислительного устройства, Ϭ
– постоянная Стефана-Больцмана. Можно отметить, что извлечение корня четвертой
степени уменьшает значения погрешности зависимости выходного напряжения от
измеряемой температуры, связанной с изменениями коэффициента черноты нагретой
поверхности ϵ и других коэффициентов преобразования устройства.
Из недостатков следует отметить, то что на
выходе фотодиода отсутствует преобразователь ток-напряжение. Ток преобразуется
в напряжение лишь усилителем, что негативно влияет на точность измерения.
Также известен патент [4]. Структурная
схема устройства бесконтактного измерения температуры (Рис.4) содержит оптическую
систему 1, блок 2 спектрального разложения, матрицу 3 приемников и процессорный
блок 4.


Рисунок
4 – Устройство бесконтактного измерения температуры
Принцип работы основан на том, что сканируется спектр излучения,
поступивший на матрицу приемников. В процессорном блоке температура вычисляется
по отношению максимального значения производной выходных сигналов по матрице
приемников к максимальному значению выходного сигнала приемника по матрице
приемников с учетом коэффициента пропорциональности.
К недостатку можно отнести постоянное
перемещение устройства вокруг источника излучения.
Таким образом, проведенный анализ показал
недостатки измерительных блоков оптических преобразователей, которые негативным
образом сказываются на точности устройства. Использование в структуре
оптического преобразователя акустооптического элемента и
термостабилизированного фотоприемника позволит значительно улучшить точностные
характеристики разрабатываемого устройства.
Список
литературы:
1.Способ пирометрических измерений: пат. 2365883 Рос. Федерация: МПК G01J5/60, Свет Д.Я.; заявитель и патентообладатель Свет
Д.Я. - № 2007145705/28; заяв. 11.12.2007; опуб. 27.08.2009.
2. Акустооптический
анализатор спектра: пат. 2009513 Рос.
Федерация: МПК5 G01R23/17, Дикарев
В. И., Жудин Ю. В., Мардин А. В., Шилим И. Т.; заявитель и патентообладатель Дикарев
В. И., Жудин Ю. В.,
Мардин А. В., Шилим И. Т. - № 5017960/21; заяв. 27.11.1991; опуб. 15.03.1994.
3. Пирометр: пат. 2462693 Рос. Федерация: МПК G01J1/44, Захаренко В. А., Кликушин Ю.
Н.,
Мурашко Д. Н., Шкаев А. Г.; заявитель и патентообладатель Государственное образовательное учреждение
высшего профессионального образования "Омский государственный технический
университет" - № 2010132097/28; заяв. 29.07.2010; опуб. 27.09.2012.
4. Устройство бесконтактного
измерения температуры: пат. 2213942 Рос Федерация: МПК7 G01J5/60, Бодров В.Н., Мельников Б.С., Обидин Г.И.; заявитель и патентообладатель Бодров
В.Н., Мельников Б.С., Обидин Г.И. - № 2002135318/28;
заяв. 27.12.2002; опуб. 10.10.2003.