технические науки/
2.механика
аспирант Прокопенко В.С., магистр 2-го
курса Сергеев Ю.М.,
студент 3-го курса Решетов А.В.
Белгородский государственный
технологический
университет им. В.Г. Шухова
Виды схем помола применимы
в цементной отрасли.
Цемент - важнейший
строительный материал. В строительной практике он применяется уже более 150
лет. Крупные научные открытия, послужившие основой создания новых видов цемента
и улучшения качества существующих, относятся к последним пяти десятилетиям,
причем большинство из них принадлежит советским учёным.[1]
Главные виды цемента,
выпускающиеся в настоящее время - это портландцемент, шлакопортландцемент,
пуццолановый цемент. Основой всех этих видов цемента является клинкер, получаемый
путём обжига в печах сырьевой массы. Обжиг может производится в печах
вращающегося или шахтного типа. Из-за малой производительности печей шахтного
типа, обжиг в них применяют крайне редко.
Помол клинкера –
завершающая стадия производства цемента. Схемы помольной установки, работающей
по замкнутому циклу с сепаратором.
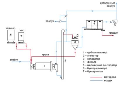
На (рис.1) рассмотрено исполнение,
которое применяется при отсутствии необходимости в охлаждении в процессе
помола. Требуется лишь отвод побочного воздуха, подсасываемого в контур сепаратора
фильтром мельницы.

Рисунок 1. Исполнение с циклонами
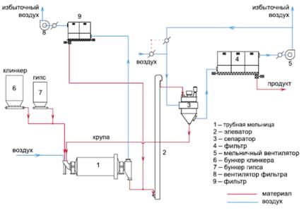
На (рис. 2) рассмотрено исполнение, которое
позволяет охлаждать продукцию в сепараторе без необходимости в отдельном
охладителе. Полное выделение продукции происходит в фильтре. Упрощенная
воздушная сеть в контуре помола и компактное решение, но более сложная
регулировка процесса в мельнице и сепараторе.

Рисунок 2. Исполнение с фильтром при продувке
воздуха из мельницы через сепаратор
На (рис. 3) рассмотрено исполнение, которое позволяет в максимальной степени охладить
продукт в сепараторе. Выделение продукции происходит в фильтре. Улучшает
возможности регулировки процесса в мельнице и сепараторе. Компоновка целесообразна
в частности при помоле очень мелкой продукции.

Рисунок 3. Исполнение с фильтром и
отдельной системой аспирации мельницы
При замкнутой схеме помола получают
цемент более устойчивого качества и более высоких физико-механических свойств,
как в отношении марочной прочности, так и в отношении скорости твердения в
начальный период. Повышение физик - механических свойств цемента при замкнутом
способе помола обуславливается однородным зерновым составом и уменьшением
среднего размера цементного зерна. Из сепаратора выходит цемент постоянного
зернового состава и с заданной удельной поверхностью, что достигается
регулировкой работы сепаратора.[2]
Тонкое измельчение материалов являться одним из
наиболее энергоемким процессов в производстве цемента: на него затрачиваются
около 60% всей расходуемой на производстве цемента электроэнергии.
Литература:
1.
Ушаков С.Г., Мизонов В.Е. Аэродинамическая
классификация порошков
М: Химия, 1989, 160с.
2.
Сапожников М.Я. Механическое оборудование предприятий строительных
материалов, изделий и конструкций / М.Я. Сапожников— Учеб. для строительных
вузов и факультетов М., 1977 — 382с.