Технические науки/12.
Автоматизированные системы управления
Доцент БЕГОЯН К.В.
Национальный политехнический
университет Армении, Ереван, Армения
Определение передаточной функции
понижающего преобразователя постоянного напряжения с сопротивлением в цепи конденсатора
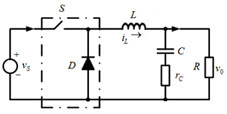
Понижающие преобразователи
постоянного напряжения (ППН) с использованием широтно-импульсной модуляции (ШИМ) сигнала широко применяются в различных технических
приложениях (рис. 1) [1,2]. При достаточно высокой частоте прерывания
, среднее за период
значение
выходного напряжения
равно
, где
есть напряжение
источника питания, а
называется коэффициентом заполнения импульсов.

Рис. 1. Схема
понижающего ППН с сопротивлением
В статье дается вывод
передаточной функции понижающего ППН в режиме непрерывных токов при наличии
дополнительного сопротивления
в цепи конденсатора. Знание
этой передаточной функции при малых отклонениях сигналов от их средних значений
необходимо для исследования систем управления (например, систем управления
двигателей постоянного тока), в которых эти преобразователи входят как
управляющие элементы.
2. Уравнения динамики ППН в пространстве
состояний. Импульсные ППН с ШИМ являются нелинейными нестационарными
системами с периодическими параметрами. Поэтому точное аналитическое исследование
их динамики является исключительно сложной задачей. На практике обычно
прибегают к специальным приближенным методам, среди которых можно выделить метод,
основанный на таком преобразовании уравнений ППН в пространстве состояний, при
которых эти уравнения правильно описывают усредненную во времени динамику
преобразователя [3].
Выберем в качестве
переменных состояния ППН ток дросселя
и напряжение на
конденсаторе
. Тогда, вводя в рассмотрение двумерный вектор-столбец
с координатами
и
, для схемы на рис. 1 (т.е. для интервала замыкания ключа
) можно записать
(1)
или, в векторно-матричной
форме,
(2)
где
(3)
а входная функция
отражает тот факт,
что напряжение питания
может меняться во времени. Соответствующие векторные
уравнения для интервала
, при котором электронный ключ разомкнут, имеют аналогичный
вид
(4)
Нетрудно показать, что матрица
и векторы
и
в (4) даются
выражениями
Вводя
в рассмотрение функцию переключения
[1,3]
(5)
дифференциальные уравнения ППН на рис. 1 можно
записать в виде
(6)
которые сводятся, с учетом того,
что
к простому виду
(7)
Таким образом, нами получены точные дифференциальные уравнения ППН в пространстве состояний (7), зависящие от функции
переключения
(5), значение которой скачкообразно переходит
от единицы к нулю и обратно в моменты замыкания и размыкания электронного
ключа. В соответствии с методом усреднения уравнений динамики в пространстве
состояний, на первом этапе осуществляется усреднение по времени функции
переключения
(1) [1]. Для этого вводится функция времени
, (8)
которая
представляет собой усредненное за период
выражение
для
при непрерывном изменении времени
. Далее осуществляется, с учетом (8), усреднение по времени
точных уравнений динамики (7), что дает
(9)
где усредненные переменные
,
и
определяются
выражениями, аналогичными (8), и предполагается, что вектор
и функция
не очень отличаются
от своих усредненных значений [1-3]. Уравнения (9) называются усредненной моделью ППН в пространстве состояний. Для вывода передаточных функций ППН следует осуществить линеаризацию нелинейной
усредненной модели в окрестности некоторой постоянной рабочей точки [1]. Классическая
процедура линеаризации заключается в разложении, считая отклонения от рабочей
точки малыми, нелинейной функции в ряд
Тейлора и пренебрежении всеми членами кроме линейного [4]. Однако вид уравнений
(9) позволяет упростить эту процедуру. Представим все усредненные функции
времени в (9) в виде
, (10)
где
все отклонения
считаются малыми. Тогда, подставив (10) в (9)
и разделяя переменные, приходим к уравнениям
(11)
для
постоянных установившихся состояний, и
(12)
для малых отклонений
переменных усредненной модели от рабочей точки.
Легко видеть, что единственным
нелинейным членом в уравнениях (12) является член, заключенный в квадратные
скобки и содержащий произведение малых величин
и
. Пренебрегая этим членом, окончательно получим
линеаризованные уравнения усредненной модели ППН в
виде
(13)
Следуя стандартной методике
получения передаточных функций линейных систем из уравнений в пространстве
состояний [4], нужно осуществить
преобразование Лапласа уравнений (13) при нулевых начальных условиях и
исключить из полученных алгебраических уравнений вектор состояний
, где
- переменная Лапласа. Это дает следующее комплексное уравнение
относительно скалярной выходной переменной
:
, (14)
что приводит к двум скалярным
передаточным функциям ППН относительно независимых
входных переменных
и
:
(15)
Как видно из (15),
передаточные функции
и
отличаются лишь постоянными
коэффициентами
и
Подставив (3)
в (15) получим
(16)
(17)
где
. (18)
Таким образом, ППН на рис. 1 описывается передаточными функциями второго порядка,
имеющими в общем случае нуль в точке
, определяемой емкостью
и сопротивлением
в цепи конденсатора. Укажем, что в случае
идеального ППН, т.е. при
, нули передаточных функций отсутствуют [1,2].
Пример. Рассмотрим ППН с параметрами
,
. Передаточная функция
(16) при этих
параметрах равна
(19)
и имеет два комплексно-сопряженных
полюса
, а также один нуль
. Отметим, что передаточная функция
(16) в данном случае
отличается от
(19) только
постоянным коэффициентом 0.078125. На рис. 2
показаны диаграммы Боде передаточной функции
(19). Как видно из
рис. 2, фазовая характеристика
идеального ППН при
стремится к
, т.е. наличие сопротивления
улучшает запасы
устойчивости понижающего ППН, что, в свою очередь, приводит к лучшим
динамическим характеристиками преобразователя (в случае идеального ППН, т.е.
при
, фазовая характеристика
при
стремится к
). Данное обстоятельство имеет важное значение при
использовании ППН в замкнутом контуре систем управления.

Рис. 2. Диаграммы Боде понижающего ППН с передаточной
функцией (19)
СПИСОК ЛИТЕРАТУРЫ
3. Middlebrook R., Cuk S., A General Unified Approach to Modeling
Switching Converter Power Stages, IEEE Power Electronics Specialists Conference Record, pp. 18-34, 1976.
4. Dorf R.,
Bishop R. Modern Control Systems. Addison-Wesley Publishing Co.,
Reading, MA, 2007. 1046 pp.