Технические науки / 5.
Энергетика
К.т.н. Рубаненко А.Е., Жук И.А.
Винницкий национальный
технический университет, Винница
Разработка метода определения линии сетей
оперативного постоянного тока с
уменьшенным сопротивлением изоляции одного из полюсов
Сети
оперативного постоянного тока (СОПТ) электрических станций и подстанций
предназначены для питания устройств релейной защиты и автоматики, ответственных
механизмов собственных потребностей, аварийного освещения, катушек включения и
выключки высоковольтных выключателей и т.д. Ответственность таких потребителей
выдвигает высокие требования к надежности СОПТ.
От источников
оперативного тока требуется повышенная надежность, потому генерируемое ими
напряжение должно быть высокостабильным, изоляция должна быть высокоомная,
источники оперативного тока должны резервировать.
Источниками
постоянного тока являются аккумуляторные батареи. Они полностью автономные.
Аккумуляторные батареи должны эксплуатироваться в режиме постоянногоподзаряда
[1]. В качестве под зарядных агрегатов широко используются агрегаты ВАЗП,
которые имеют пульсации выпрямленного напряжения [2] с коэффициентом 1-1,5%. В
соответствии с требованиями [1, 3] Эти пульсации на частоте 300 Гц могут быть
0,02×230=2,3 В (1%) или 4,6 В (2%) при напряжении ВАЗП 230 В.
Математическое моделирование процессов изменения
токов в линии ОПТ
Исследуем
влияние параметров СОПТ на величину токов пульсаций в проводниках полюсов
отдельной кабельной линии (КЛ). Для этого рассмотрим схему СОПТ (рис.1).

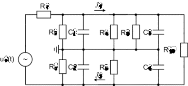
Рисунок 1 - Схема СОПТ
На
рис. 1 показаны u1, R1, R2, R3,
C1, C2 - общесетевые параметры; І1, І2,
R4, R5,R9,
C3, C4, R10
- параметры КЛ,u1(t) -
напряжение источника пульсаций (ВАЗП), сопротивление изоляции положительного
полюсу (R9) и
сопротивление нагрузки КЛ (R10).
І1, І2 - токи в положительном и отрицательном проводниках
(соответственно) в начале КЛ СОПТ.

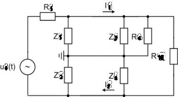
Рисунок 2 - Упрощенная схема СОПТ
Если
емкостное сопротивление изоляции
ХС1=-
j[1/(2×(×f×C1)], (1)
то эквивалентное сопротивление
между положительным полюсом СОПТ и «землей»
Z1=R2×C1/(R2+C1).
(2)
Так
же:
Z2=R3×C2/(R3+C2),
Z3=R9×C3/(R9+C3) (3)
Z4=R5×C4/(R5+C5). (4)
Упрощенная
схема показана на рис.2.
Исследуем изменение токов І1 и І2 от сопротивления (R4)
в месте замыкания положительного полюса КЛ на "землю" в устоявшемся
режиме.
Исследованиями
доказано, что изменение внутреннего сопротивления источника в пределах от 0,01
до 0,001 Ом (R1) при (R10 =1(1000 Ом) мало влияет
на токи І1, І2 и потому считаем, что R1=0 Ом.
Ток
в положительном проводнике (5)
I1=u1(t)/Z3×(A/B),
(5)
Где
![]()
![]()
Ток в
отрицательном проводнике (6)
I2=u1(t)/Z3×(С/D), (6)
![]()
![]()
![]()

Рисунок 3
- Изменение токов в проводниках КЛ
Исследование проводим для следующих
параметров СОПТ: R1=0 Ом, R2=R3=32кОм, R5,=R9=1 МОм, R4=0¸1 кОм, R10=10 Ом, С1=С2=40 мкФ, С3=С4=1 мкФ. Расчет проводим для частоты пульсаций ВАЗП f=300 Гц и напряжения пульсаций U1=4,6 B.
Как видно из
полученной расчетным путем зависимости (рис.3) ток І1 в положительном проводнике поврежденной КЛ зависит от
сопротивления в месте замыкания этого проводника на землю. Ток І2 в отрицательном проводнике
поврежденной КЛ почти не зависит от сопротивления в месте замыкания (R4).
Разработка метода определения
поврежденной КЛ
Известно много
методов определения поврежденной КЛ в МОПС [4, 5]. Все они имеют свои
преимущества и недостатки.
На основе анализа
процессов изменения токов в проводниках поврежденной КЛ при изменении
сопротивления в месте замыкания предлагаем определять поврежденный фидер по
величине разницы токов (І1,
І2) в положительном и
отрицательном проводниках.
Обозначим разницу токов в проводниках
поврежденной КЛ (7)
DI=I1 - I2. (7)
Исследуем влияние
параметров МОПС на величину DI. Оставляя предыдущие параметры неизменными, находим
зависимость DI от сопротивления нагрузки КЛ R10 (рис. 4).

Рисунок 4 - Влияние сопротивления нагрузки
При
R10=10 Ом и изменению R4 от 10 Ом до 20 кОм DI изменяется от 241,9 мА до 1,6 мА, то есть DI очень зависит от изменения R4. Это значит, что вставка
реагирующего органа должен быть 1,6 мА.
При R4=20
кОм и изменении R10 от 10
Ом до 5 кОм DI изменяется от 1600 мкА до 640 мкА, то есть DI зависит от изменения R10.
При
R10=10 Ом и изменению
емкостей С1=С2 от 1 мкФ до 40 мкФ DI изменяется от 2100 мкА до 1600 мкА, то есть DI также зависит от изменения С1, С2 и не зависит от изменения R4 в диапазоне от 5 и больше кОм при С1=С2=1 мкФ. Это не удовлетворяет требованиям Правил
технической эксплуатации электроустановок Украины (ПТЭ).
При
R4=20 кОм, при емкости С1=40 мкФ и изменению емкости
С2 от 1 мкФ до 40 мкФ DI изменяется от 100 мкА до 1600 мкА, то есть DI зависит от изменения С1, С2
и не зависит от изменения R4
в диапазоне от 5 и больше кОм при С1=С2=1 мкФ. Это не
удовлетворяет требованиям ПТЭ.
При R4=20
кОм, емкости С2=40 мкФ и
изменению емкости С1 от 1
мкФ до 40 мкФ DI изменяется от 300 мкА до 1,6 мкА, то есть DI зависит от изменения С1 и не обеспечиваетнадежную
работу устройства контроля в диапазоне изменения R4 от 5 кОм и больше при С1=1мкФ.
При
емкости С1=С2=40 мкФ, R2= 1 МОм, R4=20 кОм и изменению
сопротивления R3 от 10 Ом
до 32 кОм DI изменяется от 4000 мкА до 1600 мкА, то есть DI сильно зависит от изменения R2 и вызовет ошибочную работу
устройства контроля.
При
емкости С1=С2=40 мкФ, R2= 1 МОм и изменению
сопротивления R1 от 10 Ом
до 32 кОм DI изменяется от 4000 мкА до 0 мкА, то есть DI сильно зависит от изменения R1.
Выводы
Предложенный
метод определения поврежденной КЛ работает лишь в диапазоне изменений
сопротивления в месте замыкания лишь от 0 до 5 кОм вместо 20 кОм.
Дополнительным
недостатком предложенного метода является зависимость амплитудного значения
напряжения пульсаций зарадно-подзарядного агрегата (ВАЗП) от мощности нагрузки СОПТ.
Это ограничивает применение разработанного метода лишь такими СОПТ, в которых
длительные изменения нагрузки не превышают 10 % мощность нагрузки.
Литература
1.
Эксплуатация
стационарных свинцово-кислотных аккумуляторных батарей. ГНД 34.50.501 - 2003. - К.: ОЕП «ГРІФРЕ», 2003. - 59 с.
2.
Методические указания по наладке выпрямительного зарядно-подзарядного
агрегата ВАЗП-380/260-40/80. - М.: СПО ОРГРЕС, 1991. - 33 с.
3.
Технічна експлуатація електричних станцій і мереж:
ГКД 34.20.507-2003. - Офіц. вид. - Львів: ПАТ «ЛьвівОРГРЕС» : М-во палива та енергетики України, 2002. 342 с.
– (Нормативний документ Мінпаливенерго України. Правила). [Електронний ресурс].
– Режим доступу: http://ukrelektrik.com
4.
Борухман В. А., Кулдыкин А. Н. Устройство ИПИ-1 для отыскания мест
повреждения изоляции в сетях оперативного постоянного тока // Энергетик. - 1985. - №2. - С. 28-29.
5.
А. с. 1316065 (СССР). Устройство для сигнализации замыканий на землю в
двухпроводных сетях постоянного тока/ В. М. Кутин. А. Е. Рубаненко, В. Н.
Вишневский, А. В. Кобылянский // Бюл. изобр. - 1987.- №21. - С. 257.