Квеглис Л.И., Абылкалыкова Р.Б.,
Бектасова Г.С.
Восточно-Казахстанский государственный
университет, Казахстан
Возможности использования пленок Fe86Mn13C как материала спинтроники
В настоящее время бурно развивающаяся наука
спинтроника требует новых материалов, обладающих необходимыми параметрами,
технологичностью получения и низким показателем экономических затрат.
Поскольку сплав Fe86Mn13C обладает набором уникальных электрических и магнитных свойств и является дешёвым материалом, необходимость изучения этого сплава в массивном и пленочном состоянии как материала для спинтроники очевидна.
Сплав Fe86Mn13C, известный также как сталь Гадфильда (110Г13Л), представляет собой антиферромагнитный инвар. При ударной нагрузке в образцах появляется локальная намагниченность. Для выяснения причины такого поведения сплава исследовали структуру и магнитные свойства массивных образцов стали 110Г13Л, подвергнутых ударному нагружению, и тонкопленочных образцов, подвергнутых криомеханической обработке.
На рисунке 1 приведено изображение поверхности массивного образца сплава после ударной нагрузки. Картина свидетельствует о возникновении новой фазы – мартенсита деформации. Эта фаза локализуется в полосах сдвиговой деформации зерен аустенита.
Методом крутящих моментов показано наличие неоднородной магнитной структуры в таких образцах. На рисунке 2 приведена зависимость крутящего момента от угла поворота магнитного поля напряженностью 8 кЭ для пластинок стали размером 10х5х0,1мм. Из этой зависимости видно, что магнитная структура сплава неоднородна. Сплав обладает магнитной вязкостью, т.е. зависимостью скорости намагничивания от времени.

Рисунок 1. Образование полос сдвиговой деформации в аустените при криомеханической обработке

Рисунок 2. Зависимость крутящего момента от угла поворота магнитного поля напряженностью 8 кЭ для пластинок стали размером 10х5х0,1мм
На рисунке 3 показана температурная зависимость намагниченности массивного образца сплава Fe86Mn13C, подвергнутого ударной нагрузке. Исходное состояние аустенита антиферромагнитное. На графике мы видим чистое ферромагнитное поведение намагниченности от температуры.

Рисунок 3. Температурная зависимость намагниченности массивного образца сплава Fe86Mn13C, подвергнутого ударной нагрузке.
Поскольку поиск новых материалов для спинтроники предполагает создание тонкопленочных образцов, то дальнейшая наша задача − исследовать структуру и свойства тонких пленок сплава Fe86Mn13C.
Пленки Fe86Mn13C были получены методом термического вакуумного осаждения на установке ВУП-4 при давлении 10-5 мм. рт. ст. на подложке из стекла и NaCl. Далее пленки отделяли от подложки и исследовали их структуру методом просвечивающей электронной микроскопии и микродифракции на приборах ПРЭМ – 200 и (JEM – 2100).
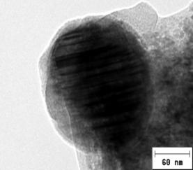
Мартенсит деформации возникал в пленках под воздействием криомеханической обработки. Обработка заключалась в циклическом охлаждении пленки до температуры жидкого азота и последующем ее нагревании до комнатной температуры. Так осуществлялась пластическая деформация пленки. На рисунке 4 представлены электронно-микроскопические изображения высокого разрешения от массивного (4,а) и пленочного (4,б) образцов Fe86Mn13C.

а) б)
Рисунок 4. Электронно-микроскопическое изображение высокого разрешения массивного (а) и пленочного (б) образцов Fe86Mn13C.
При фокусировке пучка электронов на темную область в течение нескольких секунд в этой области формируется полосчатый контраст, как это показано на рисунке 4,б. Такой контраст сложно интерпретировать как муаровый узор [1], поскольку размер области невелик. Кроме того, темный цвет создается не перепадом амплитуды, а как фазовый контраст, поскольку электронный пучок отклоняется магнитным полем мартенситной фазы внутри кластера. В результате формируется темная область из-за недостатка электронов, а избыток электронов формирует светлые области. Полосатая структура представляет собой смесь мартенсита деформации и аустенита, который возникает при нагревании участка электронным пучком. Темные полосы соответствуют мартенситной фазе, светлые - аустенитной.
Изучение природы пластической деформации твердых тел
показывает, что пластическое течение протекает неоднородно. Универсальность
этого положения прослеживается на микроскопическом [2], мезоскопическом [3] и
макроскопическом [4] масштабных уровнях. Рисунки 1 и 2 подтверждают это.
Согласно [4] деформация при пластическом течении локализована на всех этапах -
от предела текучести до разрушения, а микро-, мезо- и макромасштабные явления
локализации становятся существенными для процессов пластического течения
практически одновременно. В работе [3] подчеркивается, что явление
макролокализации характерно для любых материалов и любых условий нагружения и
не зависит от типа кристаллической решетки, фазового состава и зеренной структуры
объекта исследования. Макролокализация развивается в виде автоволн локализации
пластической деформации [4].
Макроскопическая деформация приводит к изменению
кристаллической структуры на микроуровне. Мартенсит деформации может иметь
структуры Франка-Каспера [5]. Появление новой структуры приводит к появлению
новых свойств – магнитных и оптических.
В пленках Fe86Mn13C, подвергнутых криомеханической обработке, были обнаружены аномальные эффекты в спектре оптического поглощения. На рисунке 5 представлены два спектра оптического поглощения. Нижний спектр соответствует исходному состоянию пленки. Верхний спектр получен от той же самой пленки после ее криомеханической обработки. Мы видим пять четких рефлексов на определенных длинах волн. Нижний спектр соответствует исходному состоянию пленки. Верхний спектр получен от той же самой пленки после ее криомеханической обработки.

Рисунок 5. Спектры оптического поглощения в пленке Fe86Mn13C:
1 – до и 2 – после криомеханической обработки.
Для объяснения природы оптических переходов, наблюдаемых в эксперименте, использовали расчет спин-поляризованной плотности электронных состояний методом рассеянных волн Слэтера для кластеров Fe86Mn13C 12- и 14-вершинников [6]. На рисунке 6,а и 6,б приведен расчет спин-поляризованной плотности электронных состояний для кластеров Fe86Mn13C. Плотность электронов со спином вверх расположена в нижней полуплоскости рисунков, плотность электронов со спином вниз - в верхней полуплоскости. В каждой энергетической щели возможен оптический переход.

а) б)
Рисунок 6. Расчет спин-поляризованной плотности электронных состояний методом рассеянных волн Слэтера для кластеров Fe86Mn13C:
а – для 12-вершинника, б – для 14-вершинника.
Основная
особенность расчетных спектров – наличие запрещенных зон, которые могут
обеспечивать оптические переходы.
Появление таких сигналов на пластически деформированной пленке может служить доказательством того, что пластическая деформация сопровождается появлением квантовых эффектов. По нашему мнению, в пленках реализуется эффект Мандельштама-Бриллюэна. Рассеяние Мандельштама-Бриллюэна показывает, что световые волны взаимодействуют непосредственно с упругими волнами, обычно ненаблюдаемыми по отдельности [7].
Таким образом, экспериментальные исследования, проведенные в данной работе позволили обосновать технологические принципы получения квантовых точек в пленках Fe86Mn13C после их криомеханической обработки.
ВЫВОДЫ
1. В тонкопленочных образцах сплава Fe86Mn13C, подвергнутых криомеханической обработке, наблюдаются оптические переходы.
2. Сравнение спектра оптических переходов с расчетным спектром спин-поляризованной плотности электронных состояний для кластеров Fe86Mn13C показывает, что:
- для
электронов со спином вверх расчетные данные достаточно хорошо совпадают с
экспериментом для кластера 14-вершинника;
- для
электронов со спином вниз расчетные данные совпадают с приближением 0,01 Р для
кластера 14-вершинника.
Авторы благодарят лабораторию IRGETAS ВКГТУ им.
Д.
Серикбаева, г. Усть-Каменогрск, Казахстан и Черкова А.Г. (НГУ, г. Новосибирск)
за помощь в проведении экспериментов.
ЛИТЕРАТУРА
1. Hirsch P., Howie A., Nicholson, R., J. Peschl, M. Whelan, Electron Microscopy
of thin crystals / / Per. from English. - Springer-Verlag, 1968, Р. 562
2. Kuhlmann-Wilsdorf D. The low energetic structures theory of solid
plasticity. In: Dislocations in Solids. Ed. by Nabarro F.R.N. and Duesbery M.S.
- (Amsterdam, Boston) Elsevier, 2002.
3. Panin V.E. Plastic deformation and fracture of solids at the mesoscale level. // Mat. Sci. Eng. A. - 2001. Vol. 319-321. - P. 197-200.
4. Зуев Л.Б., Данилов В.И.,
Баранникова С.А. Физика макролокализации пластического течения. - Новосибирск:
Наука, 2008.
5. Pearson B., The Crystal chemistry and physics
of metals and alloys (Willey, NewYork, 1972; Mir, Moscow 1977).418
6. K.I. Kveglis, R.B. Abylkalykova, F.M. Noskov, V.G. Arhipkin, V.A. Musikhin, V.N. Cherepanov, A.V. Niavro. Local electron structure and magnetization in b-Fe86Mn13C. Superlattices and Microstructures,
V.46, 2009 P. 114-120
7. Волькенштейн М. В., Молекулярная оптика, М. — Л., 1951; Фабелинский И. Л., Молекулярное рассеяние света, М., 1965.
Работа выполнена при поддержке гранта №278/2012
Министерства образования и науки Республики Казахстан.