Кононенко А. Д., Жученко О. А.
Національний технічний університет України
«КПІ», Україна
Аналіз процесу виробництва
поліізобутилену
як об’єкта математичного
моделювання
Процес полімеризації ізобутилену є
складним технологічним об’єктом керування, оскільки високомолекулярні полімери
ізобутилену можна одержати лише при дуже низьких температурах. Здійснити
якісний процес полімеризації без систем автоматичного контролю і керування практично
неможливо. Завдяки високій хімічній стійкості з поліізобутилену виготовляють
матеріали для хімічної апаратури, труб, захисний одяг для роботи з кислотами і
лугами. Поліізобутилен застосовується також у виробництві клеїв для склеювання
скла, тканин, паперу та як зв’язуючий матеріал для прокладок і пористих
матеріалів. Широкого застосування набуває поліізобутилен у гумовій
промисловості для виробництва бутилкаучуків, які дає співполімеризація
ізобутилену з невеликою кількістю ізопрену [1]. Об’єкт моделювання
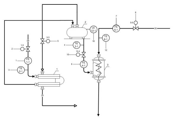
– випарник, який представлений на рис.1 (поз.2)

Рис.1. Схема автоматизації процесу створення
розчину для надходження у полімеризатор
На рисунку 1 представлена частина
функціональної схеми автоматизації процесу виробництва поліізобутилену. Така
система автоматизації стабілізує вибрані визначальні технологічні параметри
процесу.

Регулятор витрати в 1-1 змінює температуру
етилену у випарнику. Цей вплив є визначальним у роботі випарника.
Звичайно контролю і регулюванню у випарнику
підлягають [2]:
n
Температура
на виході з апарату;
n
Рівень
у апараті;
n
Витрата на виході з апарату.
Зроблені наступні
припущення, що майже не впливають на фактичні умови протікання процесу, але
значно спрощують розрахунок:
1) Об’єкт розглядався, як об’єкт з
зосередженими параметрами.
2) Одна зосереджена акумулююча ємність.
3) Стінки апарату теплоізольовані.
Математична модель
процесу випарювання представлена у вигляді рівнянь динаміки процесу:
1) Матеріальний баланс
![]()
2) Зміна маси речовини
![]()
3) Тепловий баланс
![]()
В статиці ці рівняння дорівнюють нулю.
Висновки: У даній роботі був розглянутий випарник, як об’єкт моделювання у процесі виробництва
поліізобутилену. Для подальшої реалізації автоматизованої системи, використовуючи
математичну модель, необхідно провести аналіз перехідних і частотних характеристик
каналів об’єкта з метою визначення структури системи керування та провести
синтез регулятора.
Список
літератури:
1. Юкельсон И. И. Технология основного
органического синтеза [Текст]. – М.: “Химия”, 1968 г. Библиогр.: с. 848. – 16000
экз.
2. Лукінюк М. В. Контроль і керування
хіміко-технологічними процесами [Текст]: у 2 кн. Кн. 1: Методи
та технічні засоби автоматичного контролю хіміко-технологічних процесів : навч.
посіб.
для студ. вищ. навч. закл., які навчаються за напрямом: «Хімічна технологія та
інженерія» / М. В. Лукінюк. – К.: НТУУ «КПІ»,
2012. – 336 с. : іл. – Бібліогр.: с. 328–330.
–200 пр. – ISBN 978-966-622-287-2