УДК 621.311
Повышение энергоэффективности производственного процесса на примере
ОАО «Татспиртпром» «Мамадышский спиртзавод».
Авторы: В. Н.
Капитова, Е. А. Минькина, Е. Д. Усачев, Г. В. Вагапов
Казань, Казанский государственный
энергетический университет
Науч. рук. к.т.н., доц. Г.В.
ВАГАПОВ
Актуальность
исследования обусловлена проблемой повышения энергоэффективности на современном
этапе развития экономических условий на территории Российской Федерации.
Одновременно наблюдается повышение износа оборудования, как в энергосистеме,
так и в системах электроснабжения отдельных промышленных предприятий.
Широкое внедрение
современных информационных технологий в промышленном производстве, применение
цифровых приборов контроля и учета в системах электроснабжения, а также
развитие программного обеспечения с возможностью формирования баз данных
позволяет создать эффективную информационно-методическую среду для планирования
и контроля потребления энергии. Современные информационно-технологические
системы позволяют производить
планирование более высокой точностью,
что позволяет снизить потери электроэнергии еще на стадии планирования.
Проведенное
исследование показало что, на каждом участке производства имеются
производственные резервы. Это объясняется тем, что что современные технические средства и передовые технологии
не одновременно внедряются в производство. На тех участках, где они еще не
внедрены, образуются резервы. Это значит, что чем скорее новые производственные
технологии будут становиться более доступным, тем полнее будут использоваться
резервы производства.
Выявление резервов экономии электрической
энергии рассмотрено на примере ОАО «Татспиртпром» «Мамадышский
спиртзавод». Сущность предлагаемой методики заключается в определении
организационных мероприятий по снижению расхода электроэнергии путем изменения
загрузки технологических процессов с учетом использования результатов
моделирования в программном комплексе Matlab.
Для анализа планируемого потребления электроэнергии было предложено использовать язык
программирования Matlab.
Создание моделей производства с использованием встроенных средств
программирования, а именно, пакета расширения Simulink, и в частности, библиотеки SimPowerSystems, при помощи которого была смоделирована система
электроснабжения исследуемого предприятия, позволило сократить время анализа
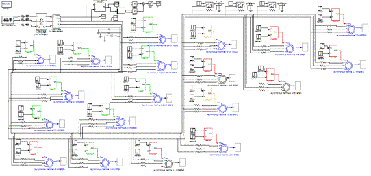
модели до нескольких часов (рисунок 1)

Рисунок 1 Математическая модель
технологического производства ОАО
«Татспиртпром» «Мамадышский спиртзавод»

Рисунок 2 Потребляемая мощность максимального объема
производительности насосов

Рисунок 3 Потребляемая
мощность путем уменьшения объема производимой продукции на 10 %
При использовании языка
программирования Matlab на стадии проектирования
электропотребления можно наглядно представить, как будущее значение
конечного электропотребления, так и специфические параметры режимов работы систем электроснабжения на примере
влияния переходных процессов (рисунок 2, рисунок 3).
Внедрение программного
комплекса типа Matlab позволяет, прежде всего, получать реальную картину потребления
электрической энергии, с учетом влияния технологических процессов. Фактическое состояние
электропотребления в разных секторах промышленного производства дает четкое
представление об общих направлениях действий по повышению энергоэффективности и
позволяет выявить приоритеты в финансировании. В дальнейшем предлагаемая
методика осуществляет поддержку принятия решений в выработке стратегий
энергоэффективного развития предприятия.
Составление
математической модели технологического процесса производства предприятия
позволяет в дальнейшем оценить динамику электропотребления работы всего технического
оборудования. С помощью программ компьютерного моделирования такие модели могут
быть протестированы, а результаты моделирования сравниваются с измерениями на
реальном объекте для того, чтобы оценить их точность, адекватность и сходимость
результатов.