Аспирант Фёдоров Д.Г.
К.т.н., доцент Дмитриев А.В.
Казанский государственный аграрный университет,
г. Казань
Новые технические решения
для производства гречневой крупы
Сельскохозяйственные предприятия и фермерские
хозяйства занимающиеся производством гречихи, после сбора и обработки урожая, в
большинстве случаев, не имеют возможности переработать ее в крупу, так как не
обладают необходимым набором технологического оборудования. Такие хозяйства
вынуждены отправлять выращенную продукцию на крупозаводы для дальнейшей
переработки. При этом крупозавод диктует свои условия в ценовой политике, в
результате чего снижаются доходы производителей зерна. Доходы гречихосеющих
хозяйств можно увеличить, если переработка гречихи будет осуществляться
непосредственно на месте ее производства.
Для переработки гречихи непосредственно в
условиях гречихосеющего хозяйства необходимы современные технологии и
оборудования отличные от тех, которые применяют на крупозаводах. При этом
наиболее важным процессом, оказывающим влияние на конечное качество получаемой
продукции, является шелушение (отделение пленок
(наружных оболочек) от зерна), которое осуществляется шелушильными
машинами
(установками) [1,2,3].
Рассмотрим
некоторые технические решения по разработке шелушильных установок.
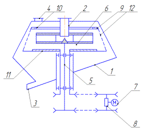
Устройство
для шелушения зерна (по патенту РФ 128518) работает следующим образом. Зерно
поступает в корпус 1 через загрузочный патрубок 2, попадает на вращающийся
ротор 6 и разгоняется лопастями. Далее зерно выходит из ротора и сталкивается с
вращающейся декой 9, в результате чего происходит шелушение. Продукт шелушения
выходит через свободное пространство
между нижней частью деки и нижней крышкой 11, а далее выводится через
разгрузочный патрубок 3 [4].

1-корпус;
2-загрузочный патрубок;3-разгрузочный патрубок;4-ааспирационный патрубок;
5-вал; 6-лопастной ротор;7-привод;8-реверсивный вариатор; 9-дека;10-верхняя
крышка;11-нижняя крышка.
Рисунок
1- Устройство для шелушения зерна (по патенту РФ 128518)
Преимуществом данного устройства является то, что
вращение деки позволяет регулировать процесс шелушения путем увеличения или
уменьшения степени ее воздействия на зерно за счет увеличения или уменьшения
скорости ее вращения, выполнение конической деки, реверсивно вращающейся
относительно лопастного ротора, позволяет интенсифицировать процесс шелушения,
а наличие свободного пространства между нижней частью деки и нижней крышкой
позволяет продукту свободно покидать зону шелушения.
Следующее устройство для шелушения зерна с
реверсивной декой (по патенту РФ 140311) работает следующим образом. Продукт
поступает в корпус 1 через загрузочный патрубок 2, попадает на вращающийся
ротор 6, разгоняется лопастями и ударяется о внутреннюю часть вращающейся деки
9, при этом зерно попадает в углубления образованные рёбрами, в результате чего
происходит шелушение. Дополнительное воздействие на зерно оказывают силы,
возникающие при движении его между рёбрами внутренней поверхности деки. Продукт
шелушения выходит через свободное пространство между нижней частью вращающейся
деки и нижней крышкой 12, а далее выводиться через разгрузочный патрубок 3 [5].

1-корпус; 2-загрузочный
патрубок; 3-разгрузочный патрубок; 4-аспирационный патрубок; 5-вертикальный вал;
6-ротор; 7-электродвигатель; 8-вариатор; 9-дека; 12- нижняя крышка.
Рисунок
2 - Устройство для шелушения зерна с реверсивной декой (по патенту РФ 140311).
Преимуществом
данной установки является то, что внутренняя поверхность вращающейся деки
выполнена ребристой, причём каждое ребро представляет собой двухгранный угол,
правая грань ребра перпендикулярна касательной к окружности деки, левая грань
ребра наклонена под углом 35…45° по отношению к правой, размер углубления
образованного смежными гранями в области соударения зерна с декой сопоставим с
размерами эквивалентного диаметра зерна, при этом грани деки наклонены в
сторону её вращения под углом 15…20°.
Следующее устройство для шелушения зерна
пневмомеханического типа работает следующим образом. Продукт поступает в корпус
1 через загрузочный патрубок 2, попадает на вращающийся лопастной ротор 6,
разгоняется лопастями и ударяется о боковую поверхность вращающейся деки в виде
усечённого конуса 9. Шелушение происходит за счёт удара зерна о деку. Продукт шелушения
выходит через выпускное окно между нижней частью вращающейся деки и нижней
крышкой 11 и далее выводиться из устройства через разгрузочный патрубок 3.

1-корпус;
2-загрузочный патрубок; 3-разгрузочный патрубок; 4-аспирационный патрубок;
5-вертикальный вал; 6-ротор; 7-электродвигатель; 8-вариатор; 9-дека; 10-верхняя
крышка; 11-нижняя крышка; 12-металлическая сетка.
Рисунок
3 - Устройство для шелушения зерна пневмомеханического типа.
Основным
преимуществом предлагаемой установки является то, что при работе устройства
большая часть воздушного потока создаваемого лопастный ротором, будет проходить
сквозь боковую поверхность деки, через металлическую сетку. Это исключит
возможность появления завихрений в внутри деки, что позволит более качественно
шелушить продукт.
Рассмотренные
нами новые технические решения для производства гречневой крупы в условиях
гречихосеющих хозяйств – это далеко неполный спектр машин, которые могут быть
использованы с максимальной эффективностью, однако данный анализ позволяет
сделать вывод, что дальнейшее совершенствование их конструкций и
технологических условий применения является важной задачей.
Литература
1. Фёдоров, Д.Г. Некоторые
аспекты переработки зерна гречихи в условиях сельскохозяйственного
товаропроизводителя/ Д.Г. Фёдоров, А.В. Дмитриев// Актуальные вопросы
совершенствования технологии производства и переработки продукции сельского
хозяйства: Мосоловские чтения - Материалы международной научно-практической
конференции. Мар. гос. ун-т. – Йошкар-Ола, 2013. – Вып. XV. – 367 с.
2. Патент на изобретение 2312706 РФ, МПК 7 В02В 3/00. – Опубл. 20.12.2007. Бюл. № 35. Устройство для шелушения зерна крупяных культур / Нуруллин Э.Г., Дмитриев А.В., Халиуллин Д.Т.
3. Патент на
полезную модель 91892 РФ, МПК В02В
3/00. – Опубл. 10.03.2010. Бюл. № 7. Устройство для шелушения зерна /
Маланичев И.В., Нуруллин Э.Г., Дмитриев А.В., Халиуллин Д.Т.
4. Патент на полезную модель 128518 РФ, МПК
В02В 3/00. – Опубл. 27.05.2013. Бюл. № 15. Устройство для шелушения зерна /
Дмитриев А.В.. Фёдоров Д.Г., Железнов А.А.
5. Патент на
полезную модель 140311 РФ, МПК В02В 3/00. – Опубл. 10.05.2014. Бюл. № 13.
Устройство для шелушения зерна с реверсивной декой/ Дмитриев А.В., Фёдоров
Д.Г., Ибятов Р.И., Лотфуллин Р.Ш.