Алиев А И., к.т.н., Мусин Ж.А., к.т.н.,

Ли М.А. к.т.н., Балгабаев Е.Н.

ТОО «Казахский научно-исследовательский институт водного хозяйства», Казахстан

Параметры водоподготовки при капельном

использовании дренажных вод

 

Исследования и производственный опыт показывают, что важнейшим требованием к системам капельного орошения является высокая степень осветления подающейся воды. При использовании на системах коллекторно-дренажных вод к существующим критериям, определяемым органолептическими показателями, добавляются реологические. Необходимость учета последних вызывается спецификой жестких условий транзита минерализованных вод через сеть капельных оросителей в режиме чрезвычайно низких (005...0,1 м/с) скоростей, более интенсивных микробиологических процессов, разогрева потока воды интенсивной солнечной радиацией в климате пустынь. В совокупности эти факторы создают в трубчатой сети системы условия ускоренного заиления и гидробиохимической кольматации, особенно на концевых участках. В этой связи в капельных системах с водозабором из открытых источников, возникает необходимость в принудительной очистке воды от механических и биологических примесей, а при наличии водорослевой активности тем более.

В ирригационных системах зоны пустынь мутность воды очень высокая - до 3,0...4,5 г/л. Коллекторно-дренажные воды оазисов хотя и более осветленные по сравнению с пресными источниками - 0,5...1,0 г/л, тем не менее без очистки тоже не пригодны к использованию в капельном орошении. По данным обследований, мутность вод КДС в вегетационный период непостоянна и зависит от многих факторов. Так содержание взвесей в полевых дренах колеблется от 0,05 до 0,20 г/л, в хозяйственных и межхозяйственных коллекторах оазисов она увеличивается до 0,15...1,5г/л. Как правило, наименьшие значения мутности приходятся на межень стока, а наибольшие соответствуют периоду промывных и вегетационных поливов, когда сеть КДС работает при полной нагрузке.

Главный левобережный коллектор, выбранный в качестве водоисточника для экспериментальной системы капельного орошения, в створе водозабора имеет расходы 40...70 м3/с. Мутность стока со второй половины апреля до середины мая держится в пределах 0,05...0,08 г/л. В период поливов (май сентябрь) на подвешенных к магистральному коллектору мелиоративных системах объемы дренажного стока увеличиваются, из-за чего, как свидетельствуют замеры, мутность воды в коллекторе возрастает, достигая пределов 0,08...0,18 г/л, (таблица 1).

Опыт показывает, что, несмотря на сравнительно низкие значения мут­ности, вода из ГЛК в естественных ее параметрах для использования в капельном орошении не пригодна, т.к. практически мгновенно в трубопроводах возникают коллоидные структуры взвесей и начинается повсеместная кальматация водовыпускных отверстий на сети.

В таких условиях возникает необходимость в очистке используемой для капельных поливов воды и доведения значении ее мутности до порогов питьевого качества.

Таблица 1 Динамика среднемесячных значений мутности коллекторно-дренажных вод источника в створе экспериментального участка, г/л

 

Период

 

 

Месяц

 

 

04

05

06

07

08

09

1975

0,011

0,072

0,125

0,084

0,097

0,091

1980

0,013

0,084

0,136

0,092

0,091

0,086

1984

0,010

0,079

0,112

0,086

0,072

0,095

max

0,048

0,107

0,175

0,116

0,124

0,117

min

0,007

0,059

0,097

0,068

0,073

0,038

Среднемноголетнее

значение

0,022

0,081

0,117

0,096

0,094

0,087

 

Анализ способов и технологий осветления показывает, что традиционная тонкая очистка на медленных фильтрах очень капиталоемка и малоприемлема для использования на мобильных оросительных комплексах. Ввиду этого возникает необходимость создания более универсальной технологии и устройств водоочистки, обеспечивающих высокий эффект.

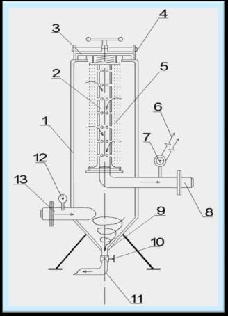
Для этого нами был сконструирован быстроразборный напорный фильтр, оснащенный съемными пассивными элементами, работающий на безреагентной основе. Фильтр (рисунок 1) состоит из стального корпуса круглого сечения 1 , внутри которого коаксиально установлены съемный дренажный стакан 2 и фильтровые элементы 5. Фильтр подключается к магистральному трубопроводу входным 13 и выходным 8 патрубками, оснащенными контрольными маномет-рами на входе воды 12 и на выходе 7.

Подпись: Рисунок 1–Конструкция водоочистного фильтра капельной системыВ качестве выходного измерителя был применен манометр контактного типа, который способен отключать электропитание 6 насоса и подачу воды в систему в случае падения давления в зоне фильтрата ниже допустимого(0,06 Мпа).

Промывка фильтра осуществляется выемкой фильтровых элементов через загрузочный люк путем снятия защелки 4 с крышкой 3 и слива донного отстоя посредством тракта 9,10,11.

В процессе изучения работоспособности конструкции было испытано несколько разновидностей фильтровых элементов, соответствующих требованиям тонкой очистки воды и экономичности, параметры которых были в последствии оптимизированы.

Известно, что фильтрующий материал водоочистных устройств должен обладать хорошей механической прочностью, устойчивостью к агрессивной среде дренажных вод, малой водопоглощаемостью, хорошо отмываться от взвесей при регенерации и обеспечивать при этом требуемое осветление. С учетом этих факторов, а также материалоемкости, были отобраны и экспериментально апробированы сетка металлическая галунного плетения, мелкозернистый песок, стеклоткань ССФ-2 и ССФ-4, минеральная и органическая вата, органическая ткань, вспененный полиуретан и их комбинации. Целью изучения был выбор такого материала фильтра, который обеспечивал бы требуемую производительность фильтра 8... 10 м3/час, параметры мутности фильтрата (2,0...3,0 мг/л), гидрохимическую устойчивость при эксплуатации и быстроту регенерации. Испытания, проведенные в полевых и лабораторных условиях, дали возможность получить сравнительные данные, которые приводятся в кратном изложении в таблице 2.

Таблица 2–Параметры сравнительной эффективности различных фильтровых материалов

Материал фильтра

Производи-

тельность,

м3/час

Коэффи-циент осветления

Длительность фильтроцикла в интервале 0,08...0,06Мпа

Длитель­ность реге­нерации, час

Сетка металлическая галунного плетения

41,6

2,09

100...150

0,1...0,2

Стеклоткань ССФ-2 2-х слойная

36,3

4,7

70-80

 

0,2...0,3

Стеклоткань ССФ-4 4-х слойная

31,1

3,5

50-60

0,2...0,3

Пенополиуретан 5 = 0,7 см

37,5

8,4

40...50

0,2...0,3

Пенополиуретан 5 = 2,8 см

26,4

13,2

35...45

0,2...0,4

Минеральная вата

11,7

19,7

10...15

полная

замена

Органическая вата

8,8

21,3

6...10

полная

замена

 

Органическая ткань марлевая

19,3

12,6

20...30

0,4...0,5

 

«Сэндвич»(пенополиуретан +минвата)

12,9

15,5

30...40

0,2...0,5

 

Песок

среднезернистый

1,16

23,7

5...6

30,0..50,0

 

 

Анализ испытаний показал, что фильтры, изготовленные из сетки галун­ного плетения, а так же стеклоткани марки - ССФ-2 и ССФ-4, обладают наи­высшей в ряду испытанных образцов производительностью. Однако низкая степень очистки ими при коэффициентах осветления 2,09...3,50 в условиях входной мутности 80...170мг/л ограничивает применение этих элементов, т.к. при таком качестве фильтрата неизбежно возникновение коллоидов в трубо­проводах и последующий выход системы из строя.

Фильтры на органической основе создают высококачественный фильтрат - 1,5...3,5 мг/л и в этом смысле казалось бы более предпочтительны, но как показали испытания, они характеризуются недопустимо краткой длительностью фильтроцикла, и материал элементов отличается недолговечностью, разлагаясь в среде дренажных вод без способности к регенерации. Все это делает применение таких материалов крайне ограниченным.

Наиболее качественные показатели фильтрата обеспечивают медленные песчаные фильтры на среднезернистой основе. Испытание их в режиме реальной мутности стока в ГЛК выявило высокую степень осветления - 23,7. К недостаткам, ограничивающим применимость данных фильтроэлементов в системе орошения, относятся низкая производительность - 1,16...1,50 м3/час при данной конструкции фильтра, короткий период фильтроцикла, и чрезмерная длительность регенерации (до 50 часов). Доведение параметров производительности до оптимальных при данной схеме фильтра вызывает резкое увеличение металлоемкости и рост стоимости эксплуатации, в составе которой расходы на регенерацию составляют около 80% всех затрат.

Анализ применимости рассматриваемых фильтрующих материалов по­казал, что оптимальными параметрами обладают фильтры на пенополиурета­новой основе, унифицированные включением минеральной ваты, традиционно применяемой в теплоизоляционной сфере. Модель данного фильтра типа «сэндвич» обеспечила в испытаниях относительную долговечность - 2,0... 2,5 месяца, дешевизну, приемлемую длительность регенерации 30...40 часов, требуемые параметры степени очистки воды и производительности. Данная конструкция ввиду простоты и надежности находила применение в эксплуа­тационных условиях более 10 лет.

Для изучения возможностей разработанной конструкции с элементами «сэндвич» была осуществлена серия испытаний фильтра. Апробирование проведено на действующей системе капельного орошения путем задания различных степеней нагрузки при очистке дренажных вод ГЛК. По данным динамических испытаний и значениям расходно-напорных характеристик, включая реологию фильтрата и показатели осветления, были выработаны ра­циональные режимы осветления, параметры конструкции фильтра примени­тельно к реальным условиям, составлена номограмма расчета режимов работы для обеспечения управления процессом водоочистки в оптимальном режиме.

Экспериментальные результаты показывают, что наибольшей произво­дительностью фильтр обладает в начале фильтроцикла - до 16 м3/час. По мере сработки времени скорость фильтрования снижается и в диапазоне оптимального режима (6,0...7,0 Кпа на выходе) производительность его составляет вполне приемлемую величину - 8,0...9,5 м3/час.

При данных скоростях воды в фильтре, устанавливающихся выходным давлением (6...7 Кпа), достигается достаточная степень осветления воды (К0> = 12... 15 единиц) и удовлетворительная мутность фильтрата (2...3 мг/л.). Углубление осветления нецелесообразно: дальнейшая интенсификация водоочистки приводит к неоправданным энергозатратам, недопустимому падению производительности и снижению рабочего давления в магистральном трубопроводе ниже допустимых пределов.

 


Фильтр способен функционировать при давлении воды в магистрали сети от 9,0 до 4,0 Кпа. При увеличении напора воды выше верхнего предела значительно возрастают нагрузки на фильтроэлемент, ухудшается степень очистки и возникает опасность разрыва фильтроэлементов. Эксплуатация за пределами нижнего давления дает повышение качества фильтрата, в то же время не обеспечивает требуемую производительность, ухудшая как, следствие, гидравлический режим на участках разводящей трубопроводной сети капельной системы.

Учитывая, что рабочий напор в капельных оросителях систем данного типа предпочтителен не менее 5,0 м, давление воды на выходе фильтра с уче­том гидравлических потерь по длине магистрального трубопровода, должно составлять не менее 0,06...0,07 Кпа. При падении выходного давления на фильтре ниже 0,06 Кпа (момент заиления фильтровых элементов), необходимо отключить рабочий и выполнить переключение на резервный фильтр сети. В противном случае контактный манометр 7 после предупредительного звукового сигнала, автоматически отключает главный насос системы и водоподача в магистральную сеть прекращается.

Как показала практика использования, многослойный фильтр данной конструкции прост в эксплуатации и обладает достаточной надежностью. Ручная очистка элементов не трудоемка, занимает 15...20 минут и заключается лишь в частичной замене материала фильтрового элемента (минваты). Периодичность очистки устройства 7... 10 дней, что вполне удовлетворяет условиям эксплуатации систем капельного орошения.

ЛИТЕРАТУРА

1.     Курганов А.М. Типовые схемы водоочистных систем. Колос. М., 1976.

2.      Идельчик И.Е. Гидравлические сопротивления. М., 1984, С. 24-39.

РЕЗЮМЕ

 

В статье приводится конструкция фильтра системы капельного орошения и анализ его эффективности при различных типах фильтровых материалов.