Омский государственный технический
университет, Россия
Сложные
процессы, такие как явление детерминированного хаоса, способны возникать не
только в сложных разветвленных диссипативных НЭЦ
с большим количеством нелинейностей, но и в диссипативных НЭЦ, содержащих один
нелинейный элемент. В этих НЭЦ в установившемся режиме работы наблюдаются
сложные непериодические режимы, в том числе и режим детерминированного хаоса.
Задавшись целью реализовать НЭЦ, демонстрирующую
режим, подобный хаосу в модели Лоренца, профессор Чуа предложил НЭЦ, которая
может демонстрировать различные регулярные и хаотические режимы.
НЭЦ Чуа [1] широко
используется в качестве примера хаоса по следующим причинам:
а) НЭЦ
является простейшей автономной схемой, поведение которой может стать
хаотическим. Она содержит только три энергозапасающих элемента, т.е.
минимальное число элементов, необходимых для того, чтобы НЭЦ стала хаотической,
и только один нелинейный элемент резистивного типа;
б) НЭЦ допускает математический анализ ее
хаотического поведения. Ее можно рассматривать как опытную модель хаоса,
обеспечивающую глубокое знакомство с областью хаоса;
в) НЭЦ
позволяет создать необходимые алгоритмы математического (компьютерного)
моделирования хаоса, необходимые в дальнейшем для анализа хаотических режимов
сложных НЭЦ.
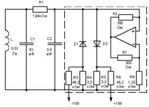
Эта НЭЦ
реализуется в виде устройства, где электрическая цепь, заключенная в штриховом
квадрате, соответствует нелинейному элементу (рис. 2.1).
НЭЦ была исследована на ЭВМ с помощью программ Micro-Cap и MathCAD [2, 3]. В результате моделирования удалось получить
хаотические колебания напряжений и токов в элементах НЭЦ. Величины сопротивлений,
индуктивности и емкостей на представленных схемах соответствуют параметрам
элементов схем замещения в программе Micro-Cap.

Рис. 2.1 Автономная НЭЦ Чуа
Динамика НЭЦ
Чуа описывается системой дифференциальных уравнений, записанных по законам
Кирхгофа
(2.1)
где
выражает вольтамперную
характеристику (ВАХ) нелинейного элемента, а через
обозначены,
соответственно, напряжения на конденсаторах
и
и ток в индуктивности
L.
В качестве g(U) можно
рассматривать гладкую функцию (например, полином 3-й степени), представленную
на рис. 2.2а. Гладкая функциональная зависимость в большей степени
соответствует истинному виду ВАХ нелинейного элемента. C целью упрощения анализа математической модели НЭЦ можно выбрать кусочно-линейную
аппроксимацию (например, 5 – сегментную) – рис. 2.2б.
Для
практических целей может использоваться одна из этих аппроксимаций. Каждая из
них позволяет описать большинство интересных явлений, наблюдаемых в реальной НЭЦ.
Кусочно-линейная форма ВАХ нелинейного элемента имеет ряд преимуществ по
сравнению с полиноминальной зависимостью, поскольку дает возможность проводить
аналитическое исследование модели (для каждого сегмента записывается линейная
система уравнений, которую можно решать без помощи компьютера). Для
исследования большинства явлений в динамике реальной НЭЦ Чуа очень часто
ограничиваются более простой аппроксимацией нелинейного элемента – 3 – сегментной
кусочно-линейной характеристикой (рис. 2.2в), потому что эта аппроксимация
включает только ниспадающие участки ВАХ.


Рис. 2.2 Различные аппроксимации ВАХ нелинейного элемента
Интересна
именно ниспадающая часть ВАХ, потому что на ниспадающих участках произведение
тока на напряжение (мгновенная мощность) является отрицательным, а значит,
нелинейный элемент является активным, непрерывно подавая энергию во внешнюю
цепь, тем самым создавая предпосылки для возникновения хаотических режимов.
Таким
образом, трехсегментная аппроксимация является вполне достаточной для описания
ВАХ нелинейного элемента и моделирования режимов работы НЭЦ Чуа. В ходе
компьютерного моделирования установлено, что хаотические колебания в схеме
возможны при следующих значениях управляющих параметров:
,
.
Литература:
1.
Федоров, В. К. Вторая вариация
энтропии в статистическом анализе функциональной устойчивости
электроэнергетических систем // Изв. вузов. Энергетика. – 1989. – № 2. – С. 8 –
13
2.
Рысев, П.В. Энтропийный анализ режимов
нелинейных электроэнергетических систем /
П.В. Рысев, В.К. Федоров, В.И. Суриков // Омский научный вестник – 2003. – № 1(22). – С.
66-69.
3.
Рысев, П.В. Случайные и хаотические процессы в электроэнергетических
системах / П.В. Рысев [и др.] // Омский научный вестник – 2003. – № 1(22). – С. 69–75.