В.П.Приходько, канд.техн.наук
Національний технічний університет України “Київський політехнічний інститут”,
м. Київ, Україна
Визначення величини
взаємокомпенсації похибок при обробленні
набором інструментів на токарних верстатах
В практиці проектування та розмірного моделювання технологічних процесів (РМА ТП) використовуються дані, щодо середньої економічної точності, приведені в довідниках або отримані в результаті тестових випробувань технологічних оброблювальних систем (ТОС). Аналіз використання існуючих статистичних даних свідчить про те, що на практиці не в повній мірі враховуються особливості формування технологічних розмірів (ТР), зокрема взаємокомпенсація похибок технологічних розмірів, що знижує достовірність прогнозних оцінок точності та може привести до необґрунтованих висновків щодо здатності розроблених ТП забезпечити необхідну точність конструкторських розмірів або необхідності та напрямків можливого поліпшення ТП.
З метою підвищення
ефективності прогнозування точності конструкторських розмірів-замикаючих ланок,
у даній роботі було виконано оцінку взаємокомпенсації похибок технологічних
розмірів при токарній обробці набором інструментів. Для оцінки взаємокомпенсації
похибок були використані експериментально-статистичні дані, що характеризують
точність оброблення на багаторізцевих токарних верстатах набором інструментів,
приведені в довідковій літературі [1,2]. Для визначення величини взаємокомпенсації
виконувався аналіз забезпечення точності розмірів при токарній обробці набором
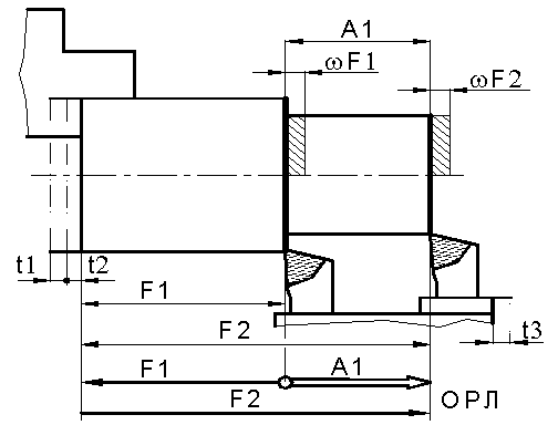
інструментів на основі розгляду двох варіантів одержання конструкторського
розміру (КР) А1 (рис.1): 1 варіант - КР одержують прямим формуванням –
обробленням двох поверхонь в одному
установі, заданих технологічним розміром (ТР) F3(на рис.1 не показаний), що співпадає з КР А1. У цьому випадку КР
А1 є замикаючою ланкою дволанкового ОРЛ (має одну складову ланку - ТР F3). 2-й варіант – КР А1 одержують формуванням 2-х
ТР 1-го типу F1, F2 , він є замикаючою ланкою багатоланкового ОРЛ, складовими ланками
якого є два ТР.
В залежності
від умов оброблення, буде використовуватись один із типів КР, але на схемах,
для виявлення впливу взаємокомпенсації похибок ТР, використовуються і
порівнюються 2 варіанти, що реалізуються за допомогою однієї і тієї ж технологічної
оброблювальної системи (ТОС).
При
одержанні розмірів F1, F2 коливання положень вимірювальної бази розмірів, що
співпадає з технологічною базою, а також оброблюваних поверхонь в значній мірі
будуть викликані одними і тими ж причинами (факторами), наприклад, наявністю пружних
деформацій Δу = ΔРу
/ j.
Відповідні пружні деформації будуть спричинювати
синхронне зміщення вимірювальної бази (лівого торця деталі) обох технологічних
розмірів F1,F2,
а оскільки вони є складовими ланками різних типів (F1- зменшуюча, F2-збільшуюча) це приведе до повної
взаємокомпенсації їх похибок, зокрема викликаних деформаціями та зміщеннями
торця на величини t1,t2. Таке ж синхронне зміщення в одному і тому ж напрямку, внаслідок
пружних деформацій (t3) різця з супортом, будуть мати оброблювані поверхні, задані
технологічними розмірами F1,F2. Величини деформацій можуть відрізнятись на деяку
величину, внаслідок чого, а також наявності можливого впливу інших факторів,
буде мати місце часткова компенсація відповідних похибок.
Врахування взаємокомпесації похибок технологічних розмірів означає, що
при визначенні сумарної похибки розміру ωАі вона повинна бути зменшена на подвійну величину
зкомпенсованої похибки. Тобто при визначенні частини похибки ωFі, яка повинна братись при розрахунку сумарної
похибки, необхідно величину поля розсіювання, що відповідає економічній
точності процесу, зменшити на величину зкомпенсованої похибки, бо інакше це
призведе до необгрунтованого заниження прогнозної точності обробки та
рекомендації застосування додаткової обробки. На основі графічного
представлення схеми оброблення (рис.1) рівняння операційних розмірних ланцюгів та
полів розсіювання, для зазначених варіантів оброблення будуть такими :
Для варіанту 1 - A11 = F3 (1) та ωA11 = ωF3 (2)
Для варіанту 2 - A12 = F1 + F2 (3) та
ωA12 = ωF1 + ωF2 (4)
A1 – конструкторський
розмір;
ωA1 – величина поля розсіювання замикаючої
ланки;
F1, F2 – технологічні розміри 1 типу, задані від
опорної технологічної бази; F3 – технологічний розмір 2 типу, що
забезпечується обробленням набором інструментів;
ωF1, ωF2, ωF3 – величини полів
розсіювання складових ланок - технологічних розмірів.

Очевидно, що в результаті обробки,
незалежно від варіанту задання технологічних розмірів, точність замикаючої
ланки – конструкторського розміру А1 буде однаковою, тобто ωA11 = ωA1. З урахуванням взаємокомпенації похибок технологічних розмірів F1, F2 рівняння
(4), в якому однією із складових буде величина взаємокомпенсації ωк матиме вигляд: ωA1к = ωF1 + ωF2 - 2ωк
(5)
Тоді
можна записати ωA11 = ωA1к або ωF3 = ωF1 + ωF2 - 2ωк (6)
Представимо рівняння (6) у вигляді зручному для
розрахунку величин похибок взаємокомпенсації: 2ωк =
ωF1
+ ωF2
- ωF3; (7)
Використовуючи довідкові
дані, що характеризують точність технологічних розмірів - ωF1, ωF2, ωF3, та, розв’язавши
рівняння (7) відносно ωк, знайшли абсолютні значення взаємокомпенації (ωк) та відносну величину - коефіцієнт взаємокомпенсації
(К), тобто частку величини поля розсіювання технологічного розміру, що буде
взаємокомпенсована К= ωк/ ωFi для умов чорнового та чистового оброблення і діапазонів розмірів від L < 80 мм. до L = 500 - 750 мм. Одержані результати представлені на рис.2,3.

Рис. 2. Залежність величини взаємокомпенсації
похибок обробки від величини технологічного розміру та виду обробки (чорнова,
чистова)
Рис. 3.
Залежність величини коефіцієнту взаємокомпенсації від величини технологічного
розміру та виду обробки (чорнова, чистова)
Покажемо на прикладі практичне використання одержаних результатів. Чистова
токарна обробка набором інструментів виконується згідно схеми (рис.1),
положення оброблюваних поверхонь задано технологічними розмірами F1, F2, величини яких знаходяться в межах до 80 мм., а значення полів розсіювання згідно[1]
будуть такими: ωF1 = ωF2 = 0,17мм. Розрахуємо
прогнозні величини полів розсіювання замикаючої ланки- ωA1.
Без урахування взаємокомпенсації похибок: ωA1 = ωF1 + ωF2; тобто ωA1=0,17+0,17=0,34мм.(IT12). З урахуванням взаємокомпенсації похибок
розрахунок виконаємо з використання коефіцієнта К, який згідно
(рис.3) буде дорівнювати 0,76мм., та залежності ωA1к=ωF1+ωF2 - 2ωк отримаємо 2ωк=2*ωF1*К=2*0,0,17*0,76=0,26мм.( IT9) тоді прогнозна величина поля розсіювання замикаючої ланки-КР буде ωA1к =0,17+0,17-0,26=0,08мм. Отже прогнозні величини полів розсіювання
конструкторського розміру, розраховані з урахуванням і без урахування
взаємокомпенсації похибок
технологічних розмірів будуть суттєво відрізнятись, в розглянутому прикладі- в 4рази.
Висновки: 1.На основі дослідження встановлені графічні залежності
для визначення величин і коефіцієнтів взаємокомпенсації похибок технологічних розмірів при виконанні токарної
обробки набором інструментів, які дозволяють встановити їх значення з
урахуванням умов обробки.
2. Використання
величин і коефіцієнтів взаємокомпенсації похибок
технологічних розмірів дозволяє підвищити ефективність прогнозної оцінки
точності конструкторських розмірів, одержуваних на основі багатоланкових ОРЛ.
3. Величини коефіцієнтів взаємокомпенсації похибок технологічних розмірів при токарній
обробці набором інструментів становлять 63-70% від величини поля розсіювання
технологічного розміру при чорновій обробці та до 75% - при чистовій обробці.
Література:
1. Матвеев В.В., Твеpской М.М., Бойков Ф.И. и дp. Размеpный анализ
технологических пpоцессов. - М.:Машиностpоение, 1982 - 264с.
2.
Косилова А.Г., Мещеряков Р.К.и др. Справочник
технолога-машиностроителя.Т1.М.:Машиностроение,1986.655с.