Салахутдинов
И.Р.
Рязанский государственный радиотехнический университет, Россия
Имитатор
для контроля технического состояния ультразвуковых расходомеров
Для пояснения принципа работы
имитатора приведена следующая структурная схема рисунок 1

Рисунок 1 - Структурная схема,
поясняющая работу имитатора описываемого в этом разделе
1,2…8
- входы и выходы блоков;
L-путь, который проходит
ультразвуковая волна в жидкости.
Требуемыми условиями контроля
является: наличие жидкости в первичном приборе,
расход которой считается, а так же чтобы скорость её потока была равна нулю.
Условно обозначим направление
излучения от 7 к 8 - по ходу потока, а от 8 к 7 - против. Пусть вторичный прибор излучает
импульс идущий по ходу потока с вывода 1, который в конструкции без имитатора
должен был бы попасть на пъезоэлемент (вывод 7) для
излучения ультразвуковой волны. Но данный импульс поступает в имитатор (вывод
3), задерживается на определяемое расходом время и посылается на первичный
прибор. Электрический сигнал формирует ультразвуковые колебания. Ультразвуковая
волна пройдя весь путь L, попадает на приёмник, который переводит механические
колебания среды в электрические, свободно проходящие через имитатор без
задержки. Вторичный прибор фиксирует их. Затем импульс распространяется против
хода потока из 2, на участке 4-6 задерживается, проходит через первичный прибор
и потом без задержки через 3-5 на вторичный прибор. Происходит расчёт расхода
вторичным прибором.
Признаком удачной проверки
расходомера является совпадение расходов, отображаемых на индикаторах имитатора
и вторичного прибора с заданной точностью. Проверка проходит для разных
расходов, которые меняются имитатором с заданным шагом.
Задачей имитатора является
формирование задержек сигнала. Они добавляются к основной задержке t0, требуемой для прохождения ультразвука через стоячую
воду в первичном приборе. После чего сигнал снова возвращается во вторичный
прибор, проходя через имитатор без задержки. Тут возникает вопрос: как
сымитировать случай, когда сигнал распространяется по направлению движению
воды, ведь он обладает большей скоростью, чем в неподвижной жидкости (скорость
ультразвука в среде плюс скорость потока), а значит пройдёт тоже расстояние L за меньшее время. Т. е. в данном
случае нужно не добавлять задержку, а даже уменьшать tv, что невозможно.
(1.1)
где
- угол между пьезодатчиками и
направлением движения воды,
с — скорость звука в веществе, расход которого измеряется,
- время, которое
сигнал экономит при прохождении по потоку
Решение данного вопроса лежит в
свойстве вторичного прибора, который сначала вычисляет время распространения
сигнала по ходу движения tпо и против tпр
(1.2)
А затем вычисляет их разность
tпр- tпо. Таким образом если мы к каждой задержке добавим ещё задержку
(обозначим её за 0) tпр1= tпр+
и tпо1= tпо+
, то результат
tпр1- tпо1= tпр+
- tпо-
= tпр- tпо не измениться, но мы получим
возможность сымитировать движение сигнала по ходу потока, добавляя как бы
«отрицательную» задержку. «Отрицательная» - это задержка меньше
, а это уже можно реализовать.

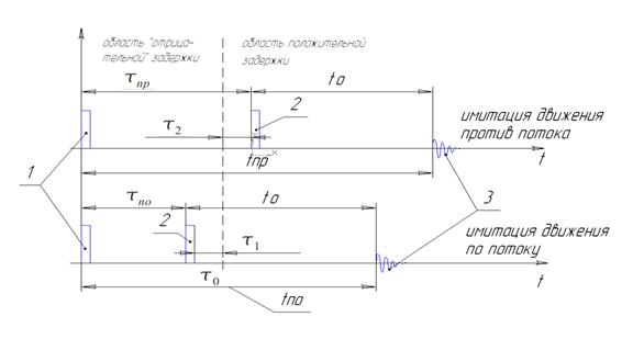
Рисунок 2 - Задержка импульса в
имитаторе
где 1 – импульс перехватываемый
имитатором, 2 – задержанный импульс на время tлин_зад, который подаётся на пьезоэлемент, 3 – импульс идущий на вторичный прибор, а – временная
задержка взятая за ноль, t0 - время необходимое на прохождение ультразвука через
жидкость в первичном приборе, скорость которой равна нулю.
Рассчитаем ![]()
=
+
+t0-(
-
+t0)=
+
+t0--
+
-t0=
+![]()
![]()
+
(1.3)
Таким образом на
влияет только
изменение
и
. Они и определяют расход. Задавая их можно с высокой
точностью воспроизводить изменение скорости потока и расхода.
Сигнал задерживается в имитаторе
линией задержки на время
Если
<
то имитируется
движение по потоку, а если
>
, то имитируется движение против потока.
В реальном приборе учитываются
погрешности
и
. Это погрешности вносимые задержкой на пьезоэлементах.
Имитатор в конечном итоге считает
расход V и Q по формулам
(1.4)
(1.5)
где V — скорость потока жидкости,
расход которой меряется,
S — площадь сечения трубы,
D — внутренний диаметр трубы.