Технические науки/8. Обработка материалов в машиностроении
Закопец О.И., к.т.н. Журавель Л.В.
Самарский государственный технический университет, Россия
Влияние акустического воздействия на
структурообразование сплава АК9М2
Литейные алюминиево-кремниевые сплавы
(силумины) относятся к сплавам эвтектического типа и широко используются как
конструкционные материалы. Применение этих сплавов обеспечивает снижение
удельной металлоемкости узлов и конструкций при минимальной по сравнению с
черными и другими сплавами трудоемкости их изготовления.
Основной структурной составляющей
литейного алюминиевого сплава АК9М2 являются дендриты алюминиевого твердого
раствора (Al) и эвтектика FeSiAl5+Si+(Al). Сплав имеет
средний уровень механических свойств. Используется при производстве деталей для
автомобилестроения [1].
Одной из технологий, обеспечивающей
определенные физико-механические характеристики изделий, является акустическое
воздействие на структуру.
Суть метода слабого акустического
воздействия состоит в следующем: в непосредственно примыкающую к среде влияния
короткозамкнутую гальваническую петлю-антенну от маломощного генератора
подаются слабые электрические импульсы тока. Импульсный электроток создает
поперечное пульсирующее магнитное поле. Акустические волны беспрепятственно и с
большой скоростью распространяются в среде влияния, оказывая воздействие на
скорость протекания процессов.
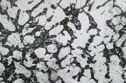
В данной работе в качестве объекта
исследования был выбран промышленный литейный алюминиевый сплав АК9М2. Исходная
структура образца представлена на рисунке 1.

Рисунок 1 – Исходная структура
сплава АК9М2
На первом этапе исследования образец был
переплавлен в лаборатории. При этом наблюдалось незначительное изменение
структуры. На следующем этапе исходный образец был расплавлен при акустическом
воздействии 2000 кГц. Получившаяся структура представлена на рисунке 2.

Рисунок 2 – Структура сплава
АК9М2, подверженного акустическому воздействию 2000 кГц
Также была измерена микротвердость
исходного, переплавленного в лаборатории и подверженного акустическому
воздействию образцов, которая составила 82, 93 и 99 кгс/мм2 соответственно.
Таким образом, можно сделать вывод, что
акустическое воздействие на литейный алюминиевый сплав АК9М2 позволяет
выровнять структуру и повысить микротвердость.
Литература:
1. Силумины. Атлас микроструктур и
фрактограмм промышленных сплавов: Справ. изд. / Пригунова А.Г., Белов Н.А.,
Таран Ю.Н. и др. – М.: МИСИС, 1996. – 175 с.