Кравченко Ю.С., Войтенко
В.В.
Вінницький національний
технічний університет, Україна
Пристрій для
відведення тепла від термовиділяючих електронних компонентів у вигляді
випромінювання
Розроблено пристрій для
відведення тепла від термовиділяючих електронних компонентів у вигляді
випромінювання максимально простої конструкції, з високою швидкодією та низькою
похибкою вимірювання. Пристрій має такі параметри: діапазон вимірюваної температури
від – 60 до +100 ˚ С, напруга живлення
від -3 до +5.5 В, струм живлення 33 мА, час вимірювання 0.75-2 секунд.
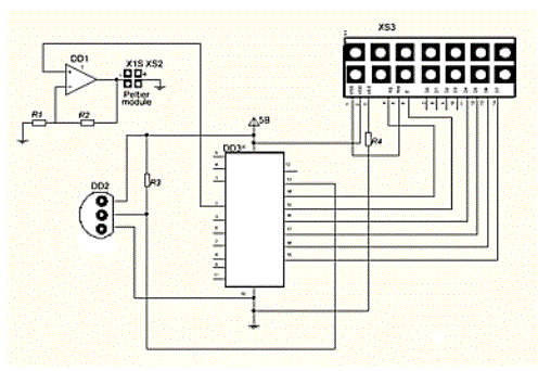
Структурно пристрій для відведення тепла від
термовиділяючих електронних компонентів у вигляді випромінювання складається з
: 1)
джерела живлення, яке живить мікропроцесор та датчик температури Dallas
18B20; 2) блоку центрального мікропроцесора U1 (обробляє
вихідний сигналі із датчика температури, а також забезпечує перетворення
вихідного сигналу і виведення його на індикатор. Подає живлення на модуль
Пельтьє при температурі, яка перевищує значення 60˚С); 3) сенсор температури Dallas
18B20 (проводить вимірювання температури, а також
подає вихідний сигнал на мікропроцесор. Живиться від джерела живлення і працює
в діапазоні температури від -55 ˚С
до +125 ˚С); 4) LCD дисплей XS3 (показує значення
температури, яке виміряне датчиком температури. Здійснює показ включення або
виключення модуля Пельтьє); 5) операційний підсилювач DD1 підсилює
вихідний сигнал з мікропроцесора. Здійснює підсилення напруги майже в 3 рази, а
саме 3 +5В до +12В); 6) модуль Пельтьє XS1 XS2 (охолоджує центральний мікропроцесор комп’ютера. Вмикається
при значенні температури більшої за 60˚С. Вхідна напруга живлення +12В,
яка забезпечується компаратором)
Принципіальна схема пристрою для відведення тепла від термовиділяючих електронних компонентів у вигляді випромінювання зображена на рис. 1, схема працює наступним чином. В якості джерела живлення для мікросхеми та датчика температури Dallas 18b20 використовується стандартне джерело живлення з напругою 5 вольт. Температура повітря зчитується з датчика DS18B20 і передається на мікроконтролер , а потім на LCD дисплей, який виводить значення температури і сигналізує про включення або виключення модуля Пельтьє. При температурі більшій за 60˚С, мікропроцесор подає на вихід PD0/RXD напругу 5В, яка зростає в три рази на операційному підсилювачі DD1 і надходить на вхід модуля Пельтьє цим самим включаючи його. Вимірювання температури здійснюється кожних 1.5 секунди.
Правильно зібраний пристрій для відведення тепла від термовиділяючих електронних компонентів у вигляді випромінювання із правильно запрограмованим процесором практично не потребує налаштувань.
Схему було зібрано і промодельовано в середовищі моделювання ISIS Proteus

Рисунок 1 – Принципіальна схема пристрою для відведення тепла від тепловиділяючих елементів у вигляді випромінювання
На рисунку 2-3 наведено
результати моделювання та демонстрації роботи пристрою у середовищі Proteus ISIS.

Рисунок 2 – Схема моделювання


Рисунок 3 – Часові діаграми роботи пристрою
Література:
1.
Хоменков М.
Цифровой термометр/ М. Хоменков, А. Зверев
— Радио, 1985, № 1, с. 47—49.
2.
Суетин В. Бытовой цифровой термометр/ В. Суетин – Радио,
1991, № 10, с. 28-31.
3.
Власов Ю.
Электронный термометр/ Ю.Власов — Радио, 1994, № 12, с. 39.
4.
Брэй Б.
Применение микроконтроллеров / Б.Брэй. – МК-Пресс: Киев, 2008. – 578с.
5.
Максимов А. PROTEUS VSM. Система виртуального моделирования схем /
А. Максимов. – М.: Техносфера, 2006. – 304с.