МАТЕМАТИЧЕСКОЕ МОДЕЛИРОВАНИЕ ПРОЦЕССОВ ПЕРЕНАПРЯЖЕНИЙ В СИЛОВЫХ ТРАНСФОРМАТОРАХ
Рыбаков Леонид Максимович, д.т.н., зав. кафедрой электроснабжения и технической диагностики Марийского государственного университета
Чемоданов Евгений Витальевич, аспирант кафедры электроснабжения и технической диагностики Марийского государственного университета
Повышение
эксплуатационной надёжности электрических машин требует углублённого изучения
реальных условий их работы и, в частности, всех видов нагрузок на изоляцию.
Для повышения
надежности силовых трансформаторов при перенапряжениях в частях обмотки от
резонанса напряжений высокочастотной гармоники, образующиеся при грозовой
деятельности или коммутации, например, вакуумным выключателем с собственной
частотой в части обмотки может использоваться устройство защиты силовых
трансформаторов от перенапряжений, описанное в патенте [3].
Как указано в
книге [1], математическое моделирование сегодня - основной инструмент
исследований электрофизических процессов в электроэнергетике. Необходимы новые
подходы для синтеза математических моделей, которые опирались бы на
использование таких научных положений ТОЭ, которые исключили бы необходимость экспериментальных
исследований реальных электромагнитных процессов в реальном оборудовании для
подтверждения адекватности математических моделей.
Известно [2,
с.140-141], что при воздействии единичного импульса на обмотку с заземленной
нейтралью максимальное напряжение относительно земли имеет место в первой
четверти обмотки и может достигать 140%. В обмотке с изолированной нейтралью
при воздействии единичного импульса максимальное напряжение на нейтрали
составляет около 250%. Градиент имеет максимальное значение у линейного ввода; внутри
обмотки градиент уменьшается до 30-60% максимальной величины и вновь возрастает
у нейтрали в обмотке с заземленной нейтралью вследствие отражения, в то время
как в обмотке с изолированной нейтралью он часто имеет у нейтрали наименьшее
значение.
Таким образом, для
детального анализа происходящих процессов перенапряжений в силовых
трансформаторах необходима разработка математических моделей.
Пакет Simulink в
среде Matlab позволяет осуществлять исследование
(моделирование во времени) поведения динамических линейных и нелинейных систем.
Поведение
электрических систем, представляющих собой комбинации электрических цепей и
электромеханических устройств, моделируется с помощью библиотеки
SimPowerSystems. Эта библиотека функционирует в составе пакета Simulink и содержит модели типовых устройств
электроэнергетики, таких как трансформаторы, преобразователи, линии
электропередач, электромашины и элементы силовой электроники.
В библиотеке SimPowerSystems используются две системы единиц:
именованные и относительные. При этом точность получаемых результатов расчетов
не зависит от выбранной системы единиц измерения.

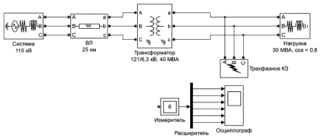
Рисунок 1 –
Электроэнергетическая система
Рассмотрим модель
электроэнергетической системы (рисунок 1). Система состоит из питающего
генератора G, линии W, силового
трансформатора T и нагрузки.
Элементы системы
имеют следующие параметры:
– генератор:
номинальное напряжение
ток короткого
замыкания на выводах ![]()
– линия:
длина
удельное
индуктивное сопротивление ![]()
– трансформатор:
номинальные напряжения обмоток ![]()
номинальная
мощность
относительные
активные и индуктивные сопротивления обмоток ![]()
![]()
– нагрузка:
полная мощность
коэффициент
мощности ![]()
Модель
электроэнергетической системы, построенная в среде Mathlab, изображена на рисунке 2.

Рисунок 2 – Модель
электроэнергетической системы
Кроме, собственно,
элементов системы, в модели присутствуют блоки измерения и анализа данных. В
данном случае, измеряются токи и напряжения в точке короткого замыкания.
Перед запуском
пакета в работу, требуется установить начальные значения токов и напряжений в
системе, выбрать метод и шаг моделирования.
Для данной системы
установка начальных значений токов и напряжений может производиться
автоматически. Блок Powergui, помещенный в модель, позволяет задать начальные
значения переменных модели, выполнить расчет установившегося режима.
При расчете модели
пользователь имеет возможность выбора метода интегрирования - непрерывного или
дискретного, с переменным или фиксированным шагом. Для данной системы
небольшого размера выбран расчет непрерывным методом с переменным шагом,
который, как правило, более точен. Алгоритм с переменным шагом также быстрее,
поскольку число шагов оказывается меньшим, чем при расчете с фиксированным
шагом и сопоставимой точностью.
Численный анализ
распределения импульсного напряжения в обмотке трансформатора — физического процесса,
происходящего в обмотке при распространении импульсной волны, производится пока
двумя, в принципе различными, математическими методами [2].
Первый метод
исходит из уравнений Максвелла и описывает переходный процесс в трансформаторах
при определенных упрощающих условиях в виде распространения электромагнитных
волн.
Второй метод
анализа импульсных процессов, имеющий больше преимуществ и более
распространенный на практике, требует, чтобы обмотка трансформатора была
представлена более или менее сложной цепной схемой с конечным или бесконечно
большим числом элементов; соответственно этому параметры схемы рассматриваются
сосредоточенными или распределенными. Если число элементов конечно, импульсный
процесс, происходящий в такой эквивалентной схеме, описывается системой совместных
обычных дифференциальных уравнений, в то время как при бесконечном числе
элементов мы имеем систему уравнений в частных производных или систему
интегральных уравнений.
Для анализа
процессов перенапряжений в силовых трансформаторах необходимо использовать
среду моделирования Matlab и математическую
модель, основанную на цепной схеме. Математически процесс перенапряжения будет
описываться интегро-дифференциальными уравнениями Фредгольма 2 рода.
1. Бучковский
И. Р., Молнар М. М., Никонец А. Л., Никонец Л. А., Сабат М. Б. Физические
явления внутреннего резонанса в электрооборудовании с обмотками высокого
напряжения / Под ред. Никонца Л. А. - Львов, 2012. - 167 с.
2. Геллер Б.,
Веверка А. Импульсные процессы в электрических машинах. М., «Энергия», 1973. –
440 с.
3.Ахметшин Р. С.,
Рыбаков Л. М., Чемоданов Е. В., Макарова Н. Л. Устройство защиты силовых
трансформаторов от перенапряжений. Патент на изобретение №2505901.