Военная академия связи им. С. М. Будённого, Санкт-Петербург Россия
Метод динамического конденсатора
Весьма удобным методом измерения
постоянного потенциала поверхности и его медленных изменений при различных
воздействиях является метод динамического конденсатора (МДК). Основные
достоинства этого метода высокая чувствительность (10-3 – 10-4
В) и возможность измерения потенциала поверхности практически в любой газовой
среде и в широком диапазоне температур. Первоначально метод был предложен
Кельвином для измерения контактной разности потенциалов и в настоящее время
широко используется для измерения потенциала поверхности и его изменений.
Исследуемый плоский образец является одной
из обкладок воздушного конденсатора. Другой обкладкой является так называемый
эталонный электрод (полупрозрачный металлический слой на стеклянной или
кварцевой подложке или просто пластина металла, если не нужно освещать
поверхность). Основное требование к эталонному электроду – стабильность его
работы выхода во времени и при исследуемых воздействиях. Эталонный электрод
помещается как можно ближе к исследуемой поверхности, и один из электродов,
обычно эталонный, с помощью различных механических устройств приводится в
вибрационное движение, образуя динамический конденсатор. В результате вибрации
емкость конденсатора периодически изменяется. Расстояние между обкладками
обычно меняется по простому гармоническому закону
, (1)
где
– среднее расстояние
между обкладками, а – амплитуда
вибрации. Для повышения чувствительности желательно чтобы
, но пластины не должны соприкасаться.
Емкость динамического конденсатора можно
записать в виде
. (2)
Если между обкладками имеется постоянная
или медленно меняющаяся контактная разность потенциалов или какое либо другое
напряжение V, то будет изменяться
заряд на обкладках
, (3)
и во внешней цепи появится переменный ток
. (4)
Если V = 0, то I = 0 несмотря на изменение емкости. Подавая с помощью
потенциометра постоянного тока на обкладки внешнюю разность потенциалов,
противоположную по знаку V, мы можем
скомпенсировать исследуемую разность потенциалов и в момент исчезновения
переменного сигнала во внешней цепи получить значение контактной разности
потенциалов по показаниям потенциометра.
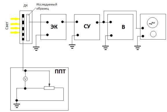
Схема измерений методом динамического
конденсатора показана на рис. 3.8. Возникающий при разнице работ выхода сигнал
проходит через электрометрический каскад (ЭК), усиливается селективным
усилителем, измеряется вольтметром и подается на вход осциллографа. Подавая с
помощью потенциометра постоянное напряжение равное и противоположное по знаку
напряжению контактной разности потенциалов (КРП) на динамическом конденсаторе,
компенсируем сигнал на вольтметре и осциллографе. Частота вибрации
динамического конденсатора обычно выбирается в пределах 20 – 100 Гц.
Компенсационный метод обеспечивает высокую точность измерений значений КРП.
Так как в методе измеряется разность потенциалов
между исследуемой поверхностью и эталонной, важна стабильность работы выхода из
эталонного электрода. Этим методом также можно измерять фотоэдс по разности
значений КРП в темноте V0
и при освещении VL
.
Используя электрод малой площади и
перемещая его по поверхности образца, можно исследовать пространственное
распределение контактной разности потенциалов по поверхности исследуемого
полупроводника.

Рис.1.
Схема измерений потенциала поверхности
методом динамического конденсатора. ДК – динамический конденсатор, ППТ –
потенциометр постоянного тока, ЭК – электрометрический каскад Rвх >1010 Ом,
СУ – селективный усилитель, В – вольтметр, О – осциллограф.
Литература:
1.
Пека Г.П. Физика
поверхности полупроводников. – Киев: Изд-во Киевского университета, 1997. – 190
c.
2.
Ржанов А.В. Электронные
процессы на поверхности полупроводников. .- М.: Наука, 2001. – 480 с.