Физика/2 Физика твердого тела
Д.ф.-м.н. Каримов А.В., д.ф.-м.н. Джураев Д.Р.,
к.ф.-м.н. Ёдгорова Д.М., Тураев А.А.
Физико-технический институт НПО «Физика–Солнца» АН Республики Узбекистан. 100084, г. Ташкент, ул. Бодомзор йули, 2б; e-mail: karimov@uzsci.net.
Приемник
оптического сигнала
на
полевом транзисторе
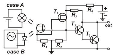
Для проведения исследования фотоприемных
свойств полевого фототранзистора в фотодиодном включении был собран экономичный
усилитель на основе полевого транзистора во входном каскаде и на двух
биполярных транзисторах соединенных по схеме Дарлингтона [1] с напряжением питания
3.0 В, рис.1.
|
|
|
Рис. 1. Электронная схема приемника оптических
сигналов на основе полевого фототранзистора и экономичного усилителя |
При возбуждении полевого фототранзистора интегральным
светом коэффициент усиления уменьшается по мере увеличения оптического сигнала
от 9 лк до 150 лк, как приведено в табл. 1. Благодаря использованию во входном
каскаде полевого фототранзистора обеспечивается высокая чувствительность для
слабых световых сигналов.
Таблица 1
Данные выходного сигнала от интенсивности оптического сигнала
|
Ф,
лк |
9 |
12 |
25 |
50 |
70 |
90 |
150 |
|
U |
20 |
30 |
50 |
100 |
150 |
200 |
300 |
|
U |
2.2 |
2.2 |
2.2 |
2.2 |
2.2 |
2.2 |
2.2 |
|
К |
110 |
73.3 |
44 |
22 |
14.6 |
11 |
7.3 |
Как показали исследования по мере
увеличения фотоЭДС диодного транзистора от 10 мВ до 350 мВ освещаемого лампой
накаливания с увеличивающейся освещенностью от 9 лк до 150 лк величина
выходного сигнала увеличивается от 0.8 В до 2.2 В. При этом начиная с 20 мВ
величина выходного сигнала постоянна и равна 2.2 В.
Аналогично при подаче на транзисторный
фотодиод модулированного излучения от светодиода с частотой модуляции 100 Гц,
когда на выходе фотодиода создается фотоЭДС 300 мВ обеспечиваются
соответствующие коэффициенты усиления (табл. 2).
Таблица 2
Зависимости коэффициента усиления и выходного сигнала
экономичной схемы от
величины входного сигнала
|
U |
100 Гц |
||||||
|
20 |
30 |
50 |
100 |
150 |
200 |
300 |
|
|
U |
2.2 |
2.2 |
2.2 |
2.2 |
2.2 |
2.2 |
2.2 |
|
К |
110 |
73.3 |
44 |
22 |
14.6 |
11 |
7.3 |
При этом увеличение частоты оптического
сигнала приводит к уменьшению коэффициента усиления от 7.33 (100 Гц) до 1.33
при 40000 Гц, рис. 2. Соответственно данную электронную схему можно
использовать для приема модулированных оптических сигналов в диапазоне частот
до 20 кГц.
|
|
|
Рис. 2. Зависимости коэффициента усиления от частоты входного сигнала |
Заключение
Исследуемый полевой фототранзистор при
диодном включении в качестве фотовольтаического приемника имеет высокий
коэффициент усиления при малых интенсивностях оптического сигнала. Можно
полагать, что в фотовольтаическом режиме в р-п-переходе затвора полевого
транзистора могут возбуждаться неосновные носители не только светом, но и
радиационным излучением аналогично индикаторам радиоактивного излучения и прямым
преобразователям ядерной энергии в электрическую.
Литература
1. David A. Hodges. Darlington’s Contributions to Transistor Circuit
Design. IEEE transactions on circuits and systems // Fundamental theory and
applications, V. 46.- No. 1, January 1999. 102
2. Sze S. M., Kwok K. Ng. Physics
of Semiconductor Devices. Hoboken–New Jersey:
Wiley-Interscience, 2007. 3rd ed., P. 94.