Современные информационные
технологии/Компьютерная инженерия
Мясищев А.А.
Хмельницкий национальный
университет, Украина
УПРАВЛЕНИЯ
ГОЛОСОМ С ПОМОЩЬЮ ANDROID И ARDUINO
В
настоящее время наблюдается значительный рост интереса к технологиям, связанным
с распознаванием речи. Например, задачи управления устройствами с помощью
голосовых команд. В последнее время появилась возможность управления домашней,
офисной техникой с помощью Андроид - устройств голосовыми командами, что широко
рекламируется как технология "умный дом".
В работе представлена
программа голосового управления Ардуино с помощью Андроид -
устройства через Bluetooth HC-05. К Ардуино подключены три
исполнительных механизма и датчик температуры. После выполнения соответствующих
команд программа синтезирует голосовое сообщения о результате работы. Этот
пример является типичной подзадачей общей задачи "Умный дом".
Программа также реализует простейший диалог между устройством и пользователем,
отвечая на простые вопросы. Для распознавания и синтеза речи используется
инструментарий Google. Если смартфон поддерживает голосовой поиск в режиме
оффлайн, доступ к Интернет не обязателен. Программа
для Андроид написана в среде Android Studio(язык Java), а для Ардуино - в среде
разработки Ардуино на C++(проект Wiring). Тестировалась на телефоне LG G3
Stylus и планшете Acer A500.
В рамках этой работы на
устройстве Андроид должны выполняться следующие задачи:
1.
При нажатии на кнопку приложения "Нажми для начала диалога"(рис.1) с
помощью механизма Intent(намерение) вызывается Активити, выполняющее
прослушивание произнесенной фразы с последующей передачей ее сервису
распознавания речи. Он может находиться на серверах Google или установлен на
мобильном устройстве, если оно поддерживает сервис "голосовой поиск offline". Если работа производится с серверами через
Интернет результаты распознавания фраз будут значительно лучше. Для решения
этой части задачи используется класс RecognizerIntent.
2.
Результат распознавания в виде текстовой строки сопоставляется со строкой, находящейся в памяти. Если
сопоставление истинно, то запускается синтезатор речи Google и произносится фраза из
памяти, соответствующая сопоставленной. Например, результат распознавания
"включить красный".
Соответствие этой фразе в памяти "красный включила".
Синтезатор сгенерирует эту фразу. Если сопоставление ложно, то синтезатор
сгенерирует фразу, соответствующую распознанной строке. Для синтеза речи
используется класс TextToSpeech.
3.
После окончания синтеза речи основное приложение вновь запускает Активити,
выполняющее прослушивание произнесенной фразы. Это повторение выполняется до
тех пор, пока не будет произнесена фраза "конец связи". После этой фразы приложение должно перейти в
режим ожидания пока вновь не будет нажата на кнопка " Нажми для начала
диалога ".
4. После синтеза речи выполняется ее вывод
через динамики компьютера. Поэтому необходимо в программе использовать
специальный механизм, который бы прослушивал работу акустического вывода речи,
а после окончания запускал вновь Активити по прослушиванию речи и ее
распознаванию. В этом случае будет смоделирован полноценный диалог речевого общения между пользователем и
компьютером. Данный механизм реализуется с помощью абстрактного класса
utteranceProgressListener. Он использует методы, которым передается управление
в начале, в конце высказывания синтезатором и при появлении ошибки.
5.
Если произнесенная фраза соответствует команде, например "включить
синий", то приложением на Андроиде выполняется передача байта на Ардуино
через Bluetooth устройство и Ардуино выполняет включение синего светодиода(имитация
устройства). При команде "температура" Ардуино пересылает приложению
на Андроид значение температуры, считанной с температурного датчика DS18B20.
На рисунке 1 показаны скриншоты до и
после активации голосового ввода.
Рис.1. Скриншоты до и после активации голосового ввода.
В строке "Распознанный текст"
выводится произнесенная фраза или команда, в строке температура - значение
температуры, возвращенное с Ардуино после произнесения команды
"темература". Строка "Нажми для начала диалога" - это
кнопка, после нажатия на которую инициализируется Активити распознавателя речи
с последующей обработкой произнесенных фраз.
Программа на Андроид состоит из двух больших блоков - это блок начала
работы приложения (I) и блок работы приложения после нажатия на кнопку "Нажми
для начала диалога"(II). На рисунке 2 показана блочная
последовательность действий, которые выполняются каждым блоком(I, II).
Здесь приняты следующие сокращения(см. также
текст программы):
1. Блок I:
1.1. Запуск
прил. - выполнить запуск приложения на Андроиде;
1.2. Подкл.
Blu - запускается метод bluet(), который подключает Андроид к Ардуино через
Bluetooth;
1.3. Blu
- выполняется проверка, подключены ли Андроид и Ардуино по Bluetooth;
1.4. Зап. пр.
Т0 - каждую секунду запускается метод run() класса bluetoothInOut, который
посылает запрос к Ардуино для определения температуры и выполняет считывание с
Ардуино значения температуры. Таким образом каждую секунду Андроид получает
новое значение температуры;
1.5. Ож.Кн.
- после запуска приложение переходит в ожидание нажатия на кнопку "Нажми
для начала диалога".

Рис.2. Блок I и блок II,
схематично поясняющие работу программы приложения
2. Блок
II:
2.1. Кн
- нажатие на кнопку "Нажми для начала диалога";
2.2. Blu
- выполняется проверка, подключены ли Андроид и Ардуино по Bluetooth;
2.3. Ост.
таймер - останавливается таймер, который запускает метод run() класса
bluetoothInOut;
2.4. Зап.
пр. Т0 - каждую секунду запускается метод run() класса bluetoothInOut,
который посылает запрос к Ардуино для определения температуры и выполняет
считывание с Ардуино значения температуры.
2.5. Зап.
РГ - запускается распознаватель голоса, метод spi();
2.6. Резул.
РГ - метод onActivityResult получает результаты распознавания голоса и
выполняет их сравнение со строкой вопросов и команд;
2.7. Blu
- выполняется проверка, подключены ли Андроид и Ардуино по Bluetooth;
2.8. Ср.
РР с коман. - сравнивается результат распознавания голоса с прописанной
командой. При совпадении задается значение переменной value кодом символа.
Например, символ "1", соответствующий включению RED(см. программу для
Ардуино), представлен кодом 49 и т.д.;
2.9. V54
- выполняется условие value != 54. Код 54 (символ "6") - это код запроса
температуры от Ардуино;
2.10. Чтен.
темпер. - распечатывается значение температуры в строке вывода текста temtext и строковой переменной spout
присваивается ее значение, которое Андроид получает каждую секунду от Ардуино;
2.11. Посыл.
ком. - через Bluetooth на Ардуино посылается байт данных (символ) для
включения или выключения соответствующего устройства(RED, GREEN, BLUE);
2.12. Синтез
РР - вызывается метод tts.speak, выполняющий аудио синтез ответа на
произнесенный вопрос, результат выполнения команды, значение температуры или
произнесенную фразу, если нет соответствия между вопросом и ответом(т.е.
система работает как попугай);
2.13. Просл.
Аудио - здесь работает метод onDone класса utteranceProgressListener
который следит за окончанием генерации динамиком звука синтеза речи;
2.14. АЗ
- проверка завершения аудио вывода синтезатором речи;
2.15. КС
- проверка произнесения фразы "конец связи";
2.16. Blu
- выполняется проверка, подключены ли Андроид и Ардуино по Bluetooth;
2.17. Ост.
таймер - останавливается таймер, который запускает метод run() класса
bluetoothInOut;
2.18. Зап.
пр. Т1 - каждую секунду запускается метод run() класса bluetoothInOut,
который выполняет считывание с Ардуино
значения температуры(запрос на температуру не посылается);
2.19. Ож.
кн. - приложение переходит в ожидание нажатия на кнопку "Нажми для
начала диалога".
В
соответствии с перечисленными задачами рассмотрим основные отдельные блоки приложения.
1. Создается класс приложения MainActivity,
наследуемый от класса Activity - базового класса для всех экранов приложения.
Здесь используется интерфейс TextToSpeech.OnInitListener для инициализации
синтезатора речи.
public class MainActivity
extends Activity implements TextToSpeech.OnInitListener {
// Объявление
переменных
public String sp10 = " выключить зеленый ";
public String sp20 = " включить зеленый "; ...
// Socket, с помощью которого будут отправляться данные
// на bluetooth Arduino
private BluetoothSocket clientSocket;
// UUID для случая
подключения к последовательному bluetooth
устройству
private UUID uuid =
UUID.fromString("00001101-0000-1000-8000-00805F9B34FB"); ...
// Описание хеш
карты для хранения
// ключа
(TextToSpeech.Engine.KEY_PARAM_UTTERANCE_ID)
// и любого
значения - строки (например - "5678")
private HashMap<String, String>
params = new HashMap<>();
@Override
public void onCreate(Bundle
savedInstanceState) {
super.onCreate(savedInstanceState);
setContentView(R.layout.activity_main);
txtText = (TextView)
findViewById(R.id.input_text);
temtext = (TextView)
findViewById(R.id.textView2);
tts = new TextToSpeech(this, this);
tts.setOnUtteranceProgressListener(new
utteranceProgressListener()); //Установка слушателя синтеза речи
bluet(); } // Подключение bluetooth
// Вызов активности распознавателя голоса при нажатии на
кнопку
public void click(View view) {
if(upbluetooth==0) { // Если Bluetooth подключен
// При нажатии на кнопку останавливаю таймер работы
// программы по передаче и чтению температуры
time.cancel(); time.purge();
// Запускаю таймер работы программы с новыми начальными
// данными(посылка запроса температуры и прием температуры)
bluecancel = 0; time = new Timer();
bluetoothInOut bInOut = new
bluetoothInOut();
time.schedule(bInOut,500,1000); }
spi(); } // Запускаю распознаватель
речи
@Override
// Следующий метод выполняет инициализацию синтезатора речи.
// Он требует назначения интерфейса TextToSeech.OnInitListener
для
// базового класса приложения
MainActivity
public void onInit(int status) {
if (status == TextToSpeech.SUCCESS) {// При успешной инициализации
tts.setLanguage(Locale.getDefault());
// выполняется использование языка
// синтезатора, установленного по умолчанию
// Передача параметра params для вызова слушателя
синтезируемой речи.
params.put(TextToSpeech.Engine.KEY_PARAM_UTTERANCE_ID,"HELLO"); } else
{txtText.setText("Инициализация не выполнена"); } }
... (далее классы и методы, которые кратко описаны ниже) }
2. Метод
spi() используется для запуска активности распознавания голоса Google с
помощью механизма Intent. Активность формирует запрос к серверам Google и посылает
его через Интернет.
public
void spi() {
// Intent подготавливает запуск активности
распознавания голоса
Intent intent = new
Intent(RecognizerIntent.ACTION_RECOGNIZE_SPEECH);
// Передача в активность параметров:
// 1.
Задает модель распознавания, оптимальную для коротких фраз
intent.putExtra(RecognizerIntent.EXTRA_LANGUAGE_MODEL,
RecognizerIntent.LANGUAGE_MODEL_WEB_SEARCH);
//
2. Задает подсказку пользователю
intent.putExtra(RecognizerIntent.EXTRA_PROMPT,
"Говори громко и четко!");
// Запускается активити, выполняющее
распознавание произнесенных
// фраз и возвращающая результаты распознавания
startActivityForResult(intent, CODE);
}
3. Метод onActivityResult используется в программе для получения результатов работы Активити
распознавания речи. Фактически он принимает результат распознавания с серверов Google через
Интернет и передает их основному приложению.
protected
void onActivityResult(int requestCode, int resultCode, Intent data) {
// Возврат результатов
распознавания речи
super.onActivityResult(requestCode,
resultCode, data);
// Если это результаты распознавания речи (CODE)
// и процесс распознавания прошел успешно
switch (requestCode){ case CODE: {
if (resultCode == RESULT_OK
&& null != data) {
// то получаем
список текстовых строк - результат распознавания.
// Строк может быть несколько, а правильные результаты идут в
начале
ArrayList<String> spee =
data.getStringArrayListExtra(RecognizerIntent.EXTRA_RESULTS);
sp =spee.get(0); // Из массива строк - результатов выбирается самая первая
txtText.setText(sp); // и выводится на экран
spout = sp;
//
Сопоставления результата распознавания со строками вопросов
int r10 = sp.compareTo(sp10); ...
// В зависимости от результата сопоставления выбирается
тот или иной ответ
if (r10 == 0) spout = sp20; ...
if (upbluetooth == 0) { // Если подключение к bluetooth существует то
// результат сравнения представляем символом
//
Например, если результат распознавания голоса соответствует строке
// "включить зеленый" то на bluetooth посылаем символ 3 (код
51)
... if (r3 == 0) value = 51; ...
// Если запрашиваем температуру, то посылаем данные
if (value != 54)
outData(value);
if (value == 54) {
temtext.setText(readMessage); //
Распечатываем температуру
spout = readMessage; } }
// Синтез речи для выбранного ответа
tts.speak(spout, TextToSpeech.QUEUE_ADD, params);
} } break;
} }
4. Объявляем класс
utteranceProgressListener, наследуемый от класса UtteranceProgressListener. Он необходим для
выполнения действий после прослушивания результата синтеза речи. Выше было
отмечено, что Активити распознавания речи должно запускаться автоматически
после произнесенной синтезатором речи фразы до тех пор, пока не встретятся
голосовая команда "конец связи". Этот класс содержит необходимый нам
метод, который выполняется после завершения звука динамиком, сгенерированным
синтезатором.
public class utteranceProgressListener
extends UtteranceProgressListener {
@Override
public void onDone(String utteranceId)
{ // Действия после окончания
//речи синтезатором
r19 =
sp.compareTo(sp19);
if(r19 != 0) spi(); // Если не "конец связи", то активити
//распознавания голоса запускается вновь
else { if(upbluetooth==0) { //
Если Bluetooth включен
// и если произнесено "конец связи" -
останавливаю таймер
time.cancel(); time.purge();
// и запускаю таймер работы программы с новыми
начальными данными
// (без посылки запроса температуры но с приемом
температуры)
bluecancel = 1; time =
new Timer();
bluetoothInOut bInOut = new
bluetoothInOut();
time.schedule(bInOut,500,1000);
} } }
@Override
public void onStart(String
utteranceId) { }
@Override
public void onError(String
utteranceId) { txtText.setText("Error"); } }
5. Метод bluet используется для подключения
bluetooth устройства Ардино с заданным адресом. Чтение температуры с Ардуино
выполняется раз в одну секунду с помощью классов Timer и TimerTask.
public void bluet() { // Подключение к bluetooth
Intent enableBt = new
Intent(BluetoothAdapter.ACTION_REQUEST_ENABLE);
enableBt.addFlags(Intent.FLAG_ACTIVITY_NEW_TASK);startActivity(enableBt);
// Используется bluetooth по умолчанию
BluetoothAdapter bluetooth =
BluetoothAdapter.getDefaultAdapter();
try { // Выбираем
bluetooth с конкретным адресом для простоты
BluetoothDevice device =
bluetooth.getRemoteDevice("98:D3:31:B0:86:16");
// Создание RFCOMM секретного socket для входящих и исходящих
сообщений
clientSocket = device.createRfcommSocketToServiceRecord(uuid);
// Попытка
подключения к удаленному bluetooth
clientSocket.connect();
// Если
попытка удалась, выводится сообщение внизу экрана
Toast.makeText(getApplicationContext(), "Связь с bluetooth установлена",
Toast.LENGTH_LONG).show();
upbluetooth=0; time = new Timer();
bluetoothInOut bInOut = new
bluetoothInOut();
time.schedule(bInOut,500,1000); //Через 500 миллисекунд после
// запуска программы начинать
// запрашивать температуру каждую секунду
}
6. Класс bluetoothInOut, который наследуется от
класса TimerTask необходим для запроса температуры с Ардуино один раз в секунду.
public
class bluetoothInOut extends TimerTask {
public void run() {
try {
if( bluecancel == 0 ) //Только в этом случае
посылаем запрос температуры
{OutputStream outStream =
clientSocket.getOutputStream(); outStream.write(54);}
// Получаем
входной поток для приема данных
InputStream inb = clientSocket.getInputStream();
// Преобразование входного потока от bluetooth в строку
DataInputStream in = new DataInputStream(inb); bytes = in.read(buffer);
if (bytes > 10 )
// Если через bluetooth получено (например)
больше 10 байт, то
{ // преобразуем байты в строку с нулевого индекса до индекса bytes
readMessage = new String(buffer, 0, bytes); }
} catch (IOException e) { } } }
Необходимо
подчеркнуть следующие особенности работы программы.
1. Перед запуском синтезатора речи необходима его
инициализация. Для этого основной класс MainActivity создается с использованием
интерфейса TextToSpeech.OnInitListener. При инициализации используется метод onInit(int status).
2. Для работы метода onDone класса
utteranceProgressListener, который следит за окончанием генерации динамиком
звука синтеза речи, необходимо описание хеш карты для хранения ключа в params.
При инициализации синтезатора необходимо выполнить передачу ключа с помощью
метода
params.put(TextToSpeech.Engine.KEY_PARAM_UTTERANCE_ID,"
HELLO"). Необходимо также установить слушатель синтеза речи
tts.setOnUtteranceProgressListener(new utteranceProgressListener());
3. Чтение температуры с Ардуино выполняется раз в
одну секунду с помощью классов Timer и TimerTask, которые выполняют запуск
задачи в определенное время в будущем через определенные интервалы(500 и 1000
миллисекунд соответственно по программе). Попытка организации запроса
температуры с последующим ее чтением в основном потоке Thread приводит к тому,
что для получения текущего значения температуры необходим ее повторный запрос.
Т.е. для получения правильного текущего значения температуры необходимо два
раза сказать: "температура". Использование отдельного потока Thread с
классом Handler работает правильно но
приводит к ошибочной передаче кириллицы. Латиница передается верно, как
это представлено в работе[6]. Поэтому здесь использовался способ чтения
температуры с одновременным ее запросом с Андроид каждую секунду в переменную
readMessage, которая доступна в любой момент синтезатору голоса. При команде
"температура" ее значение берется из строки readMessage и синтезируется
синтезатором.
Текст программы на языке
Java с файлом разметки и манифестом для Android Studio
1.0.1. представлен в источнике [4]. Видео - ролик работы разработанной здесь
системы представлен в источнике [3].
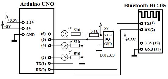
На рисунке 3. показана схема подключения
к Arduino UNO устройства связи Bluetooth HC-05, датчика температуры DS18B20 и
трех светодиодов красного, зеленого и синего цвета (альтернатива трем
исполнительным механизмам, например свет, телевизор и кондиционер).

Рис.3. Схема подключения устройств к Ардуино
Программа для Ардуино
написана в стандартной среде разработки Ардуино[5]:
#include <OneWire.h> //Подключаем
описание
библиотеки
шины OneWire
#include
<DallasTemperature.h> //Подключаем
описание библиотеки для определения температуры(DS18B20)
#define
ONE_WIRE_BUS 5 //Датчик температуры
подключен к 5-му выводу
char inByte; // входящие данные
int RED
= 2; // RED подключен к 2 выводу
int GR =
4; // GREEN подключен к 4 выводу
int BL =
6; // BLUE подключен к 6 выводу
OneWire oneWire(ONE_WIRE_BUS); //Настройка шины 1wire для работы с 5-м
// выводом Ардуино
DallasTemperature sensors(&oneWire); // Подключаем датчик
температуры
void setup() {
Serial.begin(9600); // инициализация порта
sensors.begin(); //Инициализация датчика температуры DS18B20
pinMode(RED,
OUTPUT); //Установка 2-го
вывода на выход
pinMode(GR, OUTPUT); //Установка 4-го вывода на выход
pinMode(BL, OUTPUT); //Установка 6-го вывода на выход
sensors.requestTemperatures(); // Запрос температуры
int temp=sensors.getTempCByIndex(0);
// Получение температуры с нулевого
// датчика
}
void loop() {
if (Serial.available()
> 0) { //если пришли данные от
Bluetooth на
//последовательный порт
inByte = Serial.read();
// то считываем байт
if(inByte == '0')
{ digitalWrite(RED, LOW); // если 0, то выключаем RED}
if(inByte
== '1') { digitalWrite(RED, HIGH); //
если 1, то включаем RED}
if(inByte
== '2') { digitalWrite(GR, LOW); // если 2, то выключаем GREEN}
if(inByte
== '3') { digitalWrite(GR, HIGH); //
если 3, то включаем GREEN }
if(inByte
== '4') { digitalWrite(BL, LOW); // если 4, то выключаем BLUE }
if(inByte
== '5') { digitalWrite(BL, HIGH); //
если 5, то включаем BLUE }
if(inByte
== '6') { // если 6, то считываем
температуру
// и
посылаем ее на bluetooth
sensors.requestTemperatures();
int temp=sensors.getTempCByIndex(0);
Serial.print("Температура, ");Serial.print(temp); Serial.print(" "); }}}
Выводы.
1.Разработаны
программы для смартфонов и планшетов на
ОС Андроид и Ардуино , позволяющие выполнять
голосовое управление устройствами, подключенными к Ардуино. Здесь
используется инструментарий Google для распознавания и синтеза речи. Причем
повторный запуск Активити распознавания выполняется в цикле после окончания
генерации звука благодаря использования класса UtteranceProgressListener.
2.
Представлена схема подключения к Ардуино устройств, которыми выполняется
голосовое управление.
3.Следует
отметить высокое качество распознавания произнесенных фраз при работе с
серверами Google через Интернет и более низкое при работе с библиотекой
речевого поиска Google в режиме offline, если мобильное
устройство поддерживает этот режим.
4.При
создании библиотеки голосовых команд необходимо подбирать такие команды,
которые распознаются с меньшими ошибками. Особенно это относится к режиму offline.
5.Опыт
показал, что при создании систем голосового управления для более надежного
распознавания и автономности целесообразно использовать технологию
распознавания с коротким словарем команд, которая работает всегда в режиме offline.
6.Представленный
здесь голосовой интерфейс можно рекомендовать для создания систем простой
справочной службы и голосового управления.
Литература.
1. А.В.
Фролов Г.В. Фролов. Синтез и распознавание речи. Современные решения. /
Интернет-ресурс. - Режим доступа: http://www.frolov-lib.ru/books/hi/index.html.
- 2003.
2.Android.
/ Интернет-ресурс. - Режим доступа: http://developer.android.com/reference/android/package-summary.htm.
3. Андроид и
ардуино в задачах голосового управления через Bluetooth. / Интернет-ресурс. -
Режим доступа:
https://youtu.be/zis9Q8AuxuU
4.
Мясищев А.А. Андроид и Ардуино в задачах управления голосом и синтеза речи с
использованием Bluetooth. / Интернет-ресурс. - Режим доступа: https://sites.google.com/site/webstm32/8-upravlenie-golosom-s-pomosu-android-i-arduino.
- 2015.
5. Arduino. Официальный
сайт. [Electronic resource]. - Mode
of access: http://arduino.cc , 2014.
6.
Передача данных по Bluetooth между Android
и Arduino. / Интернет-ресурс. - Режим доступа: http://cxem.net/arduino/arduino64.php. -
2012.