Мотроненко В.В.
Національний технічний
університет України «КПІ»
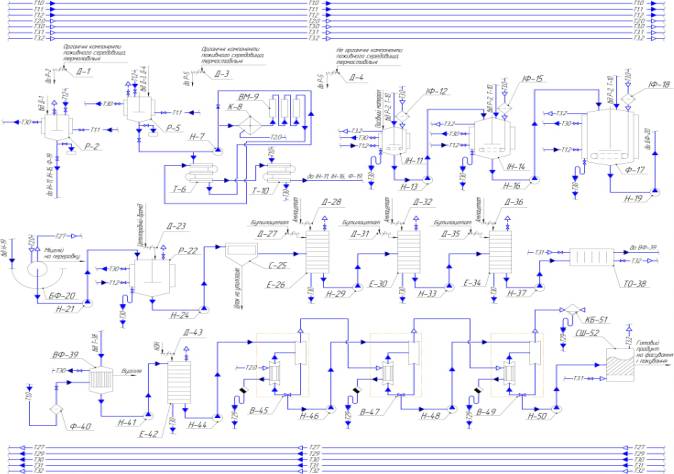
Принципова апаратурно-технологічна
схема виробництва пеніциліну
Неможливо уявити сучасну медицину
без антибіотиків, особливо без пеніциліну. З його допомогою ведуть успішну
боротьбу з багатьма інфекційними захворюваннями, як людей, так і тварин, і
щорічно допомагають врятувати мільйони життів.
На сьогоднішній день, пеніцилін
виробляють з грибів роду Penicillium
біотехнологічним способом. Апаратурно-технологічна схема лінії виробництва
пеніциліну, що на рисунку 1, основними стадіями виробничого процесу є
підготовка поживного середовища та посівного матеріалу, основна ферментація та
виділення цільового продукту.


Рисунок
1 – Принципова апаратурно-технологічна схема виробництва пеніциліну
Поживне середовище,
до складу якого входять термостабільні компоненти, готується в реактор-змішувач
Р-5, звідки частина насосом Н-7 відразу подається на установку безперервної
стерилізації, а інша частина йде в міжтрубний простір теплообмінника типу
«труба в трубі» Т-6, далі подається на колонку швидкісного нагріву К-7 і
нагрівається до температури 120°С.
Витримування поживного середовища проводять у 3-ьох витримувачах ВМ-9,
звідки подається у трубний простір теплообмінника типу «труба в трубі» Т-6 і
охолоджується холодним поживним середовищем, що у міжтрубному, а потім у
трубний простір теплообмінника типу «труба в трубі» Т-10, де охолоджується
холодною водою, що подається у міжтрубний простір. На виході ми отримуємо
поживне середовище з температурою 36°С. Лактозу, як термолабільний компонент
поживного середовища готують окремо в реакторі-змішувачі Р-2, де відбувається,
не лише його приготування, а й стерилізація.
Спорова культура,
яка використовується для засіву інокулятора, вирощується на пшоні у скляних
флаконах, висушується і в такому вигляді зберігається при кімнатній
температурі. Її виробництво відбувається окремо і не входить до складу
представленої лінії. Посів роблять сухими спорами з 2-3 флаконів відразу в інокулятор
ІН-11.
Вирощування
посівного міцелію триває 36-50 годин. Міцелій, вирощений в інокуляторі ІН-11, перісівається
в кількості 10% за обсягом від номінального значення в інокулятор ІН-14, де
культивується протягом 12-18 годин при заданих умовах, а потім пересівається в
виробничий ферментер Ф-17 в кількості 15-20% від номінального об’єму заповнення
апарату. Процес вирощування посівного міцелію 1-ї і 2-ї генерації та основної
ферментації здійснюється при температурі 34-36°С та постійному рівні рН з
дотриманням асептичних умов. Основними показниками, що свідчать про закінчення
ферментації, є повне зникнення вуглеводів в культуральній рідині і припинення
біосинтезу антибіотика. Процес ферментації у виробничих умовах з триває 120-125
годин. Виробництво пеніциліну, вирощування посівного міцелію та основна
ферментація здійснюють при безперервному перемішуванні механічними
перемішуючими пристроями і безперебійній подачі повітря в апарати в кількості
1,2-1,5% від об'єму повітря на один об'єм середовища за хвилину. Повітря в апарати подається через індивідуальні фільтри
очистки ІФ-12, ІФ-15, ІФ-18.
Для відділення
міцелію від культуральної рідини застосовують вакуум-барабанний фільтр БФ-20
безперервної дії. Нативний розчин (фільтрат культуральної рідини) являє собою
більш-менш каламутну, забарвлену в жовто-коричневий або зеленувато-коричневий
колір рідина. Величина рН середовища залежно від штаму продуцента, складу
середовища і тривалості процесу ферментації зазвичай коливається від 6,2 до
8,2. Нативний розчин містить 3-6% сухих речовин. На мінеральні речовини
припадає 30-40% сухого залишку, від 15 до 30% припадає на пеніцилін, а інше
являє складну суміш органічних речовин, включаючи білки, поліпептиди,
низькомолекулярні азотисті сполуки, вуглеводи, різні органічні кислоти і,
залежно від штаму продуцента, ту чи іншу кількість пігменту.
У промисловості
витяг активної речовини з нативного розчину засноване на екстракції. Перед екстракцією відбувається поділ емульсії
на сепараторі С-25. На стадії екстракції пеніциліну з нативного розчину
використовуються трьохступінчасті
екстрактори Е-26, Е-30 і Е-34, в яких і відбувається бутилацетатна екстракція.
Співвідношення фаз при проведенні бутилацетатної екстракції пеніциліну з
нативного розчину становить 1,0: 0,3-0,45, температура 4-3°С.
Найбільш надійним
методом, що забезпечує отримання кристалічного пеніциліну хорошої якості, є
виділення бензилпеніциліну з бутилацетатного екстракту у вигляді
концентрованого водного розчину калієвої солі з наступним упаренням води з
бутанолом під вакуумом, що призводить до кристалізації калієвої солі з
бутилового спирту. Зневоднення бутилацетатного екстракту шляхом охолодження до
16-18°С проходить за рахунок теплообмінника-охолоджувача ТО-38 з подальшою
фільтрацією від льоду. Видалення пігментних забруднень обробкою активованим
вугіллям здійснюється у вугільному фільтрі ВФ-39 і фільтрацією на охолодженому
фільтрі Ф-40. Отримання концентрату калієвої солі бензилпеніциліну екстракцією
0,56-0,6 розчином їдкого калію, відбувається у тарілчастому екстракторі Е-42. Упарювання
під вакуумом з бутиловим спиртом відбувається у випарних вакуум апаратах з
виносними гріючими камерами В-45, В-47, В-49 при температурі 16-26°С. Обсяг
кубового залишку повинен становити не більше 60-80% обсягу завантаженого
концентрату. Гранулювання отриманої пасти і сушка калієвої солі відбувається в
сушарці-грануляторі з псевдозрідженим шаром СШ-52 при температурі 75-80 °С і
залишковому тиску 10-20 мм рт. ст. При цьому виходить калієва сіль
бензилпеніциліну у вигляді білого дрібнокристалічного порошку з активним
вмістом бензилпеніциліну порядку 95% і виходом 70% від кількості антибіотика в
нативному розчині. Далі висушений пеніцилін використовують для виробництва
готових лікарських засобів.
Найважливішим вимогою,
що пред'являються до одержуваного сухого порошку пеніциліну, є його повна
стерильність. Термічна обробка препарату недостатня. Стерильність може бути
забезпечена лише при проведенні заключних стадій процесу в строго асептичних
умовах, що виключають можливість зараження продукту мікроорганізмами і їх
спорами. Тому, починаючи зі стерилізованої фільтрації концентрату і бутанолу,
всі операції проводяться в ізольованих стерильних приміщеннях і в стерильній
апаратурі. Для забезпечення умов асептики здійснюється весь комплекс необхідних
санітарних і технологічних заходів [4].