Технические науки/ 6.Электротехника и радиоэлектроника
К.т.н., доц. Герасіна О.В.,
Стецюк Д.С.
ДВНЗ «Національний гірничий
університет», Україна
Імітаційна модель системи передачі інформації з квадратурним
формуванням і обробкою MSK-сигналу
Метод формування сигналу з
частотною модуляцією використовує для формування частотної (FSK) модуляції
генератор, керований напругою (ГУН) або частотний модулятор. Ключовою
особливістю ГУН є миттєва зміна частоти, пропорційне модулюючому сигналу
, при цьому фаза
повинна бути пропорційна інтегралу модулюючого сигналу.
Для вирішення проблеми частотного
ресурсу потрібно використовувати сигнали з мінімальною смугою, тому забезпечують
мінімальний розніс частот при використанні несучого коливання з частотною
модуляцією. При реалізації цифрового радіоканалу, для підвищення
завадостійкості прийому FSK сигналу необхідно, щоб відрізки синусоїд, що
відповідають різним символам, були некорельовані між собою.
Якщо
частоти передачі нуля і одиниці вибрати таким чином, щоб рознос частот
дорівнював
, то
взаємна кореляція цих сигналів буде дорівнювати нулю. Мінімальний рознос частот
при цьому буде
. Модуляція
з таким розносом частот передачі нуля й одиниці отримала назву частотної маніпуляції з мінімальним зрушенням (MSK)
[1, 2].
При MSK
не відбувається стрибків фази і зміна частоти відбувається в моменти перетину
несучої нульового рівня. При цьому, значення частот відповідних логічним «0» і
«1» відрізняються на величину рівну половині швидкості передачі даних.
Розробка
імітаційної моделі системи передачі інформації з квадратурним формуванням і
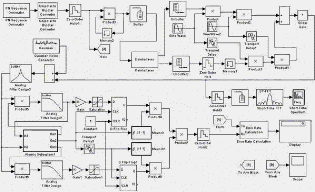
обробкою MSK-сигналу проводилась у середовищі Matlab (рис.1).

Рис.1. Структура імітаційної моделі в середовищі Matlab
Джерелом
інформації є генератор псевдовипадкової послідовності (ПВП) – (блок PN Sequence
Generator). Інформаційне повідомлення
перетвориться
до біполярного виду (блок Unipolar to bipolar converter) згідно з формулою
, далі піддається відносному перекодуванню
. Останнє необхідно для того, щоб після складання модульованих
несучих в квадратурних каналах закон модуляції результуючого сигналу відповідав
інформаційному повідомленню
. Перекодований таким чином сигнал розділяється на два
квадратурних канали: парні біти надходять в синусний канал, непарні - в
косінусний (блок Deinterlacer).
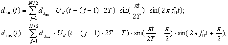
Сигнали в квадратурних каналах мають вигляд:
(1)
Після
складання квадратурних компонент амплітудна модуляція зникає, і результуючий
радіосигнал стає частотно-модульованим. Блок Slider Gain моделює підсилювач
потужності на виході передавача. Девіація частоти дорівнює
Гц, закон модуляції повторює вихідну біполярну
послідовність
. Співвідношення тактової частоти інформаційних
символів і девіації частоти сформованого сигналу таке, що він відноситься до
класу сигналів MSK. Далі сигнал пропускається через обмежений по смузі канал
зв'язку з адитивним білим гаусовським шумом і приймається квадратурним
приймачем, в якому над сигналом проводяться операції для відновлення
інформаційної послідовності. В моделі (рис. 1) є схеми відновлення несучого
коливання і тактової частоти інформаційних символів (підсистема-блок Atomic
Subsystem1).
Імітаційна модель і сформований MSK-сигнал за своїми
параметрами відповідають теорії і можуть служити об'єктом дослідження і
застосовуватись при проектуванні радіосистем. Подальшим розвитком моделі може
бути введення завадостійкого кодування та кадрової синхронізації.
Література:
1.
Прокис Дж.
Цифровий зв'язок. – М., Радио і Зв'язок
, 2000.
2.
Сергіенко
А.Б. Цифрова
обробка сигналів - СПб.: Видавничий дім "Пітер",
2002. - 608 с.