Bezvesilna O., рrof.; Tkachuk A., PhD
National technical university of Ukraine “Kyiv Polytechnic Institute”,
Zhytomyr State
Technological University, Ukraine
THERMO-ANEMOMETRIC FLOWMETER
The
necessity for fuel consumption control is becoming more and more important in
automobile transport design. Flowmeters of various types are aimed to solve
this problem and to avoid fuel misuse. Flowmeters are not only used for
automobile and freight transport, but also for farm machinery (forklifts,
harvesters, and others), for special construction equipment, river and sea
transport, buses, etc.
The
thermo-anemometric flowmeter (TAF) is considered one of the best devices for
measuring the consumption of biofuels [1]. Its main principle is to heat the
fuel flowing to the engine, and to measure the distribution of the temperature
field created by the heater in this flow. The changes of temperature field with
engine fuel flow are determined by the definite functional dependence on fuel
consumption value. That is why it is possible to determine fuel consumption
with high accuracy by measuring the temperature field along the engine fuel
flow axis. This makes the problem of thermo-anemometric flowmeter mathematical
model development of current interest.
The new
flowmeter design uses groups of thermocouples to measure the engine fuel
consumption with higher accuracy. Such a solution provides the determination of
temperature value at the fixed set of points within the engine fuel flow, and
subsequent computer algorithmic equation processing compensates for a number of
measurement errors. Thus, it is necessary to develop a new mathematical model
for this flowmeter. This will allow for measurement of the detailed
distribution of the temperature field at all points of the fuel flow where the
thermocouples are installed. They should be placed in locations where the
medium flow rate is the highest, which will result in an increased heat
transfer coefficient.
The aim
of this paper is to develop the mathematical model of thermo-anemometric
flowmeter [1, 2] and to conduct the corresponding modeling. To achieve this, it
is necessary to analyze the existing mathematical model of the temperature
field in a biofuel flow going through the flowmeter; to conduct
the computer numerical modeling of the heater heat balance in mobile fuel
stream through a TAF; to develop a new mathematical model of the temperature
field distribution along the tube; to calculate the improved value of biofuel
consumption and to propose methods to improve the accuracy and speed of TAFs.
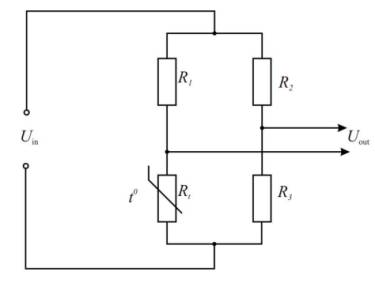
A
thermo-anemometer is a device for measuring fluid flow speed. Its functioning
principle is based on the dependence of convective heat transfer of sensor (S)
on the flow speed, when the sensor is placed in the flow and heated by an
electric current. The measuring bridge is the main part of a thermo-anemometer
(Figure 1). This bridge has the sensor in one of its arms. The amount of heat,
which is transferred by the heated sensor to the fluid flow, depends on the
physical characteristics of the moving medium, piping geometry and sensor
orientation. The higher the temperature of the sensor is, the higher the
sensitivity of the thermo-anemometer is.

Figure 1. Measuring bridge of
a thermo-anemometer (t0—the measured temperature)
Thermo-anemometers
are classified according to the features which characterize the heat mode of
the converter: the way of sensor heating (direct, indirect, continuous, and
impulsive), the type of bridge current (direct, alternating), the type of
electric circuit, etc. There are direct current and constant temperature
thermo-anemometers depending on the converter heat mode.
Figure
2 shows the schematic diagram of the thermo-anemometric flowmeter, the sensor,
and the processing and display unit [3-5].

Figure 2. The thermo-anemometric flowmeter schematic diagram
The
bridge of such a generator is powered by a source with high internal
resistance. It provides a constant current value at the sensor changing the
resistance. Due to the fact that the temperature of the sensor changes with
time, the band of recorded frequencies for non-stationary and turbulent flow is
limited because of the sensor thermal lag. This causes a decrease of the
amplitude of the signal at high frequency ω pulsations of times, where
τ is the time constant of the sensor. Thermo-anemometers of the hot wire
type use a very fine wire on the order of several micrometers, electrically
heated up to some temperature above ambient. Fluid flowing past the wire has a
cooling effect on it. As the electrical resistance of most metals is dependent
upon the temperature of the metal, a relationship can
be obtained between the resistance of the wire and the flow speed.
The
designed mathematical model of the temperature field in a biofuel stream coming
through a flowmeter is analyzed in [1, 3, 4]. The computer numerical modeling
for the heater heat balance in a mobile fuel flow coming through a TAF is
performed. It is found that in order to increase the accuracy of the TAF, it is
recommended to measure the temperature of the engine fuel simultaneously at the
corresponding points of flow. The new highly precise flowmeter uses groups of
thermocouples to increase the accuracy of engine fuel consumption
measurements. Computer modeling is performed [1], and it is done at a constant
volumetric flow rate of fuel for the different types of engine fuel, and at
different distances from the heater. The results obtained show that volumetric
flow rate depends on errors of temperature measurements of thermocouples in the
range of relative errors from 0.01% to 1.0%. The results show, that in order to
improve the TAF accuracy it is recommended to apply more complex procedures,
such as approximation of the measurement results by a least squares method and
artificial neural networks.
REFERENCES
1.
Bezvesilna O. Mathematical
model of the thermo-anemometric flowmeter / O. Bezvesilna, I. Korobiichuk, A. Ilchenko, M. Nowicki, R.,Szewczyk // Sensors (Switzerland). 2015, P.22899
-22913
2.
Bezvesil'naya E.N. Investigation of the errors
of a mechanical information-measuring system / E.N.
Bezvesil'naya // Soviet Applied Mechanics.
1990,
№ 4, Р.70-74
3.
Безвесильная Е.Н. Разработка
математической модели термоанемометрического расходомера для измерения расхода
биологического топлива/ Е.Н. Безвесильная, А.Г.
Ткачук, А.В. Ильченко // Журнал “Технологічний аудит та резерви
виробництва” . - 2014. - №5/1 (19) . С. 4-8
4.
Bezvesilna O.M. Flow Measurement and Flow Meters; ZhDTU: Zhytomyr,
Ukraine, 2007.
5.
Bezvesilna O.M.;
Shavursky, Yu.O.; Podchashynsky, Yu.O.; Ilchenko, A.V. Calorimetric flow rate meter of motor fuel with digital processing of
measuring information. Ukraine Patent Number 90985, 6 October 2010.