Радиоизотопный элемент
электрического питания
к.ф.-м.н.
Пчелинцева Е.С., к.т.н. Новиков. С.Г., Беринцев А.Н.,
д.ф.-м.н.
Костишко Б.М., д.ф.-м.н. Светухин В.В., Федоров И.С.
Ульяновский
государственный университет, Россия
Аннотация. В работе
рассмотрена конструкция радиационно-стимулированного источника питания с
применением изотопа Ni63, работающего в постоянном и импульсном режимах.
Ключевые слова:
бетавольтаический эффект; радиационно-стимулированная генерация тока, эффект
аномального фотонапряжения.
Работа выполнена при поддержке Госкорпорации «Росатом» ГК №
H.4б.43.9Б.14.1061
Введение
Известно, что энергия, испускаемая при радиоактивном
распаде ядер нестабильных изотопов преобразуется в кинетическую энергию
дочернего ядра (ядро получаемое в результате распада) и испускаемых частиц. Эта
кинетическая энергия продуктов распада может быть преобразована в электрическую
[1].
Для прямого преобразования кинетической энергии продуктов
распада в электрическую часто
используются полупроводниковые элементы с p-n-переходами или контактами
металл-полупроводник [2].
В этих элементах существует встроенное в переходах и
контактах электрическое поле, необходимое для эффективного разделения
электронно-дырочных пар, создаваемых радиационным воздействием.
В результате чего, например, в p-n-переходе n-область
заряжается отрицательно, а p-области положительно [3]. При этом, каждая частица
создает в материале полупроводника до нескольких десятков тысяч
электронно-дырочных пар, Однако, не все электронно-дырочные пары, созданные при
облучении участвуют в образовании потенциала и тока во внешней цепи источника.
В результате чего, повышение
эффективности таких преобразователей сегодня является весьма актуальной
задачей.
Эффективное применение источников ионизирующих
излучений, в частности бета-источников в составе генераторов напряжения или
тока обусловлено несколькими причинами. Во-первых, компактность и высокая
энергоемкость изотопов [4,5]. По массовой и объемной энергоемкости распад
бета-изотопов уступает лишь делению ядер урана, плутония и др. в 4-50 раз, и
превосходит химические источники (аккумуляторы, солевые и щелочные элементы
питания, топливные элементы и др.) в десятки и сотни тысяч раз. Во-вторых, при
создании источника тока или напряжения время непрерывной работы будет зависеть
только от периода полураспада.
Таким образом, создание источников питания на основе
долгоживущих изотопов является сегодня актуальной и перспективной задачей.
Постановка
задачи
Целью данной работы являлось разработка конструкций
постоянного и импульсного источников питания на основе бета источников
ионизирующего излучения.
Результаты
Анализ параметров и характеристик известных бета-изотопов
позволяет выделить в качестве наиболее подходящего для создания радиоизотопных
элементов электрического питания 63Ni,
как единственный бета-источник, обладающий следующими свойствами:
- энергия бета-частиц ниже 70 кэВ и существенно ниже
порога дефектообразования в полупроводниковых структурах;
- период полураспада 100,1 год и соответственно срок
службы около 50 лет;
- активность, с одной стороны достаточная для
создания элементов питания для приборов микро- и наноэлектроники, с другой
стороны не превышает десятых кюри на см2 и может применяться широким
спектром потребителей;
- отсутствуют побочные излучения, в том числе гамма;
- проникающая способность в полупроводниковые
материалы составляет десятки микрометров, что обеспечивает свободу в выборе
технологии изготовления структур элементов питания.
На рис. 1 изображена предлагаемая конструкция
постоянного элемента питания с применением изотопа Ni63. Источник бета-излучения 1
выполненный в виде фольги помещен между двумя полупроводниковыми
преобразователями 2 с повышенным значением выходного напряжения, соединенными
последовательно или параллельно с помощью металлических контактов 3. Все
конструкция помещается в корпус 4 и соединяется с внешними электрическими
контактами 5.

Рисунок 1 – Источник электрического питания на основе
изотопа 63Ni
Повышение выходного напряжения
преобразователей в составе источника питания обусловлено использованием
структурированных поликристаллических пленок, обладающих эффектом аномального
фотонапряжения [6]. Напряжение на выходе источника в зависимости от активности
источника, полученные в результате математического моделирования приведены на
рис.2. Данные зависимости получены при рассмотрения поликристаллических пленок
с ориентированными микрокристаллитами, плотность которых составляет 104
на сантиметр.
При необходимости получения более мощного источника
электрической энергии в данной конструкции существует возможность наращивания
за счет расположения рассмотренных структур в вертикальные "пакеты".
Таких слоев в структуре можно сделать несколько десятков. За счет
последовательного или параллельного соединения преобразователей можно повысить
выходной ток или выходное напряжение. Также немаловажной особенностью данной
конструкции является простота сборки элементов питания, которая должна
осуществляться в условиях защитных камер или боксов. Для упрощения процессов
сборки источников все компоненты должны иметь конструктивные элементы,
исключающие сложные манипуляции и возможности неправильного соединения.

Рисунок 2 – Зависимость выходного напряжения холостого хода
источника электрического питания на основе изотопа 63Ni.
В данной конструкции предусмотрен вариант получения
импульсного источник электрического питания на основе радиоизотопа 63Ni
[7, 8]. В этом варианте дополнительно использована система накопления
электрической энергии в виде энергии заряженного емкостного элемента и быстрой
разрядки на нагрузку. За счет эффекта быстрой разрядки конденсатора можно
получить значительные величины амплитуд импульсов тока на выходе источника.
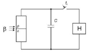
Структурная схема импульсного радиационно-стимулированного источника приведена
на рис. 3.

Рисунок 3 – Структурная схема импульсного
радиационно-стимулированного источника тока
При моделировании импульсного
источника электрической энергии были получены значения амплитуды выходного
напряжения 3,3 В при амплитуде тока 200 мА, длительность импульсов до 0,8 с и
скважностью 100 с.
Список литературы
1. Polymers,
Phosphors, and Voltaics for Radioisotope Microbatteries / K. E. Bower, Y. A.
Barbanel, Y. G. Shreter, G. W. Bohnert. Abingdon : CRC Press, 2002. P. 504.
2. Types
of radioactive decay // Radioactivity Radionuclides Radiation. Springer Berlin Heidelberg, 2005. P.
59–87.
3. Olsen
L. C., Cabauy P., Elkind B. J. Betavoltaic power sources // Physics Today.
2012. Vol. 65, no. 12. P. 35–38.
4. Polymers,
Phosphors, and Voltaics for Radioisotope Microbatteries / K. E. Bower, Y. A.
Barbanel, Y. G. Shreter, G. W. Bohnert. Abingdon: CRCPress, 2002. P. 504.
5. Guo
Hang, Lal A. Nanopower betavoltaic microbatteries // TRANSDUCERS, Solid-State
Sensors, Actuators and Microsystems, 12th International Conference on, 2003.
Vol. 1. 2003. June. P. 36–39 vol.1.
6. Рахимов Н. Р., Ушаков О. К.
Оптоэлектронные датчики на основе АФН-эффекта. Новосибирск : СГГА, 2010. С.
218.
7. Импульсные радиационно-стимулированные источник электрического
питания / Е.С. Пчелинцева, С. Г. Новиков, А. В. Беринцев и др. // Известия
самарского научного центра РАН. 2012. Т. 14, № 4. С. 1126–1128.
8. Моделирование импульсного
радиационно-стимулированного источника электрического питания / Е.С.
Пчелинцева, С. Г. Новиков, А. В. Беринцев и др. // Известие вузов. Поволжский
регион. 2013. № 2. С. 147–155.