Технические
науки/3. Отраслевое
машиностроение
К.т.н. Дудніков В.С., студент Шевцов М.С.
Дніпропетровський
національний університет, Україна
Cтенд для одночасного випробування двох електроприводів
Дане повідомлення відноситься до машинобудування, а саме до
випробувальної техніки, і стосується електроприводів
поступального та
обертального типів.
У
практиці створення нових електроприводів обертального та поступального переміщень
важливе місце займає їх експериментальне відпрацювання, зокрема
на довговічність під навантаженням.
Відомі випробувальні стенди, які використовують в якості навантажувальних
пристроїв таровані вантажі, пружинні, пневматичні та гідравлічні навантажувачі,
електромагнітні порошкові гальма, електричні генератори[1, с.186-195;2, с.117, рис.
60;3,с. 19,рис.1.5, рис. 1.6,с. 20, рис. 1.7, с. 98, рис. 2.77]. Ці стенди не дозволяють
випробувати одночасно два приводи.
Відомий стенд для одночасного випробовування двох
електроприводів, що включає станину, на якій встановлено два однакових електроприводи обертального
типу, вихідні ланки яких кінематично пов'язані між собою [3, с.80,
рис. 2.37].Електроприводи представляють
собою фланцеві електродвигуни змінного струму, з'єднані з несамогальмівними
черв'ячними редукторами. Приводи з'єднані між собою за допомогою стендового
редуктора з передавальним числом рівним одиниці. Електродвигун черв'ячного
редуктора, вал черв'ячного колеса якого з'єднаний з тим валом стендового
редуктора, на якому розташоване колесо з меншим числом зубів,
приводить в обертання з надсінхронною швидкістю
двигун іншого редуктора, що виконує роль гальмівного генератора. Таким чином,
один з приводів служить для створення навантаження на другий електропривод.
Недоліком
відомого стенду є його повна непрацездатність для самогальмівних
приводів як
обертального, так і поступального типів.
В зв’язку з цим актуальною є задача забезпечення
працездатності стенду при одночасному випробуванні двох самогальмiвних електроприводів
як обертового, так і поступального типів.
Поставлена
задача вирішується тим, що стенд для одночасного випробування двох
електроприводів, що включає станину, на якій встановлено два однакових
електропривода
поступального або обертального типу, вихідні ланки яких кінематично пов'язані
між собою, забезпечений системою управління
взаємодією приводів, яка включає пристрій для задання випробувального
навантаження, вимірювання створюваного навантаження і
порівняння останніх по кожному з приводів, при цьому кожен пристрій для
вимірювання навантаження встановлено послідовно з вихідною ланкою і жорстко
пов'язане з нею,
а пристрої для задання навантаження налаштовані на величини, що відрізняються
між собою не менше, ніж на величину чутливості системи управління, і
забезпечені перемикачем для перехресного їх підключення.
Крім
того, в системі управління задіяні кінцеві вимикачі одного з випробовуваних
електроприводів поступального типу. Електроприводи поступального типу можуть
бути встановлені паралельно між собою, а їх вихідні ланки з’єднані між собою хитним рівноплечим
коромислом, пов'язаним зі станиною. Приводи поступального типу
можуть бути встановлені співвісно один до одного і
з'єднані між собою.
Суть
запропонованого технічного рішення пояснюється
кресленнями, де на рис.1 схематично зображений стенд з паралельним розташуванням
електроприводів, а на рис. 2 - з співвісним розташуванням..
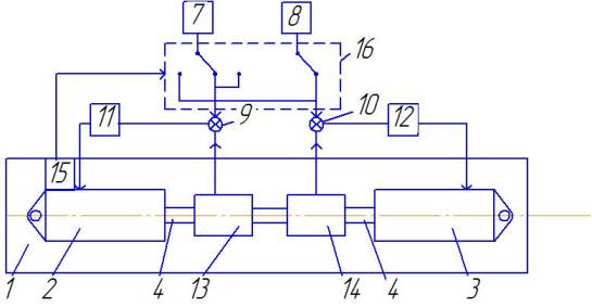
Стенд
(рис.
1) містить станину 1, на якій встановлено два однакових електроприводи
поступального переміщення 2, 3. Приводи 2, 3 приєднані шарнірно до станини 1
одним кінцем. Приводи 2, 3 встановлені на станині 1 так, що
їхні осі (вихідні ланки 4) паралельні один одному або співвісні (рис.
2). У першому випадку вихідні ланки 4 з'єднені між собою хитним відносно
осі 5 рiвноплечим коромислом 6.
Система
управління роботою стенда містить два ідентичних автономних контури
регулювання, в кожний з яких по одному входять пристрої 7, 8 для завдання
випробного навантаження, пристрої
9,10 для порівняння заданого і дійсного
навантаження, блоки 11, 12 підсилювачів сигналу помилок, електроприводи 2 ,
3, пристрої 13, 14 для вимірювання навантаження, що є
датчиками зворотного зв'язку.
Для
забезпечення реверсу в системі задіяні кінцеві вимикачі 15, що спрацьовують
при крайніх робочих положеннях вихідної ланки 4 одного з електроприводів,
наприклад 2, а також перемикач 16 для перехресної подачі сигналів з пристрів 7, 8
на блоки порівняння 9, 10.
Стенд
працює таким чином. Заданий рівень навантажень на пристроях 7, 8 при включенні
стенду досягається за рахунок зведення до нуля сигналів помилок на входах блоков 11,
12. Якщо рівні заданих навантажень однакові, то після їх досягнення приводи 2,
3 вимикаються. Зменшення або збільшення рівня навантаження на одному з
пристроїв 7 або 8, навіть на величину чутливості контурів, призводить до
включення в роботу електроприводів 2, 3, які прагнуть компенсувати перерегулювання і недорегулюрування по зусиллю на вихідних
ланках 4. Електроприводи 2, 3 починають плавно без помітної зміни заданих
навантажень висувати і, відповідно, втягувати ланки 4. При досягненні ланкою 4
приводу 2 своїх крайніх робочих положень вона
взаємодіє з
кінцевим вимикачем 15. При спрацьовуванні кінцевого вимикача 15 перемикач 16
перемикає пристрої 7, 8 перехресно на сусідній контур регулювання. У цьому
випадку відбувається реверсування електроприводів 2, 3. Цикл роботи стенду
повторюється в протилежному напрямку.
Має
місце взаємодія двох ідентичних контурів регулювання, в одному з яких постійно
виникає перерегулювання, а в іншому - недорегулювання. Внаслідок цього один
привід працює в тягнучому режимі, а другий - розгальмовуючому режимі.
Кожен
з приводів при цьому прагне забезпечити досягнення
навантаження, заданого його контуром
регулювання.
Аналогічно працює стенд для випробування
приводів обертального руху. Тільки в цьому випадку в
якості пристроїв для вимірювання навантаження використовуються датчики крутного
моменту.
Змінюючи
знак зусиль (моментів), що задаються, можна створювати
знакозмінні
випробні навантаження на електроприводах 2, 3, при цьому можуть бути
навантажені обидві бічні сторони зубів в приводах обертального переміщення або вітків нарізі в приводах поступального переміщення.
Якщо
приводи мають однакову швидкодію, то їх робота здійснюється плавно і
безперервно з малими змінами (в межах різниці рівнів налаштування контурів регулювання)
заданих навантажень. Якщо ж швидкодія приводів відмінна,
то можлива
робота їх з зупинками, реверсами.
Стенд
дозволяє проводити випробування самогальмуючих електроприводів обертового
і поступального типів. Випробуванням піддаються одразу два електроприводи.
Стенд не вимагає застосування спеціальних гальмівних (навантажувальних)
пристроїв. В якості навантажувального пристрою використовується другий
випробуваний електропривід. Випробувальне
навантаження змінюється в широких межах за величиною, крім того воно може бути
знакозмінним. Система управління стендом забезпечує автоматичне
реверсування приводів поступального переміщення при досягненні ними своїх
крайніх робочих положень, а також реверсування випробного навантаження.
Література
1.
Турпаев А. И. Винтовые механизмы и передачи. М.:
Машиностроение,
1982.- 223 с
2.
Турпаев А. И. Самотормозящиеся
механизмы. Издание 2-е, перераб. и доп. М.: Машиностроение,
1976. – 208 с
3.
Машины и стенды
для испытания деталей / Под ред. Д. Н. Решетова. - М.: Машиностроение, 1979. – 343 с

Рисунок 1 - Паралельне розташування електроприводів

Рисунок 2 - Співвісне розташування електроприводів