Білюк А.І., Білюк А.А., Чайка
Г.О.
Вінницький державний педагогічний
університет, Україна
МЕХАНІЧНІ ВЛАСТИВОСТІ АЛЮМІНІЄВИХ СПЛАВІВ СИСТЕМИ
Al— Cu —Zn—Mg
Використання алюмінієвих сплавів в
машинобудуванні потребує забезпечення стабільних властивостей в температурно –
силових полях і агресивних середовищах. Сплави систем 86%Al—4%Cu—9%Zn—1%Mg після термічної обробки мають найвищу
міцність серед деформованих алюмінієвих сплавів. Додавання скандію і цирконію (Sc(0,3%) + Zr(0,15%) в алюмінієві сплави за рахунок
формування частинок Al3 (Sc, Zr) викликає
значне зміцнення, яке суттєво вище порівняно з легуванням іншими
елементами [1-3].
Досліджували зразки сплавів 86%Al-4%Cu-9%Zn-1%Mg (сплав 1), 86%Al-4%Cu-9%Zn-1%Mg
- 0,3%Sc-0,15% Zr (сплав
2),
Зразки для досліджень проходили термічну обробку (ТО) за
режимом [4]: гартування у воді від 470-15 оС і відпал при 120 оС
впродовж 24 год.
Механічні випробування
виготовлених зразків, проводили на ПМТ – 3.
Дослідження структури виконували методами оптичної мікроскопії (ОМ) на
мікроскопі МІМ-8, скануючої електронної мікроскопії (СЕМ) з пристосуванням для
мікрорентгеноспектрального аналізу на приладі Superprobe-733[4].
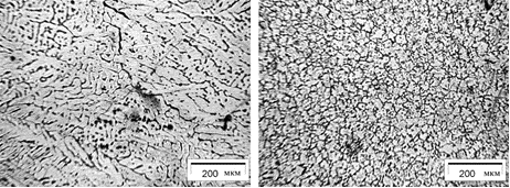
Дослідження
структури нелегованого литого сплаву 1
виявило наявність дендритів (рис. 1, а). У зливках, додатково
легованих Sc та Zr, спостерігається утворення зернистої структури литого металу
з розміром зерен 25—30 мкм та інтерметалідних прошарків на межах зерен (рис. 1, б).
Методом мікрорентгеноспектрального
аналізу досліджено розподіл легуючих елементів в структурних компонентах
зливків. Узагальнюючі результати цього аналізу наведено в табл. 3.3, з якої випливає, що основні
легуючи елементи сплаву (Zn, Mg, Cu) в литому стані рівномірно розподілені як по межах, так і по тілу зерен
[4].

а) б)
Рис. 1. Структура литих сплавів 1 (а) та
2 (б) системи 86%Al—9%Zn—1%Mg—4%Cu [4].
Дослідження впливу легування та термообробки на
структуру та меха-нічні властивості сплавів системи 86%Al—9%Zn—1%Mg—4%Cu проводили на екструдованих
зразках. Їх мікроструктура наведена на рис. 2 та 3.
Після застосованої термообробки пруток базового сплаву
повністю рекри-сталізується (рис. 2, а).
На рис. 2, а видно, як у смузі базового сплаву рекристалізовані зерна є
нерівнобічними і подовжені в напрямку екструзії.
При термообробці сплавів, легованих Sc та Zr, жодних
ознак рекристалізації не виявлено як у прутку, так і у смузі, а саме
спостерігається рівномірна волокниста структура (рис. 2, б ).

а) б)
Рис. 2 Структура сплавів 1 (а) та 2 (б) після ТО [4].
Результати механічних випробувань прутків та смуг
досліджуваних сплавів представлено в табл. 1 . З наведених даних випливає, що
завдяки розробленій технології виробництва напівфабрикатів вже базовий,
нелегований склад має високий рівень механічних властивостей при випробуваннях
на розтяг та значний рівень втомної міцності s0,1 [4]. Мікролегування Sc та Zr дозволило збільшити більш
ніж на 30% характеристики міцності прутків і на 65% — втомну міцність.
Т а б л и ц я 1.
Механічні властивості зразків діаметром 2 мм після термообробки
|
Номер |
Hm |
sв,[3] |
s0,2 [3] MПa |
s0,1 ,[3] |
Е, |
G, |
|
сплаву |
MПa |
MПa |
MПa |
ГПa |
ГПa |
|
|
|
|
|
||||
|
|
|
|
|
|
|
|
|
1 |
950 |
570 |
522 |
290 |
84,1 |
29,0 |
|
2 |
1100 |
740 |
700 |
481 |
92,8 |
32,0 |
Таким чином, мікролегування досліджуваних сплавів цирконієм та хромом
дозволяє дещо зменшити необхідну кількість Sc і при цьому підвищити рівень всіх досліджуваних
механічних властивостей.
1.
Miulman Yu. V. Scandium
еffect on increasing mechanical properties of aluminum alloys/ Yu. V.
Miulman // High Temperature Materials
and Processes. — 2006. —
5, No. 1—2. —Р. 1—9.
2.
Yin Z. M. Effect of
minor Sc and Zr on the microstructure and mechanical properties of Al—Mg based
alloy / [Z. M. Yin, Q. L. Pan, Y. H. Zhang et al.] // Mater. Sci. Eng. — 2000.
— A 280. — P. 151.
3.
Елагин В. И.
Пути развития высокопрочных и жаропрочных конструкционных алюминиевых
сплавов в XXI столетии / В. И/ Елагин //
Мех. и терм. обраб. металлов. — 2007.
— № 9. — С. 3—11.
4.
Н. П. Захарова Вплив
мікролегування на структуру та механічні властивості алюмінієвих сплавів
системи Al—Zn—Mg—Cu, що деформуються./ Н. П. Захарова, Ю. В.
Мільман, О. О. Музика, О. І. Сірко, М. І. Даниленко, М. О. Єфімов// Інститут проблем матеріалознавства НАН
України. – 2013 .