Технические науки/5. Энергетика
Кузнецов
Р.В.
Казанский
государственный энергетический университет, Россия
ПОВЫШЕНИЕ НАДЕЖНОСТИ СИСТЕМЫ ЭЛЕКТРОСНАБЖЕНИЯ ПУТЕМ ПРИМЕНЕНИЯ ДИНАМИЧЕСКИХ КОМПЕНСАТОРОВ ИСКАЖЕНИЙ НАПРЯЖЕНИЯ
В случаях
кратковременных нарушений электроснабжения на стороне внешнего электроснабжения,
т.е. в сетях 35 – 110 – 220 кВ
происходят провалы напряжения на каждом из вводов ГПП, если только нет их
электрического удаления на несколько десятков километров. В результате напряжение
снижается на одной из секций 6 – 10 кВ подстанции, что делает бесперспективным
использование АВР на секционных выключателях.
В условиях
пониженного напряжении питания, ДКИН обладает определенной регулировочной
способностью. Следовательно, можно определить границы экономической целесообразности
(и технической возможности) использования
ДКИН и в случаях внешних коротких замыканиях, сопровождающихся провалами
напряжения во всей системе электроснабжения.

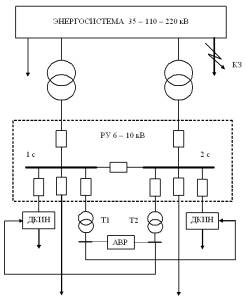
Рис. 1. Принципиальная схема ГПП с ДКИН
Рассмотрим упрощенную принципиальную схему
системы электроснабжения, представленную на рис. 2.
Сформулируем
задачу следующим образом: каково минимально возможное расстояние до места КЗ,
при котором напряжение на нагрузке, подключенной к ДКИН, еще не ниже минимально
допустимого уровня
.
Граничную длину электропередачи при внешних КНЭ определяем из условия,
что напряжение на нагрузке после ДКИН равно допустимому:
. В результате получаем:
.
(1)
откуда
находим граничную длину электропередачи
. (2)
На рис. 1 представлены графические зависимости, построенные на основании
формулы (2), при различных токах короткого замыкания на шинах СОП, при вариации
допустимого уровня остаточного напряжения.

Рис. 6. Граничная длина
электропередачи при установке ДКИН 1 –
; 2 –
; 3 –
; 4 –
; 5 –
; 6 – граничная длина электропередачи при отсутствии ДКИН и
.
Выводы
Особенностью
проявления кратковременного нарушения электроснабжения со стороны внешней сети
на ДКИН является провал напряжения, как по основной силовой цепи, так и по цепи
управления устройством. В этом случае снижается эффективность работы ДКИН и
технически целесообразно наличие третьего независимого источника питания для
его цепей управления. Эффективность действия ДКИН по ограничению провалов
напряжения удобно оценивать по граничной длине электропередачи. ДКИН позволяют
заменять ИБП в случаях коротких замыканиях во внешней питающей сети при
продолжительности времени их отключения до 0,2 секунд.
Литература
Гамазин
С.П., Пупин В.М., Марков Ю.В. Обеспечение надежности электроснабжения и
качества электроэнергии. – Промышленная энергетика, №11, 2006. – С. 51-56.сети.