Технические науки/ 3. Отраслевое машиностроение
Д.т.н. Бельмас І.В., інж. Лимар А.Я., інж. Максудов С.І., Бобильова
І.Т.
Дніпродзержинський державний технічний
університет. Україна
СПОСІБ ДІАГНОСТИКИ ДЕФЕКТІВ СПИРАННЯ
БАГАТООПОРНОЇ ПЕЧІ
Особливістю обертових печей є
наявність двох складових, що взаємодіють поміж собою. Першою складовою є корпус
печі. Другою - система спирання
корпусу. Корпус складається з циліндричної оболонки, системи бандажів та
веденого зубчастого вінця. Взаємне розташування усіх перерахованих деталей
визначає вісь корпусу печі. Система спирання корпусу складається з окремих
роликів з підшипниками, встановленими в корпусах на окремих рамах. Їх взаємне
розташування, розміри роликів, бандажів визначають вісь навколо якої і обертається корпус печі. Цю вісь називають
віссю обертання корпусу.
Корпус сучасної печі має діаметр 5
та довжину 185 м. Значні розміри
корпусу, його власна маса призводять до того, що контроль осі корпусу, як
геометричного об’єкту з достатньою точністю в умовах дії земного тяжіння,
технічно неможливий. Форма осі корпусу
визначається розташуванням
опорних роликів на які корпус встановлено. Разом з цим, залежність
деформацій фізичних тіл від сил, що на них діють призводить до того, що тиск корпусу печі на опори викликає їх деформування. В процесі обертання корпусу
печі обертається і його вісь. Змінюються навантаження, що діють на опори, на корпус. Змінюються їх
деформації. Просторово змінюється і вісь корпусу, і вісь його обертання. Встановлення розташування опор печі актуальна задача.
В роботі Л. В. Дзюбик [1] досліджено вплив пружності опор
на запас міцності корпусу. В роботах [2, 3] досліджена
залежність викривлення осі обертання корпусу та перерозподіл величин реакцій
опор та згинальних моментів від деформування окремих елементів опорних вузлів В
авторському свідоцтві [4] запропоновано конструкцію опори для визначення
навантаження, що на неї діє В дисертаційній роботі [5] доведена можливість та
доцільність динамометричного контролю осі обертової печі. Реакції проміжних опор в
проекціях на вертикальну (в) і
горизонтальну (г) площини [5]:
(1)
де
- вектори реакцій опор при прямолінійному їх розташуванні та прямолінійному корпусі;
- матриця одиничних переміщень
опор;
- вектори зміщень опор та
відхилень геометричної осі корпуса печі від прямої лінії; Т - поточний кут повороту корпуса;
- кут нахилу площини викривлення корпусу на і-тій опорі.
Запропонований в роботі
метод діагностики відхилення осі
обертання корпусу печі від прямої лінії передбачає заміри опорних реакцій.
Залежність (1) для печі, що має n опор, за умов відомих середніх значень опорних
реакцій, наявності дефектів лише у
вигляді викривлення осі обертання печі
та осі корпусу, дозволяє отримати 2(n-1) алгебраїчних залежностей
(2)
(3)
Наведені
залежності дозволяють визначати значення векторів відхилень осі печі від прямої
лінії. Переміщенням опор в протилежному напрямку можна усунути дефект спирання
корпусу печі на опорні ролики – усунути дефект.
Водночас
форма осі обертання печі змінюється в процесі її експлуатації з ряду причин. Опори
печі просідають. Величини просідань різні через різні навантаження на опори та
різні властивості ґрунту на яких вони розташовані. Знос таких деталей як опорні
ролики, бандажі, підбандажні прокладки також впливають на розташування осі
печі. В процесі експлуатації корпус печі нерівномірно нагрівається.
Нерівномірно змінюється його діаметр, що також впливає на форму осі спирання
печі. Останній чинник суттєво проявляється після пуску печі, коли міняється
його температура. З урахуванням того, що вісь печі динамічно змінюється
доцільно періодично її контролювати. Виконання розрахунків за залежностями (2)
та (3) в умовах діючого виробництва ускладнено.
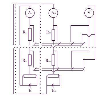
Для визначення потрібних переміщень в промислових умовах нами розроблено
пристрій показаний на рисунку.

Рисунок – Схема пристрою
В пристрої імітується розв’язання систем
рівнянь (2) та (3). При цьому коефіцієнти при невідомих
в цих системах пропорційні
значенням опорів резисторів
. Величини струмів, що проходять через резистори пропорційні вектору струмів
заміряних амперметрами (А). Покази вольтметра V, при його підключеннях до резисторів
з рівними першими індексами, пропорційні правим частинам рівнянь. В пристрої струми встановлюються з
використанням блоків живлення Е. При цьому коефіцієнт пропорційності при
визначення переміщень за значеннями напружень дорівнює відношенню коефіцієнтів
пропорційності поміж
та
поділений на коефіцієнт
пропорційності поміж відхиленнями навантажень на опори від проектних
та струмами визначеними амперметрами А. Відзначимо, що відповідно до
досліджень [5], допустимі
відхилення опорних роликів від проектних положень можуть призводити до
відхилення навантажень на опори на величини, що становлять 50 - 100%
розрахункових значень. Це дозволяє
вважати, що для замірів навантажень на опори печі, напружень та струмів
у запропонованому пристрої можуть використовуватися прилади серійного
виробництва. Розроблений пристрій може бути використаний в промислових
умовах для визначення дефектів спирання багато опорної трубної печі .
Література
1. Дзюбик Л.В. Міцність
корпусів обертових агрегатів із врахуванням
пружних деформацій опор [Текст] Л.В. Дзюбик // Автоматизація виробничих процесів у
машинобудуванні та приладобудуванні. 2011
Вип. 45. С. 44-47.
2. Кузьо І. В., Дзюбик Л. В. Вплив
положення геометричної осі на міцність обертових агрегатів[Текст] І.В.Кузьо, Л.В.Дзюбик //Вісник НУ "Львівська
політехніка ": "Динаміка, міцність та проектування машин і
приладів". - 2007. - № 588 С. 53 - 57.
3. Кузьо І. В., Дзюбик Л. В. Дослідження пружних
деформацій опорних вузлів та їх вплив на
силові характеристики обертових
печей [Текст] І.В.Кузьо,
Л.В.Дзюбик // Вісник
НУ "Львівська політехніка": "Оптимізація виробничих процесів і технічний контроль у
машинобудуванні та приладобудуванні". 2008.
- № 613 - С. 106 - 110.
4 . А.С. 1476291 СССР, МКИ 27В7/22. Опора вращающегося барабана печі /И.В. Бельмас, В.И.Зинченко, В.К.Березовский.
(СССР). - №4189808/31-33; заявл. 02,02,1987, опубл. 30.04.1989, Бюл.№16.
5. Бельмас И.В.
Исследование силового взаимодействия опор и корпуса печи магнетизирующего
обжига окисленных руд и разработка способа диагностики дефектов опирания {Текст]: автореф. дис. на здобуття наук. ступ к-та канд. техн.
наук: спец. 05.05.06 «гірничі машини»/ Бельмас Иван Васильович;- Днепропетровск
1973 - 21с.