д.т.н. Чурадзе Т.К., к.т.н.
Грдзелишвили М.В.,
докторант – Сухиташвили Э.З., докторант
- Цоцолашвили М.М.,
докторант – Джамагидзе Р.Г.
Грузинский
Технический Университет, Грузия
Метод расчета свай на вертикальную нагрузку
Удельная доля использования свайных фундаментов в
строительстве мостов весьма значительна, что требует дальнейшего
усовершенствования технических решений по их проектированию и как
высококачественного выполнения рабочих процессов по их устройству, так и
внедрения новых прогрессивных технологий (1;2).
На сегодняшний день, согласно действующим в нашей стране
строительным нормам по проектированию
свайных фундаментов (СниП
2.02.03-85), исходя из порядка заглубления в грунтовый массив сваи делятся на
следующие пять видов:
·
Забивные сваи, которые в укладывают
грунтовый массив с использованием мощных динамических ударов, вибропогружателей
и напорных устройств, т.е. их устройство в грунтовом массиве происходит без выемки
грунта. Забиваемые сваи могут быть железобетонными, деревянными и
металлическими. К числу забивных свай относятся и железобетонные сваи-оболочки,
которые имеют открытую нижнюю часть, однако они закладываются в грунтовый
массив путем забивания, т.е. не осуществляется (или только частично
осуществляется) выемка грунта из внутренней части корпуса оболочки.
·
Сваи-оболочки,
которые укладываются в грунтовый массив с использованием вибропогружателей, и
погружение которых в грунт происходит
путем последовательной выемки грунта из внутренней части их корпуса и в конце –
частичным или полным заполнением бетоном полученных пустот. Сваи-оболочки
изготавливаются только из железобетона.
·
Набивные сваи, которые укладываются в колодцы, предвари-тельно устроенные в грунтовом массиве, с
последующим заполнением бетоном или железобетоном. В
этом случае укладка колодцев происходит без выемки грунта, т.е. осуществляется
принудительное расширение стенок колодца в грунтовом массиве путем сжатия.
·
Буровые
сваи, которые укладываются в колодцы, предвари-тельно пробуренные в грунтовом массиве, с
последующим заполнением бетоном или железобетоном (в свою очередь, буровые
сваи, согласно порядку их устройства делятся на 7 видов, из которых мы
рассмотрим только буронабивные сваи).
·
Винтовые
сваи, которые укладываются ввинчиванием
предварительно
изготовленных металлических свай в грунтовый
массив.
Целю исследования является разработка инженерного метода
расчета несущей способности подвесных буронабивных свай, который основывается
на следующем:
Нагрузки, действующие на буронабивные сваи, передаются
окружающему грунту с помощью сил трения, которые возникают на поверхности сваи,
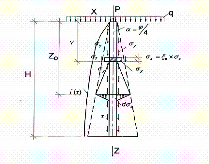
а также тем сопротивлением, которое возникает в вершине сваи (рис. 1). Т.е.
сила трения, которая возникает между подвесной сваей и окружающим ее грунтом,
включает грунт в совместную со сваей статическую работу. Таким образом,
вследствие осадки сваи из-за действующей нагрузки происходит уплотнение
окружающего сваю грунта. Очертания контура деформированной уплотненной зоны
зависят от длины сваи и от свойств грунта, а также от той технологии, по
которой осуществляется устройство свай. Согласно нормам, форма этой зоны
условно принята за конус с углом
при вершине (где φ – угол внутреннего
трения).
Для поставленной
задачи исполозованы основопологающие методы строительной механики и механики
грунтов.
|
|
Рис. 1
Вокруг сваи возникает несущая (уплотненная) среда грунта,
которая претерпевает деформации и воспринимает ту часть нагрузки внешних сил,
которая передается ей силами трения, возникшими на поверхности сваи.
Составим расчетную схему (математическую модель), исходя из того условия,
что после действия силы Р на сваю окружающий грунт испытывает упругие
деформации, и эти деформации с ростом глубины
становятся все больше. В целом, перемещение любого верхнего слоя меньше
перемещения нижнего слоя, что легко доказывается (поскольку силы трения,
возникшие на поверхности сваи, увеличиваются с глубиной).
Рассмотрим следующую расчетную схему: свая погружена на глубину h и
на нее действует сила Р, вследствие чего на поверхности сваи возникает сила
трения F(T)
(рис. 2), которая создает в окружающем грунте дополнительные нормальные напряжения
.

Рис. 2
Каждая частица верхнего слоя грунта, которая расположена у поверхности
сваи, силами трения перемещается вниз и оказывает дополнительный нажим на
грунт, расположенный в нижних слоях. Т.е., как мы отметили выше, при контакте
сваи и окружающего грунта возникают допонительные нормальные напряжения,
которые складываются с напряжениями, вызванными естественным давлением (рис.2).
Попытаемся рассчитать дополнительные контактные напряжения
на поверхности сваи периметром П, возникшие
из-за сил трения на глубине
. С
этой целью вырежем на глубине ξ элемент dz и
рассмотрим нормальное напряжение на глубине
,
дополнительное вызванное им, которое будет равно:
(1)
– значение элементарной контактной силы трения,
которая возникает на поверхности сваи длиной
, т.е. dt=
, где
– сила
трения, возникшая на 1 м2,
вызванная естественным давлением на поверхность сваи.
F(z) –
площадь уплотненного дна конуса распространения давления на глубину z, k –
коэффициент, который должен отражать закономерность распределения напряжений,
вызванных силами трения на глубине z.
Полное
суммарное контактное нормальное напряжение, которое возникает в окружающем сваю
грунте на глубине zo, будет равняться:
=q+
(2)
где
– интенсивность действующей нагрузки поверхности
земли;
– вызванное естественным давлением нормальное
напряжение на глубине
.
Т.е. для установления функциональной зависимости между силами, действуюшими
на сваю и величинами нормальных контактных напряжений, дополнительно вызванных
ими в окружающем сваю грунте нами был введен следующий механизм их
взаимодействия (рис. 3).
В результате воздействия осевых сил на поверхность сваи она претерпевает
осадку, вследствие чего на поверхности сваи возникают силы трения (рис. 3, а),
которые действуют на окружающий сваю грунт и вызывают уплотнение определенной
массы вокруг нее (рис. 1). Как это уже определено нормами, мы тоже принимаем за
область распространения давления вокруг сваи конус с углом
при вершине (где φ – угол внутреннего
трения окружающего грунта). В первом приближении криволинейную осадку
окружающего грунта принимаем за прямолинейную (рис. 3, б).
Данную упрощенную схему взаимодействия между сваей и окружа-ющим грунтом
можно принять как первое приближение, которое позволит нам провести
определенный анализ несущей способности свай и дать ответ на результаты
некоторых экспериментальных опытов.


Рис. 3
Пользуясь
вышеуказанными допущениями,
можно составить следующую упрощенную математическую модель:
Вычислим
дополнительные нормальные напряжения, возникшие в окружающем сваю грунте
диаметром D
из-за действия силы Р на глубине Z.
С этой целью вырежем на глубине Y
(схема в) элемент сваи dT, на поверхности которого
из-за естественного давления возникнет сила трения
, которая должна равняться dT=
или
dT=
; которая должна быть
уравновешена реакцией dF, развившейся из-за силы dT на глубине Z. С учетом вышеуказанного
допущения о том, что окружающий грунт испытывает линейную дефор-мацию (тогда,
соответственно, эпюра напряжений тоже будет прямолинейной), можно записать:

;
Если учесть, что
,
получим:
![]()
или
![]()
поскольку dT = dF,
получим:
![]()
т.е.
![]()
т.е.
![]()
или
![]()
Таким образом,
исходя из вышеуказанных допущений,
дополнительное нормальное
напряжение в окружающем сваю грунте меняется по следующему закону:
![]()
Рассмотрим на конкретном примере закономерность изменения
нор-мальных напряжений в окружающем сваю грунте, находящемся в кон-такте со
сваей.
Возьмем H=10
,
получим

![]()
Рис.
4
Выводы -
научная навизна и теоретическое значение исследование состоит в
установлении возникновении
дополнительных нормальных контактных напряжений вызываемые силами трения, которые возникают на поверхности
сваи, растут нелинейно, а после определенной глубины практически не
увеличиваются, чем можно частично объяснить то несоответствие в изменении сил
трения. В дальнейшем предполагается разработать перспективный современный метод
расчета устойчивости склонов.
Литература
1. Jto T.,
Matsui T. Methods to estimate laterally force action on stabilizing piles.//
“Soils and Foundations”, 1975 – v.15, №4 – pp. 43-59.
2. Чурадзе
Т.К., Талиашвили Д.Т. К вопросу взаимодействия ополз-невого массива со
сваями.// «Транспорт», №3, Тбилиси, 2005. – с. 47-48.