Технические науки
Электротехника и радиоэлектроника
В.С. Тверезовский, Р.В. Бараненко
Херсонский национальный технический
университет
ТЕХНИЧЕСКИЕ АСПЕКТЫ ПРОЕКТИРОВАНИЯ УСТРОЙСТВА
ДЛЯ ВЫЧИСЛЕНИЯ ЧАСТНОЙ ПРОИЗВОДНОЙ
Постоянное развитие
средств измерений и контроля различных параметров изделий и процессов является
неотъемлемой частью научно-технического прогресса. Одной из основных задач при
разработке измерительных систем является повышение точности, быстродействия и
увеличение диапазона измеряемых величин [1].
Известно
устройство для вычисления частной производной [2], недостатками которого
является невозможность получения результата вычислений в цифровой форме, низкая
точность из-за потери информации в запоминающих устройствах, выполненных на
аналоговых элементах. Особенно это ощутимо при вычислении частных производных
медленно протекающих процессов.
Известно
также другое устройство для вычисления частной производной [3], недостатком которого
является низкая точность вычисления.
Целью работы является
устранение недостатков существующих устройств и разработка нового устройства
для вычисления частной производной, структурные особенности которого позволят повысить
точность вычислений.
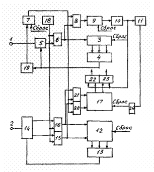
Поставленная
цель реализуется разработанным устройством [4] (рис. 1), которое работает
следующим образом.
С
увеличением независимой переменной
, подаваемой на вход 1, срабатывает компаратор 5. С
генератора 18 импульсы через элемент И 6 поступают на вход счетчика 3. На
выходе цифро-аналогового преобразователя 4 увеличивается напряжение, которое
подается на вход компаратора 5. Происходит уравновешивание схемы. При
достижении
некоторого заданного
уровня, определяемого пороговым блоком 19, последний вырабатывает потенциал,
который подается на раздельный вход триггера 7. Триггер 7 устанавливается в
другое состояние. С его выхода на элементы И 8, 20 и 21 поступает разрешающий
сигнал. На другой вход элемента И 8 поступают импульсы с выхода элемента И 6.
Эти импульсы поступают на счетчик 9, который производит подсчет входных
импульсов и при достижении некоторого числа
вырабатывается импульс
напряжения. Этот импульс через формирователь 10 прямоугольных импульсов
поступает на блок задержки 11 и элементы И 22, 23.

Рис. 1 Структурная
схема устройства
для вычисления частной производной
Одновременно
с увеличением
изменяется
, подаваемое на вход 2. Уравновешивание следящей системы,
состоящей из компаратора 14, элементов И 15, 16, реверсивного счетчика 12 и
цифро-аналогового преобразователя 13, происходит аналогично описанному.
Отличием в работе данной следящей системы является то, что при
компаратор 14
разрешает прохождение импульсов на вычитающий вход реверсивного счетчика, а при
импульсы поступают на
суммирующий вход счетчика. С установкой триггера 7 импульсом с порогового блока
19 он разрешает поступление импульсов с выходов элементов И 15 и 16 через
элементы И 20 и 21 на суммирующий и вычитающий входы реверсивного счетчика 17. При
поступлении импульса с выхода формирователя 10 на входы элементов И 22 и 23 на
их выходе будет код, значение которого пропорционально частной производной
входной функции
. Счетчик 3 вырабатывает импульс напряжения при поступлении
на ее вход
импульсов
|
|
где
- ступенька
квантования ЦАП 4 – величина постоянная;
– приращение
(изменяющееся плавно без скачка) от момента
срабатывания порогового элемента 19 или при дальнейшей работе от момента
появления импульса с формирователя 10. На выходе устройства будет код,
соответствующий числу импульсов
|
|
где
– ступенька
квантования ЦАП 13 - величина постоянная;
-
приращение
, вызванное
изменением
на величину
.
После
считывания результата вычисления частной производной с помощью элементов И 22 и
23, счетчик 17 сбрасывается в нулевое состояние задержанным импульсом, который
поступает с выхода формирователя через блок задержки 11. Блок задержки
задерживает импульс на время, которое значительно меньше периода повторения
импульсов генератора 18. Частота импульсов генератора выбирается достаточно
большой, чтобы следящие системы отрабатывали входные сигналы без задержек. В
дальнейшем, с изменением
на величину
, счетчик 9 вырабатывает очередной импульс, и цикл
повторяется. Пороговый блок 19 определяет только начальное значение
, от которого
начинаются вычисления частных производных функции.
Выходной
код устройства, пропорциональный количеству импульсов счетчика 17 (
), при достаточно малом выбранном значении можно считать
точным значением частной производной
.
Действительно,
из выражений (1) и (2) следует
|
|
При
достаточно малом значении
, т.е. на выходе устройства будет код, пропорциональный
частной производной входной функции
.
По
сравнению с известными устройствами в предлагаемом устройстве, при вычислении
частной производной медленно протекающих процессов, точность вычисления выше,
кроме того результат вычисления частной производной представляется в цифровой
форме.
Литература:
1. В.С. Тверезовський,
Р.В. Бараненко Принцип здійснення гнучкого програмного керування
елементами вимірювальних систем за аналізом їх експоненціальних параметрів
//Вестник Херсонского государственного технического университета. – 2003. – №2
(18). – С.297-301.
2. Авторское свидетельство СССР
№334574. G06G7/40. Опубл.: 1970.
3. Авторское свидетельство СССР
№433501. G06G7/40. Опубл.: 1972.
4. Авторское свидетельство СССР
№1105913A, «Устройство для вычисления частной производной». Авторы: Б.А. Баховец,
В.С. Тверезовский, В.С. Кокошко. G06J1/02. Опубл.: 30.07.1984,
Бюл. №28.