К.т.н., доц. Нечипорук О.П., Вахіль А.І., Шукало В.В.
Національний авіаційний університет, Україна
Інформаційний
пристрій керування віддаленою складною системою
Інформаційна система —
сукупність організаційних і технічних засобів для збереження та обробки
інформації з метою забезпечення інформаційних потреб користувачів. Мета
винаходу – віддалене спостереження за складним технічним об’єктом з багаторівневою структурою (СТОБС).
У відповідності з сформульованою
метою розв’язуються такі завдання:
1. Створення пристрою передачі
даних по безпроводовій мережі, або мережі wifi, належне використання прийнятих
даних.
2. Створення комп’ютерної програми
для керування пристроєм.
3. Створення експертної системи
діагностування СТОБС.
Існуючі апаратні засоби для віддаленого
керування мають ряд недоліків. Основним недоліком являється ціна даних
пристроїв. Запропонована нами система є відносно дешевша ніж існуючі та проста
у використанні. Ідея полягає у наступному: для створення безпроводової мережі
можна використати wifi маршрутизатор. У
більшості маршрутизаторів присутній порт UART, через який можна здійснювати обмін інформацією між
комп’ютером та зовнішнім пристроєм. Для того, щоб отримати можливість керувати
цим портом, на маршрутизатор встановлюється операційна система LINUX OR-WRT. Суть цієї операційної системи – готова прошивка, яка
дозволяє керувати робототехнікою без множини ручних налаштувань та
перепрограмування мережевого обладнання.
При розробці обрано маршрутизатор TP-LINK MR 3020 тому, що він обладнаний USB портом, до якого підключається веб-камера. Таким чином
здійснений відеонагляд, що дає
можливість віддалено отримувати зображення на екран монітору.
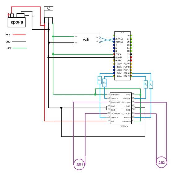
Керування отриманими даними з
комп’ютера здійснює контролер ATMEGA 8a, що має 512 Кб пам’яті і до якого може бути
записана програма обробки прийнятих даних. Контролер обладнаний входами RX та TX, які
присутні також на маршрутизаторі, по яких відповідно здійснюється прийом даних
на обробку та відправлення отриманих даних до комп’ютера.
Програмне забезпечення контролера
може бути написане на одній з двох мовах програмування: C або JAVA.
Запис програми до мікроконтролера здійснюється за допомогою спеціального
пристрою, який називається програматор.
Для керування рухом пристрою
використовується драйвер двигунів L293D. Цей пристрій розрахований
на два двигуни. У випадку використання більше ніж двох двигунів, ці пристрої
можуть бути паралельно з’єднаними і складати систему керування рухом об’єкта.
Схема L293D дозволяє керувати напрямком струму в залежності від
переданих даних з контролера. У випадку передачі логічної одиниці на цей
пристрій напрям руху струму зміниться. Відповідно матимемо аналогічний
результат у випадку передачі 0.
Таким чином ми можемо отримати рух
віддаленого пристрою у будь-якому напрямку.
Головне вікно програми
діагностування СТОБС показано на рис.1.

Рис.1. Головне вікно програми
Схема керування
пристроєм представлена на рис.2. Зв’язок із
даним пристроєм встановлюється за технологією SSH.

Рис.2. Схема передачі
та обробки інформації для керування віддаленим СТОБС.
Розроблена
інформаційна система до бази знань під час тестових іспитів знаходила вірне
рішення для всіх тестових завдань. Перевірялась також робота програмного
забезпечення по корегуванню бази знань. Таким чином, на підставі результатів
тестування можна зробити висновок про ефективну роботу прикладної експертної
системи діагностування СТОБС та про розроблений пристрій віддаленого керування
СТОБС.