К.т.н. Бєлякова І.В., к.т.н. Медвідь В.Р., асист. Пісціо
В.П., к.т.н. Шкодзінський О.К.
Тернопільський національний технічний університет імені І. Пулюя, Україна
ЕЛЕКТРОННИЙ БАЛАСТ НА ОСНОВІ П’ЄЗОЕЛЕКТРИЧНОГО ТРАНСФОРМАТОРА СТРУМУ В СХЕМАХ СТАРТЕРНОГО ВВІМКНЕННЯ ЛЮМІНЕСЦЕНТНИХ ЛАМП
Так
як впровадження електронних пуско-регулювальних апаратів (ЕПРА) для запалювання
та стабілізації струму люмінесцентних ламп (ЛЛ) і надалі залишається економічно
доцільним, пропонуємо ЕПРА на базі п’єзоелектричного трансформатора струму (ПТ
струму). Такі конструкції описані в [1,2]. Їх принцип дії базується на використанні схем
автоколи-вального генератора на базі ПТ, який реалізує амплітудний спосіб
керування.
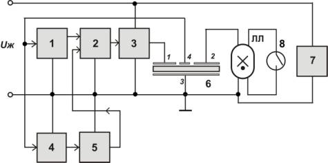
Блок-схема
ЕПРА з ПТ струму приведена на рис. 1. Автоколивання в пристрої підтримуються за
рахунок позитивного зворотного зв’язку з виходу секції зворотного зв’язку 4 ПТ (рис. 1) на вхід схеми керування.
Робоча точка на амплітудно-частотній характеристиці ПТ визначається
частотно-задаючим елементом 1. Це забезпечує максимальну ефективність роботи ПТ
та ЕПРА.
Синусоїдна
вихідна напруга секції 4 перетворюється формувачем 2 в дві
послідовності імпульсів, зсунутих по фазі на 180º, із паузою в часі між
ними. Попередній нагрів електродів ЛЛ реалізується схемою на основі геркону 8 в пусковому колі
ЛЛ з електронним пристроєм управління 7 станом геркону. Пристрій захисту 4
використовується
для блокування роботи автогенератора 2
у аварійних режимах шляхом відключення ЕПРА.
До
аварійних режимів роботи ЕПРА з ПТ відносяться:
- тривалий режим
попереднього підігріву електродів (внаслідок «залипання» контактів геркону);
- тривалий режим холостого ходу
на виході ПТ, який може
виникнути при
незапалюванні лампи.
В обох випадках виникає загроза руйнування ПТ через значні внутрішні механічні напруження.
Рис. 1. Блок-схема ЕПРА
стартерного типу на базі ПТ струму: 1-частотно-задаючий
елемент; 2- формувач імпульсної напруги; 3- вихідний транзисторний каскад; 4-
пристрій затримки в часі; 5- пристрій захисту; 6- ПТ
струму з секціями: 1- вхідною, 2- вихідною, 3- спільною, 4- зворотного зв’язку; 7- пристрій управління станом
геркону; 8- геркон
Датчиком обох аварійних режимів є вихідна напруга
секції зворотного зв'язку, яка в
цих режимах збільшується в декілька разів. Пристрій
затримки в часі 4 обмежує час попереднього підігріву електродів лампи (режим, близький до короткого замикання (КЗ) на виході ПТ) та час подання високої напруги запалювання ЛЛ в режимі холостого ходу (ХХ) ПТ, коли його споживана потужність значно зростає в
порівнянні з робочим режимом. Після подання напруги
живлення Uж
автогенераторна схема формувача 2 генерує імпульси, частота яких
вибирається більшою за першу гармоніку резонансної частоти ПТ. Імпульси підсилюються транзисторним підсилювачем
потужності 3 і подаються на вхідну секцію 1 (генератор)
ПТ 6. Це збуджує резонансні коливання в ПТ на вищій
(другій) гармоніці, які підтримуються за рахунок позитивного зворотного зв'язку секцією зворотного зв'язку 4. Формувач створює дві послідовності імпульсів, які подаються на транзистори вихідного каскаду в
протифазі з затримкою
в часі,
що дозволяє уникнути протікання
струму через вихідні
транзистори підсилювача 3 в момент їх
перемикання. Далі напруга, близька за формою до синусоїди, з виходу 2 ПТ подається на лампу.
Вихідна напруга транзисторного підсилювача потужності має імпульсну форму (рис. 2 а, 1), в той час як вихідна напруга ПТ (рис. 2 а, 2), представлена на цій же осцилограмі, має синусоїдну форму.

а) б)
Рис. 2. Осцилограми:
а) 1- вихідної напруги імпульсного каскаду ЕПРА та 2- вихідної напруги ПТ,
навантаженого ЛЛ TLD-18;
б) 1- вхідної напруги та, 2- вихідної напруги ПТ ЕПРА, навантаженого ЛЛ TLD-18
Вихідна напруга
ПТ (рис. 2 б, 2) є близькою до
синусоїдної. Величина індуктивності L1, яка вмикається для компенсації
ємнісної складової вхідної секції ПТ, підібрана таким чином, щоб зсув фаз між
вихідною імпульсною напругою та вхідним
струмом п'єзоелектричного трансформатора,
форма якого близька до синусоїдної, був близьким до нуля. Разом з тим, частота
резонансного контуру L1 та
ємності вхідної секції ПТ не рівна частоті резонансу робочої моди ПТ. Звідси і
форма вхідної напруги ПТ (рис. 2 б, 1),
яка не є синусоїдною.
ЛІТЕРАТУРА
1. Расчет пьезотрансформатора для
стабилизации разряда в люмине-сцентных лампах /В.Р.Медвидь,
Н.Г.Тарасенко // Светотехника. – 1987. – №12. – С. 11–14.
2. Патент України на корисну модель № 75202 "Освітлювальний пристрій" Автори: Медвідь В.Р.; Белякова І.В.; Пісьціо В.П.; Шкодзінський О.К. Заявник та власник ТНТУ імені Пулюя. Пріорітет від 26.11.2012.