Student Rodygin M.A.,
PhD. Busygina E.L.,
Prof. Mitiukow N.W.
Iżewsk Stanowy Techniczny Uniwersytet, Rosja
Kama Instytut Humanistyczny i Inżynieria Technologia, Rosja
Optymalizacja
parametrów instalacji pneumatycznej
Badania skutków są
jednym z najważniejszych gatunków w prób rakiet. Z ich
pomocą możemy zbadać siłę uderzenia konstrukcji,
stabilność i odporność na wstrząsy zdjęcie wibracji.
W zależności od metody rozpraszania stojakach perkusista można
podzielić elektromagnetycznego, mechaniczne lyb hydro-pneumatyczne. Kryterium
jakości jest zdolność zapewnienia podstawki danej
prędkości udaru ustalonego ciężaru. Jeśli jednak
oznaczać mechanicznego prędkością zaczepem jest
określony wyłącznie przez wysokość jej odchylenie,
wówczas parametry stojaka pneumatyczne zależy od wielu
parametrów.
W celu określenia stopnia
wpływu poszczególnych parametrów na prędkość
udarowego opracowano model matematyczny, składający się z
czterech różnicowego i więcej niż dwa tuziny
równań algebraicznych. Do liczbowego roztworu integracji
przeprowadzono metodą Eulera.
Model badania było
zainstalować powietrza wykazały, że najbardziej skuteczne
prędkość udaru może być kontrolowana za pomocą
wielkości śruby – gdyż zwiększa prędkość
maleje. Wraz
ze wzrostem przekroju przepływu głównych wzrostem
prędkości zaworu. Jednak wpływ szczeliny między
młotkiem i cylindra nie jest oczywista: zwiększenie odstępu w
pierwszym etapie zwiększa się prędkości,
osiągając wartość maksymalną przy względnej
szczeliny równej 0,84, a następnie maleje. Ale wpływ temperatury gazu i stałej gazowej i indeksu
adiabatyczne nie jest tak wielka, jak mogłoby się wydawać.

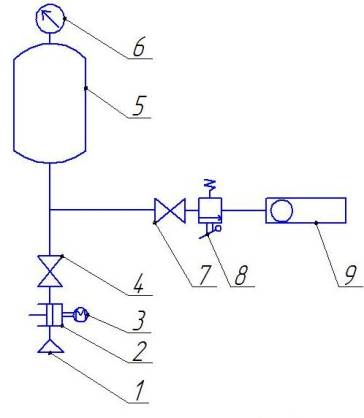
Schemat
pneumatycznego stanowisku badawczym oddziaływania: 1 – urządzenia
spożycie; 2 – kompresor; 3 – napęd sprężarki; 4, 7 –
wyposażenie; 5 – balon; 6 – wskaźnik; 8 – główny
zawór; 9 – gun

Zależność
szybkości objętości komór

Zależność
szybkości obszarze przejścia zaworu głównego

Zależność
szybkości względnej luki

Zmiana
prędkości i ciśnienia liczby uderzeń – w stosunkowo szybkim
tempie spadek ciśnienia zmienia się tylko nieznacznie