РАДИОФИЗИКА
К. ф- м.н. Антонов В. В.
Саратовский
государственный технический университет, Россия
Исследование
эффекта преобразования частоты СВЧ излучения в волноводе с полупроводником при
пинч-эффекте
В результате
нелинейного взаимодействия электромагнитного поля с плазмой на выходе плазменных умножителях частоты возникают гармоники входного сигнала [1]. Максимальное значение коэффициента умножения
достигается при
условии равенства плазменной частоты
удвоенной частоте гармоники. Для миллиметрового диапазона частот концентрация
носителей заряда в плазме должна быть
порядка
м
. Создание газоразряд-ной плазмы с такой концентрацией
применительно к задачам радио-электроники оказывается проблематичным. В работах
[2] и [3] предложен механизм генерации
второй гармоники, основанный на неоднородности газоразрядной плазмы. В
исследованных случаях во вторую гармонику преобразуется малая часть энергии,
поглощенной при плазменном резонансе. Слабая неоднородность и малая
концентрация носителей заряда ограничивают применение плазменных умножителей
частоты в миллиметровом и субмиллиметровом диапазонах длин волн излучения. В
полупроводниках с малой шириной
запрещенной зоны равновесная концентрация составляет величину порядка
м
, следовательно,
эффективность преобразования частоты существенно возрастает в
полупроводниках с резко неоднородной концентрацией носителей заряда
при пинч-эффекте или температурно-электрической неустойчивости [4].
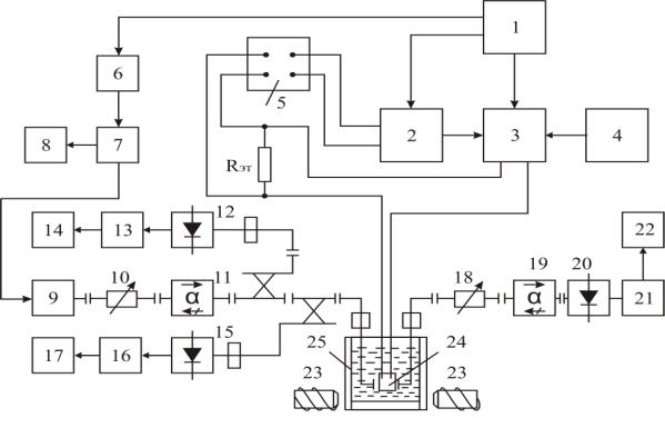
Экспериментальное
исследование эффекта умножения частоты при пинч-эффекте проводилось на
установке, блок-схема которой приведена на рис.1. Импульс с выхода генератора
импульсов (I)
подается на внешний запуск генератора (6) , используемого для запуска
импульсного модулятора (7) магнетронного генератора СВЧ колебаний (9).
Высоковольтный источник питания (8) создает высоковольтное напряжение
генератора импульсов и генератора СВЧ колебаний. Высокочастотный импульс с
выхода магнетронного генератора подается через аттенюатор (10) и ферритовый
вентиль (11) в волноводный тракт, содержащий полупроводниковый образец и коническую волноводную секцию. Детекторные
секции (12) и (15) регистрируют падающую и отраженную от полупроводника
мощность СВЧ поля. С выхода детекторных секций сигналы усиливаются усилителями
(13) и (16) и подаются на осциллографы (14) и (17). Второй импульс, снимаемый с генератора (I), подается на высоковольтный источник
питания генератора мощных токовых импульсов (2) и генератор мощных токовых
импульсов (3). Первый канал двулучевого осциллографа (5), подключенный к входу
высоковольтного источника (2) регистрирует
импульс, создаваемый генератором (1). С выхода генератора (3) импульс
подается на исследуемый образец из антимонида индия электронного типа (24).

Рис.1. Блок схема экспериментальной установки
В качестве
стабилизирующего устройства используется стабилизатор напряжения (4) мощностью
0.75 кВт. Для визуального наблюдения ВАХ используется второй канал осциллографа
(5), а для наблюдения амплитуды СВЧ поля применяется осциллограф (14) .
Измерения падающей и отраженной от полупроводника мощностей проводятся при
помощи детекторных секций (12, 15, 20), с которых сигнал поступает на усилители
(13, 16, 21). Экспериментальные исследования прохождения электро-магнитного
излучения через полупроводниковый образец проводились при температуре жидкого
азота. Для измерений при такой температуре использовался волновод с конической
волноводной секцией, в который вставлялся фланец с образцом антимонида индия.
Сечение конической волноводной секции выбиралось таким образом, чтобы она не пропускала
СВЧ сигнал основной частоты. Волновод помещался в специально изготовленный
сосуд Дьюара (25). Образец антимонида индия электронного типа полностью перекрывал
сечение волноводного тракта. Равновесная концентрация полупроводникового
образца
м
, подвижность электронов
м
/ B∙c. Размеры полупроводниковой пластины,
полностью перекрывающей сечение волноводного тракта, выбирались в соответствии
со стандартными размерами волноводного тракта для излучения на основной
гармонике. Выходное сечение конической волноводной секции определялось таким
образом, чтобы она пропускала излучение на второй гармонике. Образцы заданных
размеров вырезались из монокристалла на электроискровой установке. Полученные
пластины полупроводника шлифовались с одной стороны микропорошком зернистости I мкм и шлифованной поверхностью приклеивались эпоксидной смолой к стеклянной пластине размером 8x4 мм
и толщиной 160 мкм, после чего пластина шлифовалась до
толщины 80 мкм. Обезжиривание полупроводниковых образцов проводилось в
четыреххлористом углероде. Полученные таким образом образцы снимались с
пластины и помещались в волноводный тракт.
Импульс с выхода
генератора мощных токовых импульсов (3) подавался на образец через медные
проводники, проходящие через отверстия, просверленные в нижней и верхней частях
волновода, содержащего полупроводниковую пластину. Токовый импульс снимался с
сопротивления R
и
подавался на второй канал осциллографа (5). Для наблюдения влияния постоянного
магнитного поля на пинч-эффект, сосуд Дьюара с образцом помещался между
полюсами электромагнита (23).
При
отсутствии внешнего импульсного электрического поля СВЧ импульс магнетрона
имел вид, изображенный на рис.2а и сигнал на выходе высокочастотного тракта не
наблюдался. Длительность импульса напряжен-ности электрического поля,
создающего неоднородное распределение электронов в полупроводниковом образце,
менялась от 0,1 мкс до 10 мкс. Импульс электрического поля СВЧ колебаний,
подаваемого на образец по волноводному тракту, представлен на рис.2б.

Создание
в полупроводниковом образце импульсов тока с амплитудой, близкой к критическому
току пинч-эффекта, приводит к появлению на выходе конической волноводной
секции высокочастотного тракта импульса второй гармоники, имеющего вид,
изображенный на рис.2в. Появление верхнего импульса на рис.2в связано с
генерацией второй гармоники.
Создание
в полупроводниковом образце импульсов тока с амплитудой, близкой к критическому
току пинч-эффекта, приводит к появлению на выходе конической волноводной
секции высокочастотного тракта импульса второй гармоники, имеющего вид,
изображенный на рис.2в. Появление верхнего импульса на рис.2в связано с
генерацией второй гармоники.
На рис.3
представлены зависимости коэффициента умножения частоты от напряженности
электрического поля для трех значений длин волн основной гармоники СВЧ при толщине пластины d=80 мкм.

Частота повторения импульсов,
создающих пинч-эффект, составляла величину порядка 100 Гц. Максимальное
значение модуля коэффициента умножения частоты для длины волны
=7.6 мм в области
пинч-эффекта равно 4 %. С ростом частоты задающего СВЧ генератора коэффициент
умножения частоты возрастает и достигает максимального значения 16% при длине волны
= 2 мм. Приведенные зависимости имеют резко
выраженный максимум. Наличие такого максимума связано с ростом коэффициента
отражения электромагнитной волны от полупроводникового слоя при пинч-эффекте.
Соответствующая ВАХ образца при пинч-эффекте для различных значений внешнего
постоянного магнитного поля
представлена на
рис.4. Значения электрического поля, при котором наблюдается нелинейная
область ВАХ, соответствуют скорости поверхностной рекомбинации, равной 50 м/с
[4]. С ростом индукции внешнего постоянного магнитного поля порог пинч-эффекта
смещается в область более высокой напряженности электрического поля.
Для
экспериментальной проверки расчетных данных по отражению волны от слоя
полупроводника, находящегося в состоянии пинч-эффекта и анализа зависимости
коэффициента умножения от напряженности электрического поля, были проведены
измерения прошедшей и отраженной от образца волн (рис.5,
=7.6мм).
Из
сопоставления ВАХ на рис. 4 с зависимостями отраженной и прошедшей через
образец СВЧ-мощности, следует, что при пинч-эффекте,
возникает резкое изменение отраженной мощности. Увеличение отраженной от
образца мощности приводит к уменьшению напряженности электричес-кого поля в
образце и соответствующему уменьшению степени сжатия носителей заряда,
определяющей нелинейный процесс
генерации гармоник. С ростом частоты СВЧ- сигнала выполняются условия
плазменного резонанса (для испытанного образца этот эффект регистрировался при
). Дальнейшее уменьшение длины волны должно приводить к
увеличению эффективности преобразования частоты.
Теоретические зависимости тока от
напряженности электрического поля имеют S –образную форму [4 ], в то время как в условиях
эксперимента такие зависимости не наблюдаются. Как было отмечено в работе [5],
появление области отрицательной дифференциальной проводимости (ОДП)

при
пинч-эффекте связано с определенным соотношением между скоростью
поверхностной
рекомбинации, временем объемной рекомбинации и толщиной полупроводникового
образца. С ростом скорости поверхностной рекомбинации растет степень
неоднородности концентрации носителей заряда в области ОДП, что приводит к
росту коэффициента умножения частоты. По данным работы [5] скорость
поверхностной рекомбинации в антимониде индия может изменяться в пределах от 50
м/с до 10
м/с, в зависимости от степени обработки поверхности
полупроводника. Следовательно, для увеличения коэффициента умножения,
необходимо при экспериментальных исследованиях
создавать максимальную скорость поверхностной рекомбинации.
С учетом
результатов проведенных экспериментальных исследованиях была создана
конструкция умножителя и преобразователя частоты. Устройство содержит четырехплечее соединение волноводов
с металлическими поршнями, в диагональной плоскости которого размещена
полупроводниковая пластина антимонида индия электронного типа, содержащая
концентрационную неоднородность при пинч-эффекте. Использование четырехплечего
соединения волноводов и размещение полупроводниковой пластины в месте соединения
позволило уменьшить коэффициент отражения и более полно реализовать процесс
взаимодействия волны с полупроводниковой средой. Металлические поршни отражают
прошедшую через образец СВЧ мощность, увеличивая мощность в пластине и
эффективность преобразования частоты.
Нелинейное
взаимодействие волны с полупроводником, находящимся в состоянии пинч-эффекта
может приводить не только к умножению частоты, но и преобразованию частот.
Реализация данного подхода позволила создать конструкцию смесителя частоты в
миллиметровом диапазоне длин волн. Преобразователь частоты содержит трехплечее
соединение входного и гетеродинного волноводов, в месте соединения которого
размещена полупроводниковая пластина, к которой приложено электрическое поле,
создающее концентрационную неоднородность.
На основе полученных
экспериментальных данных можно сделать следующие выводы.
1. С уменьшением длины волны
уменьшается модуль коэффициента отражения СВЧ мощности от полупроводника [5],
что приводит к росту эффективности процесса умножения частоты.
2. Создание в полупроводнике скорости поверхностной
рекомбинации, превышающей величину 10
м/с [6] может
привести к значительному росту коэффициента умножения частоты..
Список
литературы
1.Брандт А.А., Тихомиров
Ю.В. Плазменные умножители частоты. М.: Наука, 1974. 207с.
2. Ерохин Н.С., Захаров
В.Е. Генерация второй гармоники при падении электромагнитной волны на
неоднородную плазму.// Наука, ЖЭТФ,
1969,т.56,вып.1,с. 179-185.
3. Ерохин Н.С., Моисеев
С.С. Вопросы теории линейной и
нелинейной трансформации волн // Наука, Успехи физических наук, 1973,т.109,
вып.2, с.225-258.
4. Антонов В.В., Кац
Л.И. Температурно-электрическая неустойчивость n-InSb в
постоянном электрическом поле// Наука, Физика и техника
полупроводников,1982,т.16, вып.6, с.1050-1053.
5. Антонов В.В.,
Отражение СВЧ колебаний от плазменного слоя, содержащего управляемую
концентрационную неоднородность носителей заряда// Наука, Физика и техника
полупроводников, 1985,т.19, вып.6,с.1012-1016.
6.А.М.Свердлова.
Поверхностные явления в полупроводниках. Саратов: СГУ, 1985, 81с.