Технические науки/5. Энергетика
УДК 621.311.004.12
К.т.н. Большанин Г.А., Большанина Л.Ю., Марьясова Е.Г.
Федеральное государственное бюджетное
образовательное учреждение высшего профессионального образования
«Братский государственный университет», Россия
КОЭФФИЦИЕНТЫ ВОСЬМИПОЛЮСНИКА,
ЗАМЕЩАЮЩЕГО
ТРЕХФАЗНУЮ ТРЕХПРОВОДНУЮ ЛЭП
Для обеспечения качественного и надежного
электроснабжения промышленных и иных объектов используются высоковольтные линии
электропередачи (ЛЭП). При этом необходимо контролировать распределение
основных характеристик электрической энергии вдоль действующих линий
электропередачи [1-10]. Распределение этих характеристик прогнозировать в
процессе проектирования, монтажа и эксплуатации ЛЭП. Речь идет о таких характеристиках,
каковыми являются напряжение и ток [11-12].
Однородный
участок трехфазной трехпроводной ЛЭП имеет 4 (четыре) входа (три линейных
провода и один провод, иллюстрирующий поверхность Земли) и 4 (четыре) выхода.
Это означает, что его можно заменить восьмиполюсником (рис. 1) [13-19].

Рис. 1. Восьмиполюсник, замещающий однородный
участок трехфазной трехпроводной ЛЭП
Реальная ЛЭП в принципе не может быть
абсолютно однородной. Причем границы однородности могу оказаться настолько явно
выражены, что не могут быть игнорированы. Это узлы включения разнообразных
электрических нагрузок или сопутствующей линейной арматуры, транспозиция,
рельеф местности, изменение сечения или химического состава линейных проводов и
т.п. В таком случае ЛЭП целесообразно представлять в виде совокупности
однородных участков или группы многополюсников (рис.2).

Рис. 2. Схема замещения неоднородного участка
трехфазной
трехпроводной
ЛЭП
Если количество однородных участков в
составе анализируемой ЛЭП ограничивается числом k (рис. 2), то взаимосвязь между входными и выходными
параметрами электрической энергии устанавливается уравнениями [8-9]:
![]()
;
![]()
;
![]()
;
![]()
;
![]()
;
![]()
,
где
,
,
,
,
,
,
,
,
,
,
,
,
,
,
,
,
,
,
,
,
,
,
,
,
,
,
,
,
,
,
,
,
,
,
и
– коэффициенты
восьмиполюсника, объединяющего все однородные участки ЛЭП.
К сожалению, разделить реальную ЛЭП на
однородные участки с достаточной достоверностью не всегда представляется
возможным. Гораздо удобнее представить анализируемую ЛЭП вместе с сопутствующей
линейной арматурой единым восьмиполюсником. Восьмиполюсник, замещающий все
однородные участки ЛЭП, не является симметричным. Он будет симметричным лишь
при абсолютном равенстве первичных, а. значит, и вторичных параметров всех однородных
участков, входящих в состав анализируемой ЛЭП. Но это вряд ли выполнимо.
Для определения численных значений
коэффициентов восьмиполюсника, объединяющего все или несколько однородных
участков ЛЭП, необходимо выполнить серию экспериментов – опытов полнофазных
холостого хода и короткого замыкания, а также серии подобных опытов при
неполнофазном исполнении исследуемого восьмиполюсника [15-18].
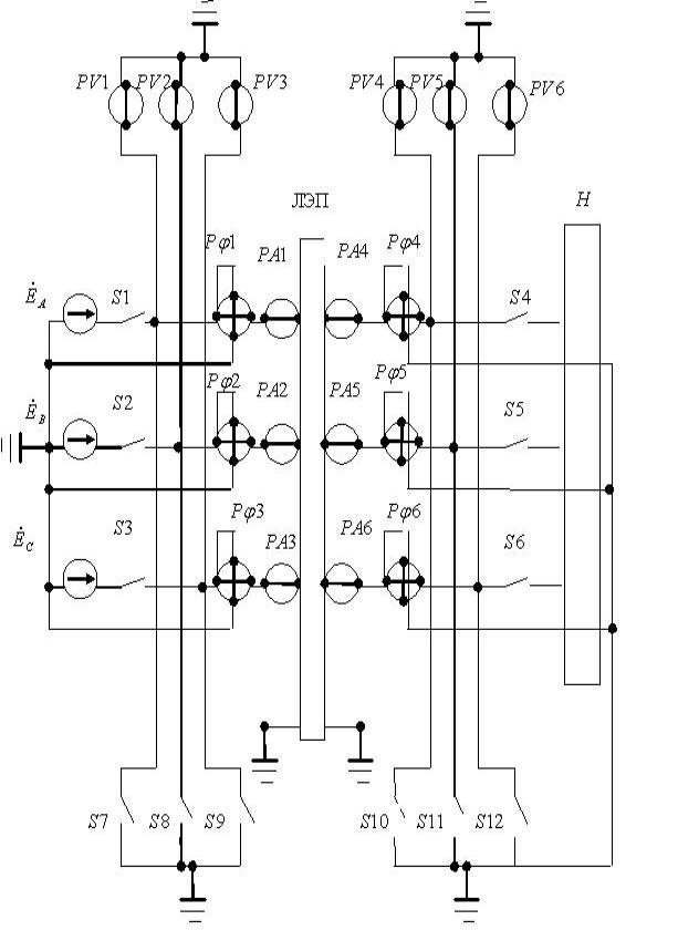
Эксперименты выполняются по схеме,
изображенной на рис. 3.

Рис. 3. Схема
серии экспериментов для определения коэффициентов
восьмиполюсника, замещающего все однородные
участки трехпроводной ЛЭП
В схеме участвуют 6 (шесть) вольтметров PV1 – PV6, 6 (шесть)
амперметров PA1 – PA6 и 6 (шесть) фазометров Рφ1 – Рφ6;
использовано 12 (двенадцать) коммутационных устройств (ключей) S1 – S12. В качестве
источника электрической энергии здесь можно использовать электроэнергетическую
систему, а лучше всего автономный источник электрической энергии трехфазного
исполнения желательно пониженного напряжения, обозначенного на схеме в виде
фазных ЭДС
,
и
.
Успешное функционирование ЛЭП
осуществляется при замыкании ключей S1 – S6 и размыкании ключей S7 – S12. Так
выполняется полнофазный режим потребления электрической энергии электрической
нагрузкой Н.
В результате выполненных таким образом
исследований появляется возможность полной количественной и качественной оценки
функционирования реальной ЛЭП.
Список литературы
1. Большанина, Л.Ю. Особенности распространения
электрической энергии по многопроводным линиям электропередачи. / Е.Г.
Марьясова, Г.А. Большанин. // Труды Братского государственного университета.
Серия: Естественные и инженерные науки – развитию регионов Сибири. 2011. – Т.2.
– С. 38-43.
2. Большанин Г.А. Особенности распространения
электрической энергии по линиям электропередачи. / Л.Ю. Большанина. – Братск:
Изд-во БрГУ, 2011. – 64 с.
3. Большанин, Г.А. Способ
автоматизированного активного контроля уровня несимметрии напряжений и токов.
Патент на изобретение RU 2249286 30.06.2003.
4. Большанин, Г.А. Способ
автоматизированного активного контроля провалов напряжения и тока. Патент на
изобретение RU 2252472 22.10.2003.
5. Большанин, Г.А. Распределение
гармонических составляющих электрической энергии пониженного качества вдоль
несимметричного участка трехфазной ВЛЭП трехпроводного исполнения. / Л Ю.
Большанина, Е.Г. Марьясова.// Электро. Электротехника, электроэнергетика,
электротехническая промышленность. – 2010. №2. – С. 20-26.
6. Большанин, Г.А. Особенности
распределения электрической энергии по тр6хпроводной линии электропередачи. / Л
Ю. Большанина, Е.Г. Марьясова. // Современные технологии. Системный анализ.
Моделирование. 2010. – №4. – С. 197-204.
7. Большанин, Г.А. Распределение электрической
энергии пониженного качества по трехфазной магистральной линии электропередачи
трехпроводного исполнения. / Л.Ю. Большанина. // Вестник Ижевского
государственного технического университета. – 2008. – №3. – С. 130-134.
8. Большанин, Г.А. Распределение
электрической энергии по участкам электроэнергетических систем. В 2-х кн. –
Братск: БрГУ, 2006. – 807 с.
9. Большанин, Г.А. Распределение
электрической энергии пониженного качества по трехфазной магистральной линии
электропередачи трехпроводного исполнения. / Л.Ю. Большанина. // Вестник ИрГТУ.
– 2008. – №3(39) – С. 130-134.
10. Большанин, Г.А. Анализ распределения
электрической энергии пониженного качества по неразветвленной трехфазной ЛЭП. /
Л. Ю. Большанина. // Системы. Методы. Технологии. – 2009. – №1. – С. 85-89.
11. Большанин, Г.А. Выбор оптимального
места подключения электрической нагрузки к действующей линии электропередачи. /
Л. Ю. Большанина, Е.Г. Марьясова, Т.Г.
Коробова. // Системы. Методы. Технологии. – 2013. – №1. – С. 64-70.
12. Большанина, Л.Ю. Расчет параметров
электрической энергии трехфазной трехпроводной линии электропередачи в
программе «LEP3». / Е.Г. Марьясова, Г.А.
Большанин. // Труды Братского государственного университета. Серия:
Естественные и инженерные науки – развитию регионов Сибири. 2010. – Т.2. – С. 69-73.
13. Большанин, Г.А. Использование теории
многополюсников и системы «MATLAB» при
расчете результатов транспортировки электрической энергии. / Л.Ю. Большанина,
Е.Г. Марьясова. // Системы. Методы. Технологии. – 2011. – №4(12). – С. 76-83.
14. Большанин, Г.А. Использование теории
многополюсников и системы «MATLAB» при
расчете результатов транспортировки электрической энергии. / Л.Ю. Большанина,
Е.Г. Марьясова. // Системы. Методы. Технологии. – 2011. – №4(12). – С. 76-83.
15.
Большанин, Г.А. Параметры трехпроводной ЛЭП. Метод восьмиполюсника./ Л.Ю.
Большанина.– Братск: ФГБОУ ВПО «БрГУ», 2012. – 259 с.
16. Большанин, Г.А. Определение
коэффициентов восьмиполюсника, замещающего трехпроводную ЛЭП. / Л.Ю.
Большанина. // Mezdunarodnyj naucno-issledovatel’skij zurnal. – 2012. – № 6(6). – С. 38-41.
17. Большанин, Г.А. Определение
коэффициентов восьмиполюсника, замещающего
трехфазную трехпроводную линию электропередачи. / Л.Ю. Большанина. //
Электротехнические комплексы и системы управления: научно-технический журнал.
№1 (29), 2013. – С. 41-46.
18. Большанин, Г.А. Способ определения
коэффициентов восьмиполюсника, замещающего трехфазную трехпроводную линию
электропередачи. / Л.Ю. Большанина. // Труды Братского государственного
университета. Серия: Естественные и инженерные науки. 2012. Т.3. С. 136-145.
19. Большанин, Г.А. Использование теории
восьмиполюсников для анализа передачи электрической энергии. / Л.Ю. Большанина.
// Труды Братского государственного университета. Серия: Естественные и
инженерные науки. 2012. Т.3. С. 132-136.