Современные информационные технологии / 1. Компьютерная инженерия
Извекова Н.
А., Кулимбетова Ж. А.
Карагандинский
Государственный Технический Университет, Казахстан
Программирование микроконтроллеров
«Не идите на поводу у истории. Проявите инициативу и сделайте
что-нибудь удивительное» (Роберт Нойс)
Представьте себе, что Вы идете в магазин
за покупками, набираете определенное количество товара и просто выходите с
магазина. Вы думаете это сказка? Нет! Это технология будущего, развитие которой
начинается в XXI веке, а именно -
широкое использование микроконтроллеров.
Микроконтроллер — микросхема, предназначенная для управления электронными
устройствами.
При проектировании микроконтроллеров
приходится соблюдать баланс между размерами и стоимостью с одной стороны и
гибкостью и производительностью с другой. Для разных приложений оптимальное
соотношение этих и других параметров может различаться очень сильно. Поэтому
существует огромное количество типов микроконтроллеров, отличающихся
архитектурой процессорного модуля, размером и типом встроенной памяти, набором
периферийных устройств, типом корпуса и другое.
В отличие от микроконтроллера контроллером
обычно называют плату, построенную на основе микроконтроллера, но достаточно
часто при использовании понятия "микроконтроллер" применяют
сокращенное название этого устройства, отбрасывая приставку "микро"
для простоты. Также при упоминании микроконтроллеров можно встретить слова
"чип" или "микрочип", "кристалл" (большинство
микроконтроллеров изготавливают на едином кристалле кремния), сокращения МК или
от английского microcontroller - MC.
Теперь перейдем от
теории к практике. Как же программируются микроконтроллеры?
В сети существует много ресурсов,
посвященных применению микроконтроллеров (МК) и их программированию. Прошить
(запрограммировать) МК можно при помощи программатора. Программаторы бывают
разные. На западе существуют "стартовые наборы", которые
предназначены для программирования нескольких видов МК с кнопочками и
светодиодами (для работы с прерываниями). Таких программаторов существует
несколько видов: STK200/300/500(501/502), ICE40/50, JTAGICE, ICE200, AVRISP.
STK500 выглядит вот так:
Программаторы подключаются к PC
посредством:
1. LPT - самый распространенный вариант исполнения;
2. COM - менее распространен, но тоже используется;
3. USB - практически не используемое, но уже
встречается, правда только/пока за доллары. Рассмотрим один из вариантов
наиболее распространенных программаторов:

Рисунок 1 - Интерфейс LPT
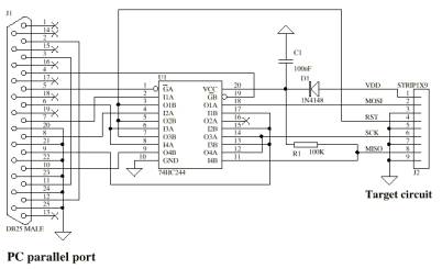
Одна из принципиальных схем программаторов для
различных видов МК:

Эта схема подключается к LPT порту и на выходе выдает
сигналы, необходимые для нормальной работы с МК:
SCK - тактовый сигнал, MOSI - главный
выход-подчиненный вход, MISO - главный вход-подчиненный выход, RES - сброс
программируемого MCU (МК), GND - общая земля и Vcc - напряжение питания МК. В
схеме микросхему 74НС244 можно заменить на КР1533АП5, диод 1N4148 - на КД521,
КД522. Вместо 74НС244 можно использовать К555АП5. Эта микросхема предотвращает
паразитные наводки в кабеле и защищает LPT-порт. С этим программатором работает
программа Pony. Взять ее можно на сайте http://www.lancos.com.

Эта схема (приведена для понимания идеи),
назовем ее референсной, подключается к предыдущей: разъем J1 CON10 подключается
к J2 STRIP 1X9 - просто надо составить соответствие между сигналами и все будет
работать (проверено). К любому из адаптеров можно подключить МК с кварцем и
двумя емкостями. И программатор готов к эксплуатации!
Теперь вы ознакомлены с первыми шагами
программирования микроконтроллеров.
Но вернемся к нашему примеру с магазином.
Данный вид технологии в будущем избавит вас от лишних действий по оплате
выбранных товаров, проще говоря, все купленные вами товары благодаря
микроконтроллерам будут оплачены автоматически через ваш банковский счет. Для
этого будет достаточно простой выйти за пределы магазина и микрочип все сделает
за Вас!
Литература:
1.
http://www.service4u.narod.ru
2. http://www.myrobot.ru
3. Александр Кратько «Программирование микроконтроллеров.